GM Service Manual Online
For 1990-2009 cars only
Figure 1:

Manual Transmission Electrical Components


Object Number: 1962733  Size: MF
(1)Pre-catalytic heated oxygen sensor connector
(2)Post-catalytic heated oxygen sensor connector
(3)Backup lamp switch
(4)Reverse lockout soleniod
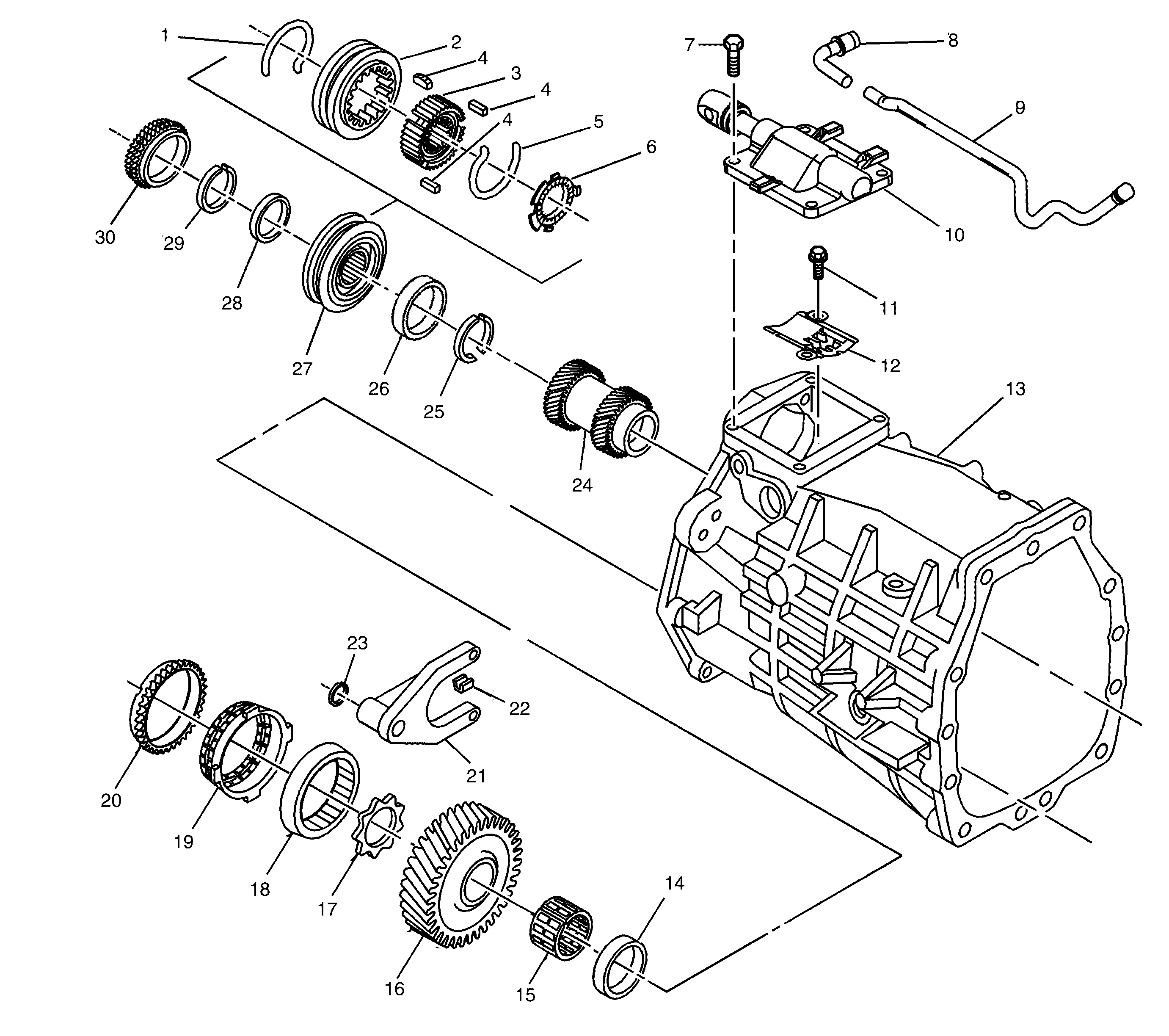
Figure 2:

Transmission Case (1 of 2)


Object Number: 1962739  Size: LF
(1)Reverse Synchronizer Spring
(2)Reverse Synchronizer Sleeve
(3)Reverse Synchronizer Hub
(4)Reverse Synchronizer Key
(5)Reverse Synchronizer Spring
(6)Reverse Synchronizer Key Retainer
(7)Shifter Cover Plate Bolt
(8)Vent
(9)Vent Pipe
(10)Shifter Cover Plate
(11)Guide Plate Bolt
(12)Guide Plate
(13)Transmission Case
(14)6th Speed Drive Gear Bearing Spacer
(15)6th Speed Drive Gear Needle Bearing
(16)6th Speed Drive Gear
(17)6th Speed Drive Gear Thrust Washer
(18)6th Speed Drive Gear Inner Cone
(19)6th Speed Drive Gear Friction Cone
(20)6th Speed Drive Gear Synchronizer Blocking Ring
(21)Reverse Shift Fork
(22)Reverse Shift Fork Pad
(23)Reverse Shift Fork Retainer Ring
(24)5th and 6th Speed Driven Gear
(25)Split Washer Retaining Ring
(26)Split Washers
(27)Reverse Synchronizer Hub and Sleeve
(28)Reverse Gear Thrust Washer
(29)Reverse Synchronizer Retainer Ring
(30)Reverse Synchronizer Blocking Ring
Figure 3:

Transmission Case (2 of 2)


Object Number: 1962740  Size: LF
(1)Rear Case Locating Dowel
(2)5th/6th Lever Guide Bolt
(3)Interlock Guide Bolt
(4)Transmission Fluid Plug
(5)Countershaft Bearing Race
(6)Backup Lamp Switch
(7)Magnet
(8)Shift Detent Assembly
(9)Mainshaft Rear Bearing Race
(10)Mainshaft Rear Bearing
(11)1st Speed Drive Gear
(12)1st Speed Drive Gear Needle Bearing
(13)1st Speed Drive Gear Bearing Spacer
(14)Split Washer Retaining Ring
(15)Split Washers
(16)1st Speed Drive Gear Inner Cone
(17)1st Speed Drive Gear Friction Cone
(18)1st Gear Synchronizer Blocking Ring
(19)1st/2nd Synchronizer Assembly
(20)1st/2nd Synchronizer Spring
(21)1st/2nd Synchronizer Key
(22)1st/2nd Synchronizer Hub
(23)1st/2nd Synchronizer Sleeve
(24)1st/2nd Synchronizer Spring
Figure 4:

Adapter Plate and Gears


Object Number: 1962734  Size: LF
(1)3rd/4th Synchronizer Spring
(2)3rd/4th Synchronizer Sleeve
(3)3rd/4th Synchronizer Hub
(4)3rd/4th Synchronizer Key
(5)3rd/4th Synchronizer Spring
(6)Top Shaft Rail Bushing
(7)Dowel Pin
(8)Shift Detent Plug
(9)Shift Detent Spring
(10)Shift Detent Ball
(11)Adapter Plate Inspection Plug
(12)Adapter to Transmission Case Bolt
(13)Front Adapter Plate
(14)Input Shaft Seal
(15)Input Shaft Bearing Shim
(16)Input Shaft Bearing Race
(17)Input Shaft Bearing
(18)Input Shaft
(19)Input Shaft Bearing Race
(20)3rd/4th Synchronizer Retaining Ring
(21)4th Speed Drive Gear Thrust Washer
(22)4th Speed Drive Gear Inner Cone
(23)4th Speed Drive Gear Friction Cone
(24)4th Speed Drive Gear Blocker Ring
(25)3rd/4th Synchronizer Assembly
(26)3rd Speed Drive Gear Synchronizer Blocking Ring
(27)3rd Speed Drive Gear Friction Cone
(28)3rd Speed Drive Gear Inner Cone
(29)3rd Speed Drive Gear Thrust Washer
(30)3rd Speed Drive Gear Thrust Washer
(31)3rd Speed Drive Gear
(32)3rd Speed Drive Gear Bearing
(33)Mainshaft Small Tapered Bearing
(34)Mainshaft
(35)2nd Speed Drive Gear Needle Bearing
(36)2nd Speed Drive Gear
(37)2nd Speed Drive Gear Bearing Spacer
(38)2nd Speed Drive Gear Inner Cone
(39)2nd Speed Drive Gear Friction Cone
(40)2nd Gear Synchronizer Blocking Ring
(41)Thrust Washer
(42)Countershaft Small Tapered Bearing
(43)Countershaft
(44)Countershaft Front Bearing
(45)Countershaft Bearing Race
(46)Countershaft Bearing Adjust Shim
Figure 5:

Extension Housing


Object Number: 1962736  Size: LF
(1)Oil Drain Plug
(2)Extension Housing to Transmission Case Bolt
(3)Propshaft Flange Retaining Nut
(4)Propshaft Flange
(5)Output Shaft Seal
(6)Extension Housing
(7)Mainshaft Bearing Race
(8) Rear Bearing Retainer Ring
(9)Mainshaft Rear Bearing Retainer Ring
(10)Mainshaft Gear Bearing Spacer
(11)Mainshaft Rear Bearing
(12)Mainshaft Gear Bearing Spacer
(13)Synchronizer Retainer Ring
(14)Reverse Gear Thrust Washer
(15)Mainshaft Reverse Speed Gear Reverse Idler Gear
(16)Reverse Gear Bearing
(17)Reverse Gear Washer
(18)Reverse Idler Bracket
(19)Reverse Idler Bracket Bolt
(20)Reverse Idler Gear
(21)Reverse Idler Gear Needle Bearing
(22)Reverse Idler Gear Shaft
(23)Lubrication Funnel
(24) Front Countershaft Bearing Shim
(25)Countershaft Bearing Race
(26)Countershaft Bearing
(27) Rear Bearing Retainer Ring
(28) Countershaft Gear Retainer Ring
(29) Countershaft Gear
(30)Split Washer Retainer
(31)Split Washers
(32)5th Speed Drive Gear
(33)5th Speed Drive Gear Needle Bearing
(34)5th Speed Drive Gear Thrust Washer
(35)5th Speed Gear Inner Cone
(36)5th Speed Gear Friction Cone
(37)5th Gear Synchronizer Blocking Ring
(38)5th/6th Synchronizer Assembly
(39)5th/6th Synchronizer Spring
(40)5th/6th Synchronizer Hub
(41)5th/6th and Reverse Synchronizer Key
(42)5th/6th Synchronizer Sleeve
(43)5th/6th Synchronizer Spring
(44)5th/6th Shift Fork
(45)5th Gear Shift Fork Retainer Ring
(46) Shift Fork Pad
Figure 6:

Reverse Lockout


Object Number: 1962737  Size: LF
(1)Reverse Lockout Body
(2)Reverse Lockout Inner Spring
(3)Snap Ring Spring
(4)Reverse Lockout Collar
(5)Reverse Lockout Outer Spring
(6)Reverse Lockout Plunger
(7)Snap Ring
(8)Reverse Lockout Solenoid Mounting Bolt
(9)Reverse Lockout Assembly
(10)O-ring
(11)Reverse Lockout Solenoid
Figure 7:

Shift Shafts


Object Number: 1962738  Size: LF
(1)1st/2nd Shift Fork
(2)Shift Shaft
(3)Neutral Return Cam Pin
(4)1st/2nd Shift Fork Pin
(5)Control Select Arm Pin
(6)Gear Select Interlock Plate
(7)3rd/4th Shift Fork
(8)3rd/4th Shift Fork Pad
(9)Shift Interlock Plate
(10)Interlock Shift Plate
(11)1st/2nd Shift Fork Pad
(12)1st/2nd Shift Shaft Assembly
(13)5th/6th Shift Lever Assembly
(14) 5th/6th Shift Lever Pad
(15)Offset Shift Lever
(16)Reverse Shift Lever Pin
(17)Retaining Ring
(18)5th/6th Shift Shaft Lever Bushing
(19)5th/6th Shift Lever
(20)5th/6th Reverse Shift Shaft
(21)Reverse Shift Collar
(22)Reverse Shift Collar Pin