GM Service Manual Online
For 1990-2009 cars only
Makes
🢒
Chevrolet
🢒
2007
🢒
Caprice WM
🢒
Roof
🢒
Sunroof
🢒 Sunroof Schematics
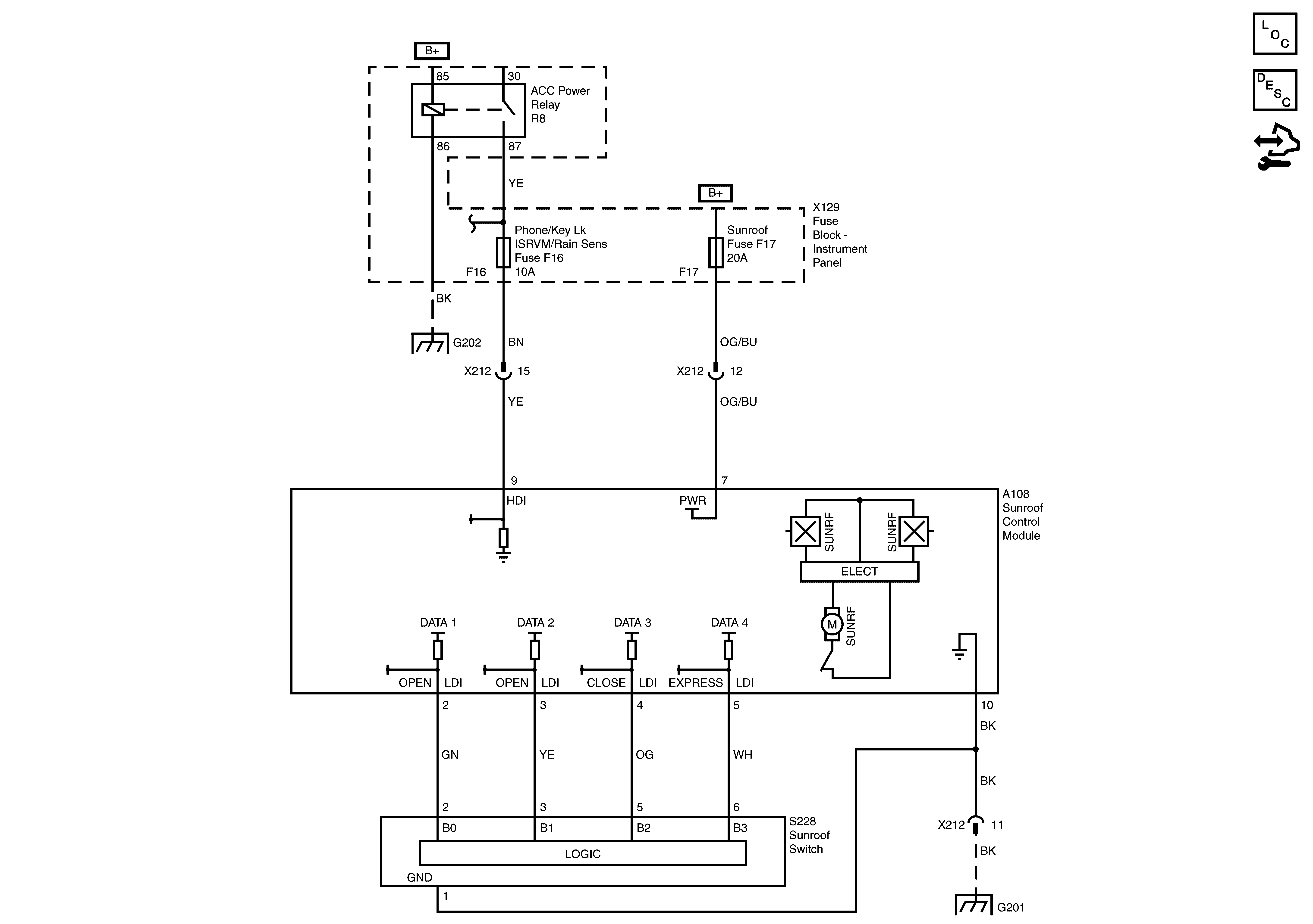
Sunroof Control Module and Switch Power and Ground