GM Service Manual Online
For 1990-2009 cars only

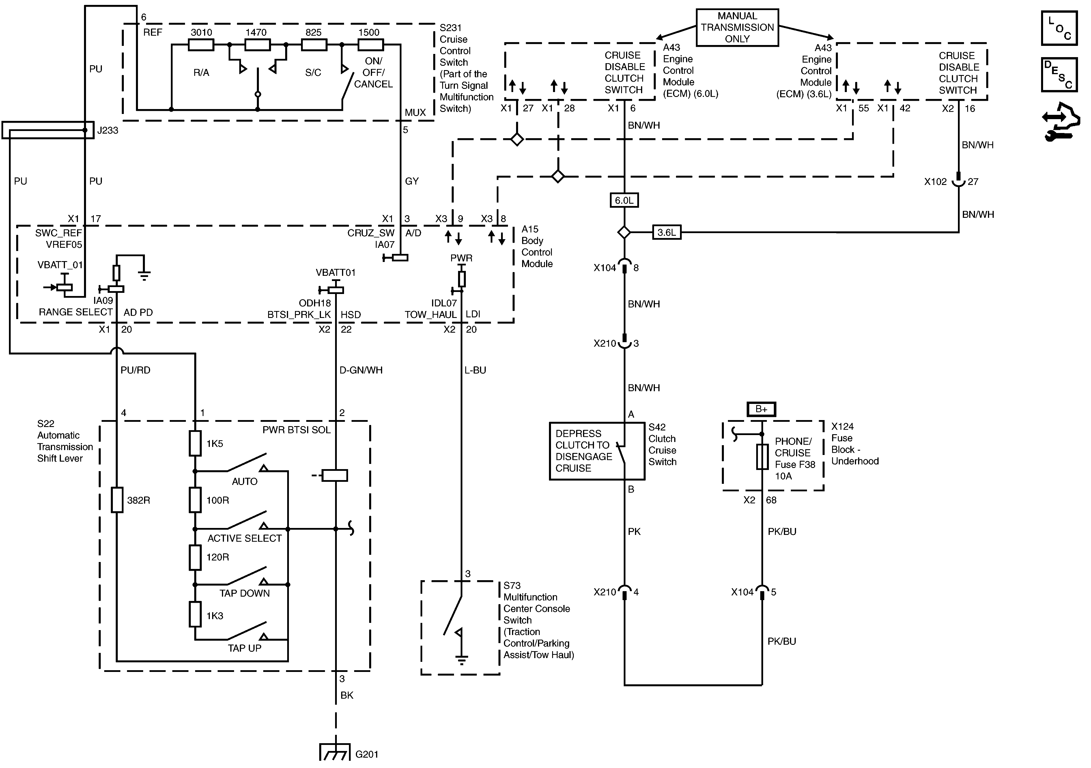
Cruise Control Switch, Automatic Transmission Shift Lever, Multifunction Center Console Switch and Clutch Cruise Switch

Cruise Control Switch, Automatic Transmission Shift Lever, Multifunction Center Console Switch and Clutch Cruise Switch


Object Number: 1957201  Size: FS
Master Electrical Component List
Cruise Control Description and Operation
Control Module References
G201 - 1 of 2