GM Service Manual Online
For 1990-2009 cars only
Makes
🢒
Chevrolet
🢒
2007
🢒
Caprice WM
🢒 Radio, AM/FM Antenna and Diversity Antenna
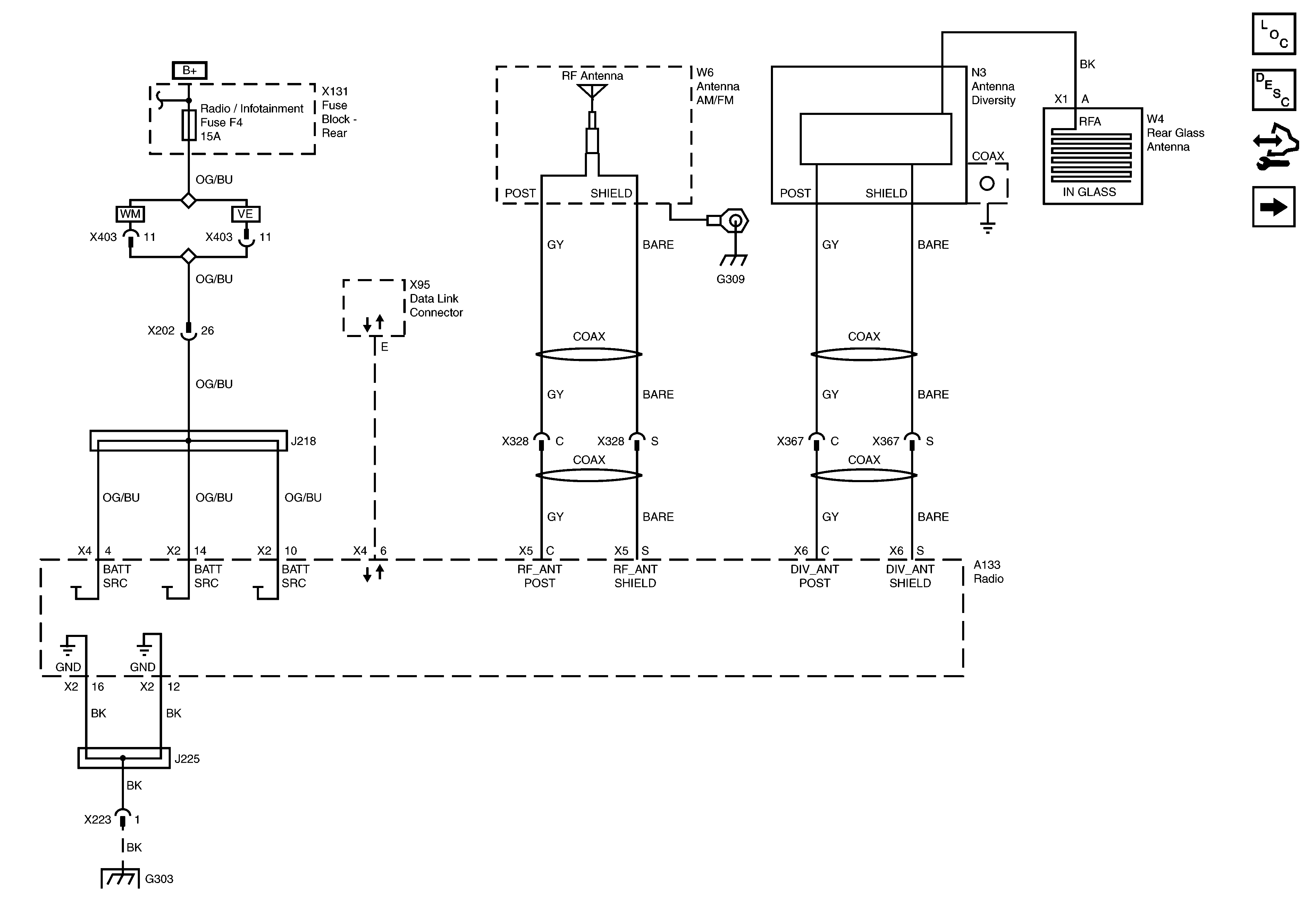
Radio, AM/FM Antenna and Diversity Antenna
Radio, AM/FM Antenna and Diversity Antenna
Master Electrical Component List
Radio/Audio System Description and Operation SWBRHD
Control Module References
Speaker Inputs and Outputs
G303 and G304 - 1 of 2