GM Service Manual Online
For 1990-2009 cars only
Makes
🢒
Chevrolet
🢒
2007
🢒
Caprice WM
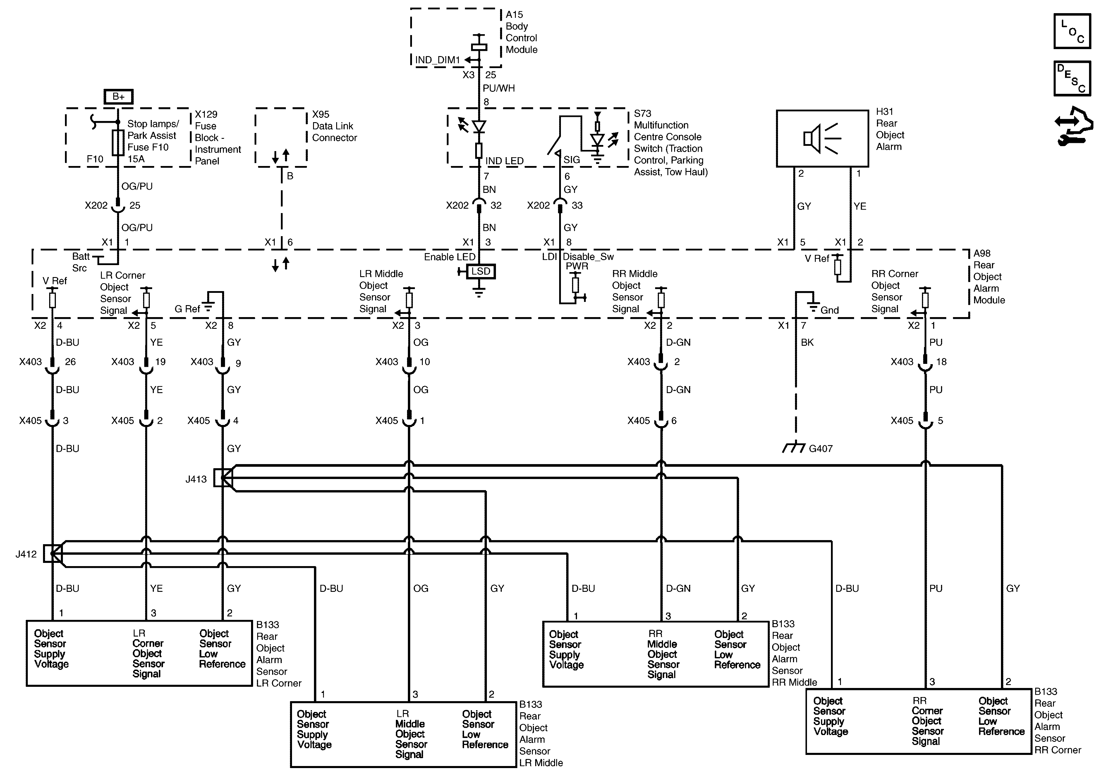
🢒 Rear Object Alarm, Module and Sensors, Inputs and Outputs
Rear Object Alarm, Module and Sensors, Inputs and Outputs
Rear Object Alarm, Module and Sensors, Inputs and Outputs
Master Electrical Component List
Object Detection Description and Operation SWBLHD
Control Module References
G305 - 2 of 2, G308 and G407