GM Service Manual Online
For 1990-2009 cars only
Makes
🢒
Chevrolet
🢒
2007
🢒
Caprice WM
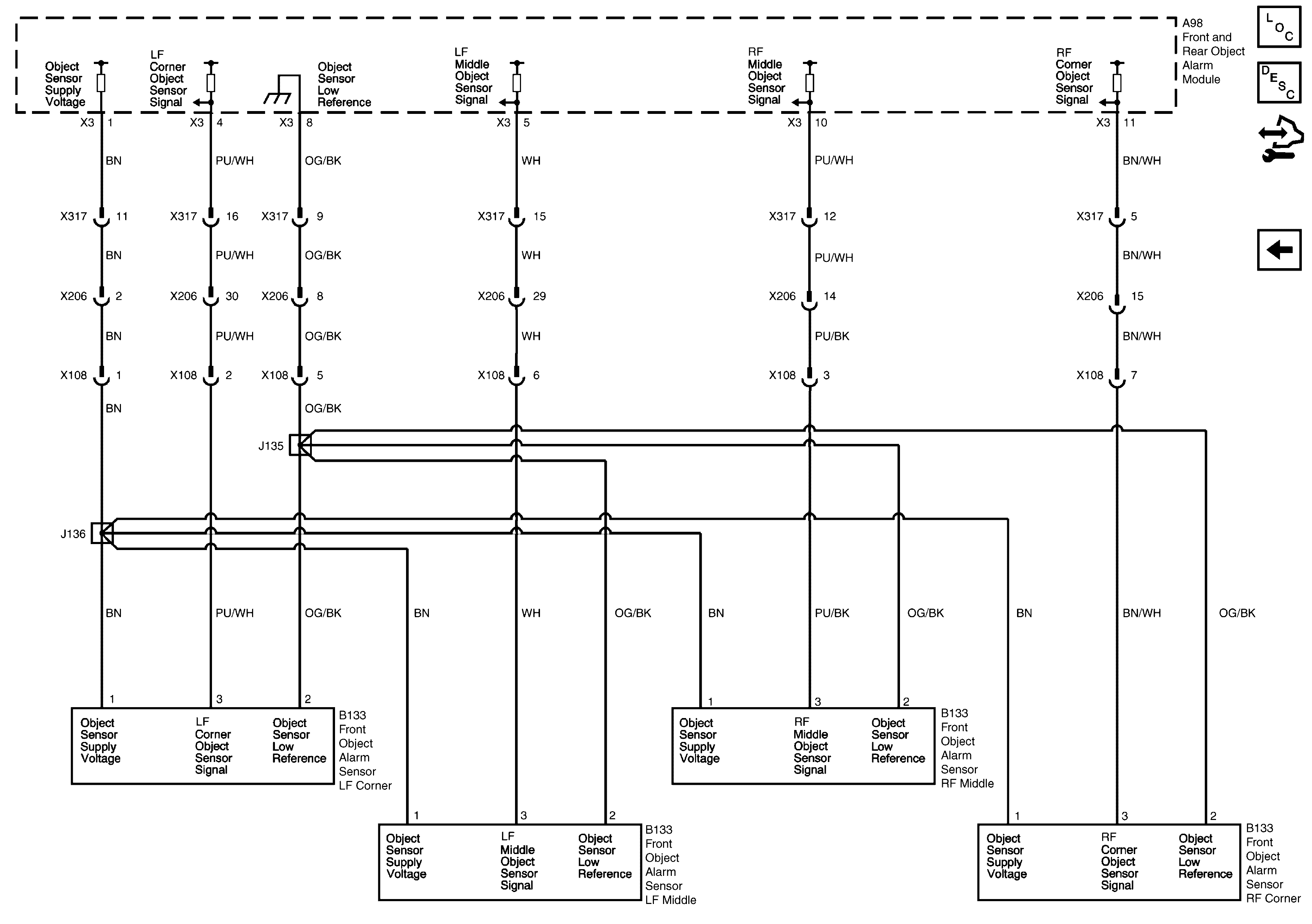
🢒 Front and Rear Object Alarm, Front Sensors
Front and Rear Object Alarm, Front Sensors
Front and Rear Object Alarm, Front Sensors
Master Electrical Component List
Object Detection Description and Operation LWB SWBRHD
Control Module References
Front and Rear Object Alarm, Module and Rear Sensors, Inputs and Outputs