GM Service Manual Online
For 1990-2009 cars only
Makes
🢒
Chevrolet
🢒
2007
🢒
Caprice WM
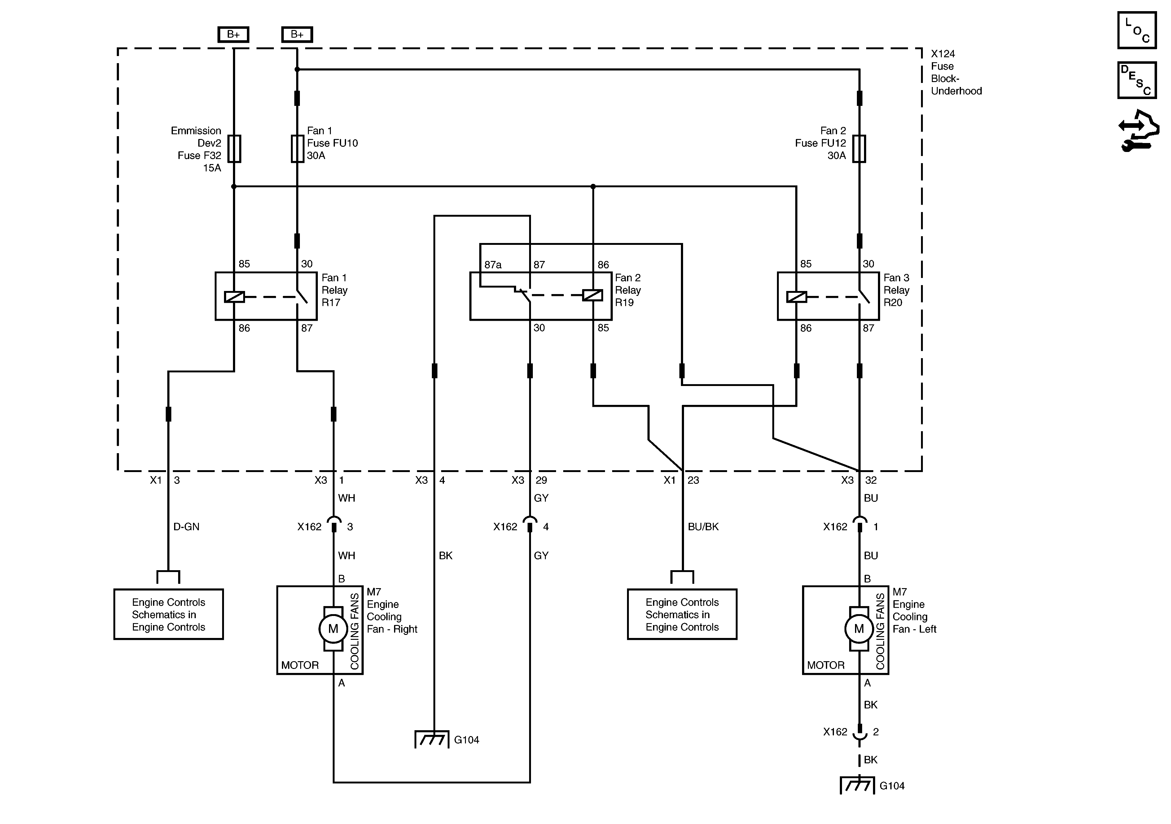
🢒 Cooling Fans and Relays
Cooling Fans and Relays
Cooling Fans and Relays
Master Electrical Component List
Cooling System Description and Operation
Control Module References
G104
G104
ECM Power, Ground and Serial Data
ECM Power, Ground and Serial Data