GM Service Manual Online
For 1990-2009 cars only
Makes
🢒
Chevrolet
🢒
2007
🢒
Caprice WM
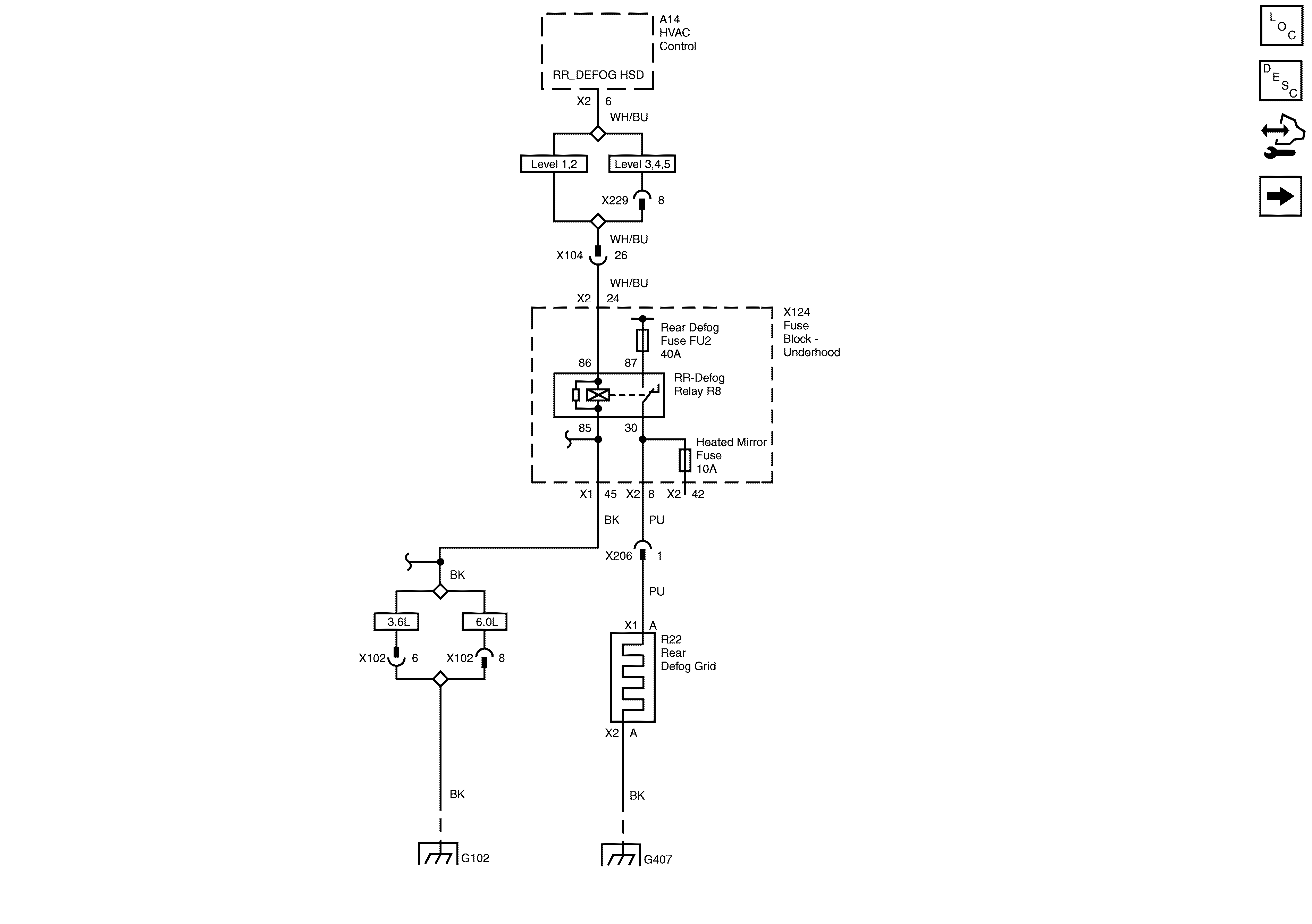
🢒 Rear Window Defog Grid Power and Ground
Rear Window Defog Grid Power and Ground
Rear Window Defog Grid Power and Ground
Master Electrical Component List
Control Module References