GM Service Manual Online
For 1990-2009 cars only
Makes
🢒
Chevrolet
🢒
2007
🢒
Caprice WM
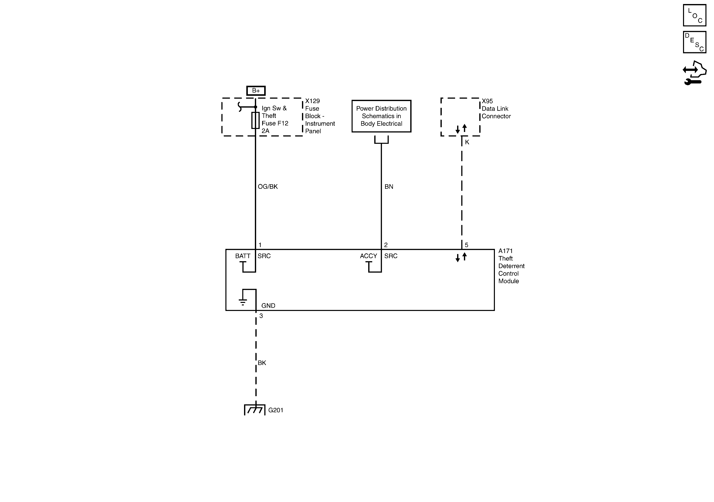
🢒 Theft Deterrent Module, Power, Ground, Serial Data
Theft Deterrent Module, Power, Ground, Serial Data
Theft Deterrent Module, Power, Ground, Serial Data
Master Electrical Component List
Theft Systems Description and Operation
Control Module References
G201 - 1 of 2
Batt Main 4, BCM Logic, Console Lighting, IGNSW/Theft and Stop Lamps/Park Assist Fuses and Ignition Switch