GM Service Manual Online
For 1990-2009 cars only
Makes
🢒
Chevrolet
🢒
2007
🢒
Caprice WM
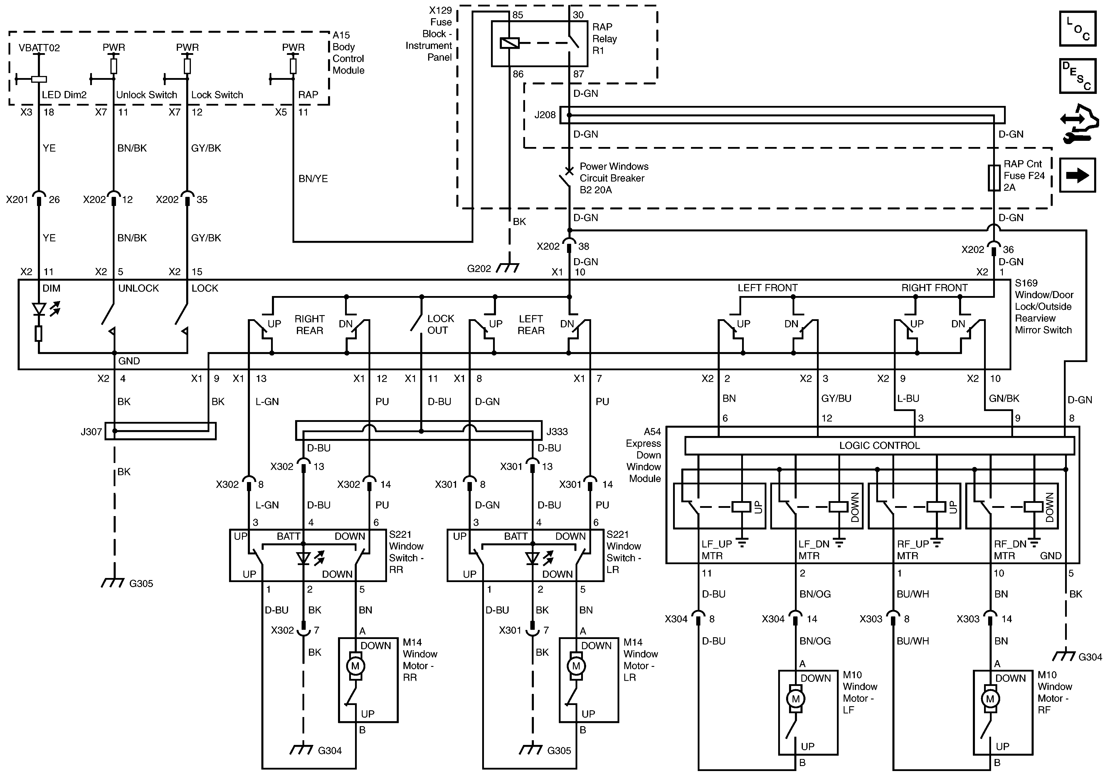
🢒 Power Window Switches and Motors and mdash Express Down
Power Window Switches and Motors and mdash Express Down
Power Window Switches and Motors -- Express Down
Master Electrical Component List
Control Module References