GM Service Manual Online
For 1990-2009 cars only
Makes
🢒
Chevrolet
🢒
2007
🢒
Caprice WM
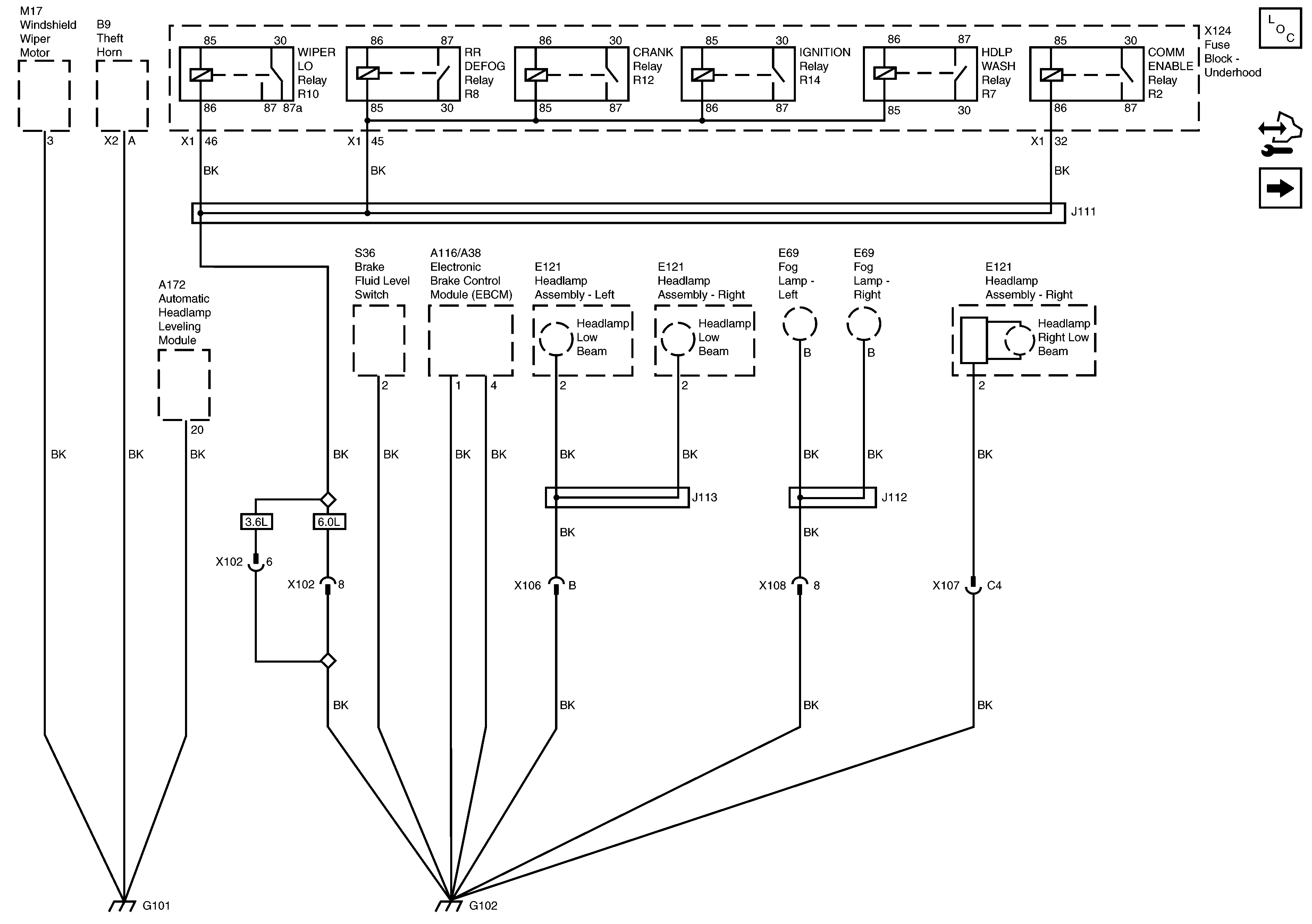
🢒 G101 and G102
G101 and G102
G101 and G102
Master Electrical Component List
Control Module References
G103, G106, G107, G108 and G109 (3.6L)