GM Service Manual Online
For 1990-2009 cars only
Makes
🢒
Chevrolet
🢒
2007
🢒
Caprice WM
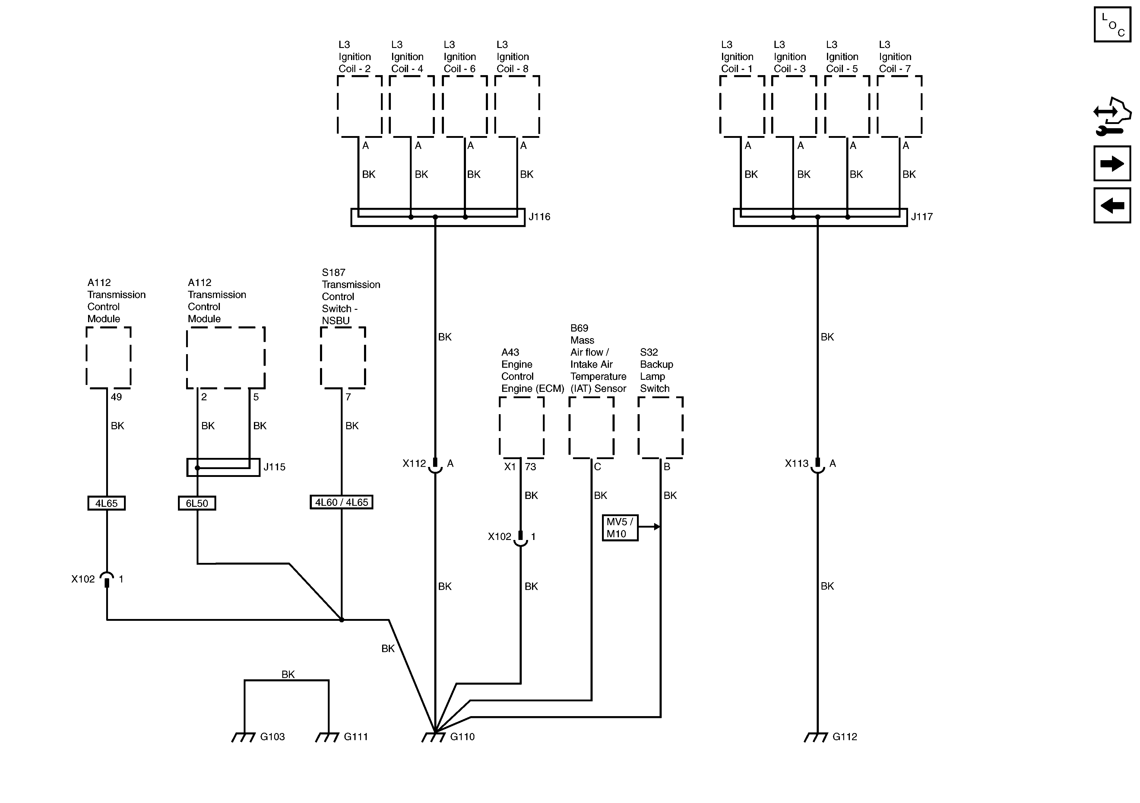
🢒 G103, G110, G111 and G112 (6.0L)
G103, G110, G111 and G112 (6.0L)
G103, G110, G111 and G112 (6.0L)
Master Electrical Component List
Control Module References
G104
G103, G106, G107, G108 and G109 (3.6L)