GM Service Manual Online
For 1990-2009 cars only
Makes
🢒
Chevrolet
🢒
2007
🢒
Caprice WM
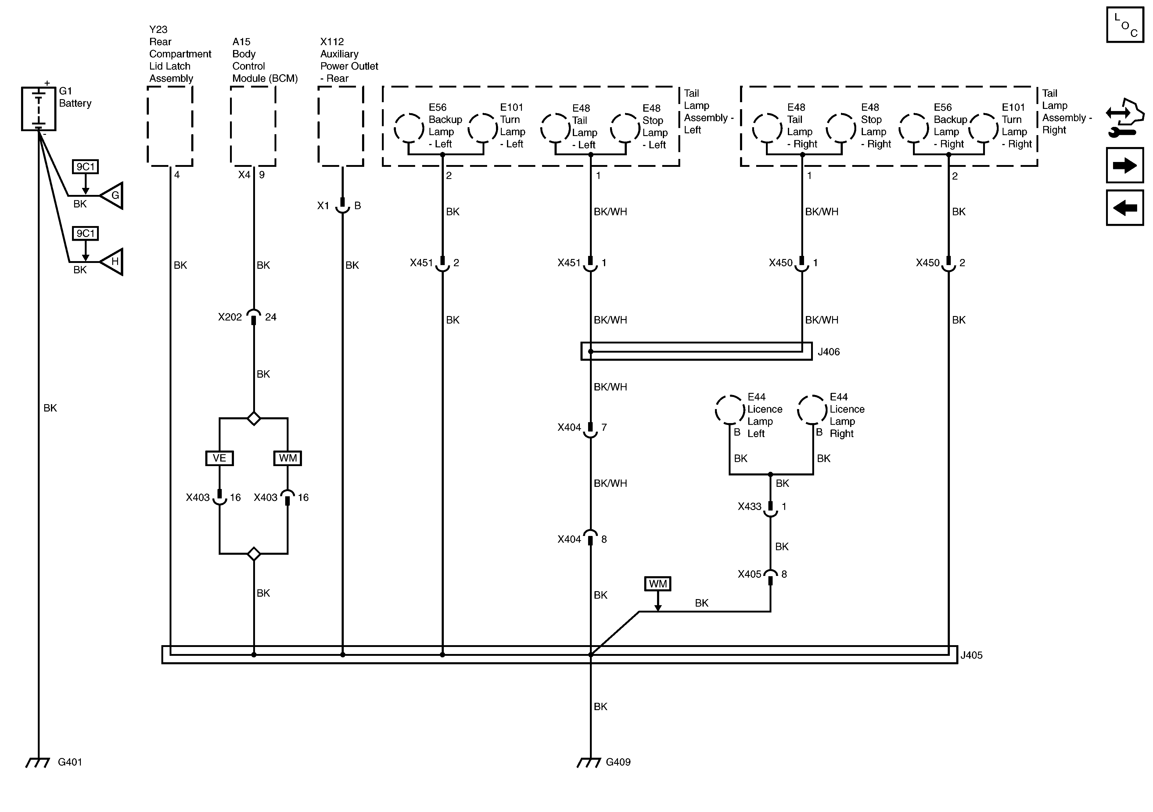
🢒 G401 and G409
G401 and G409
G401 and G409
Master Electrical Component List
Control Module References
AUX 1 and AUX 2 Ground Connectors (9C1)
G305 - 2 of 2, G308 and G407
AUX 1 and AUX 2 Ground Connectors (9C1)
AUX 1 and AUX 2 Ground Connectors (9C1)
G401 and G409
G401 and G409