GM Service Manual Online
For 1990-2009 cars only
Makes
🢒
Chevrolet
🢒
2007
🢒
Caprice WM
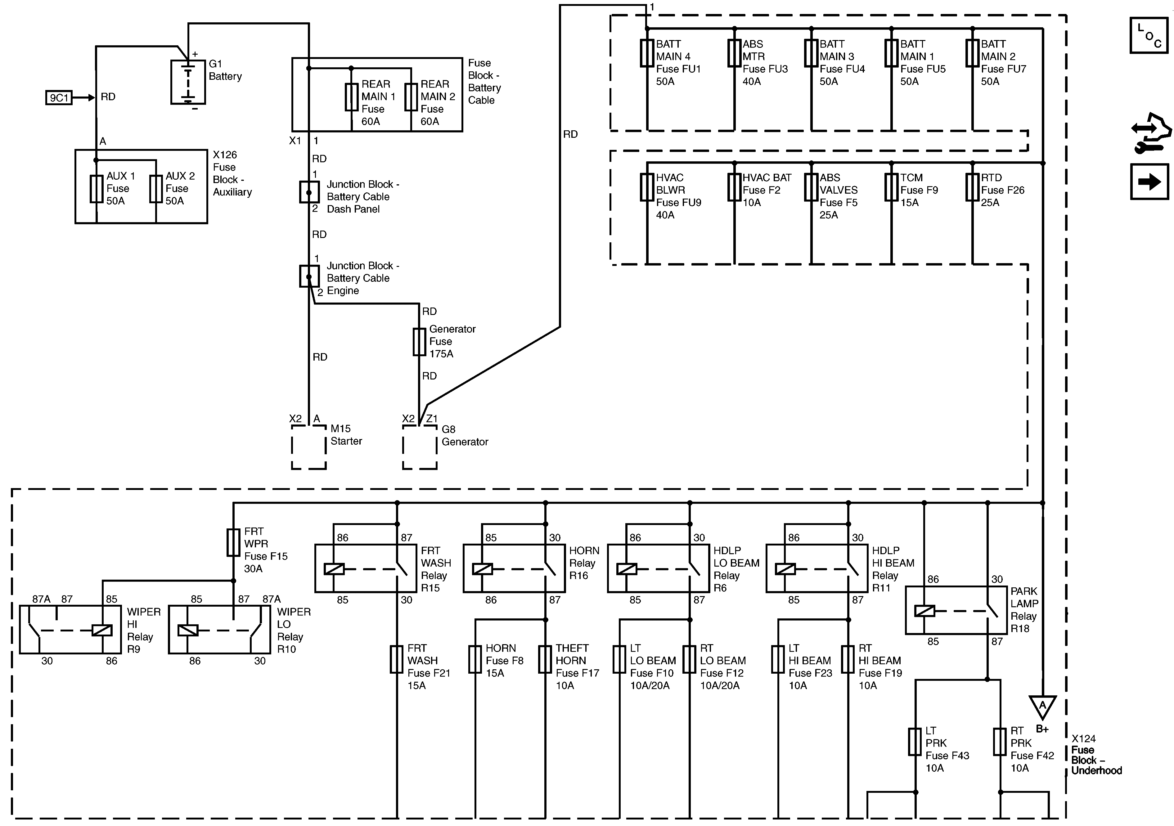
🢒 B+ Bus - 1 of 2
B+ Bus - 1 of 2
B+ Bus - 1 of 2
Master Electrical Component List
Control Module References
B+ Bus - 2 of 2
B+ Bus - 2 of 2