GM Service Manual Online
For 1990-2009 cars only
Makes
🢒
Chevrolet
🢒
2007
🢒
Caprice WM
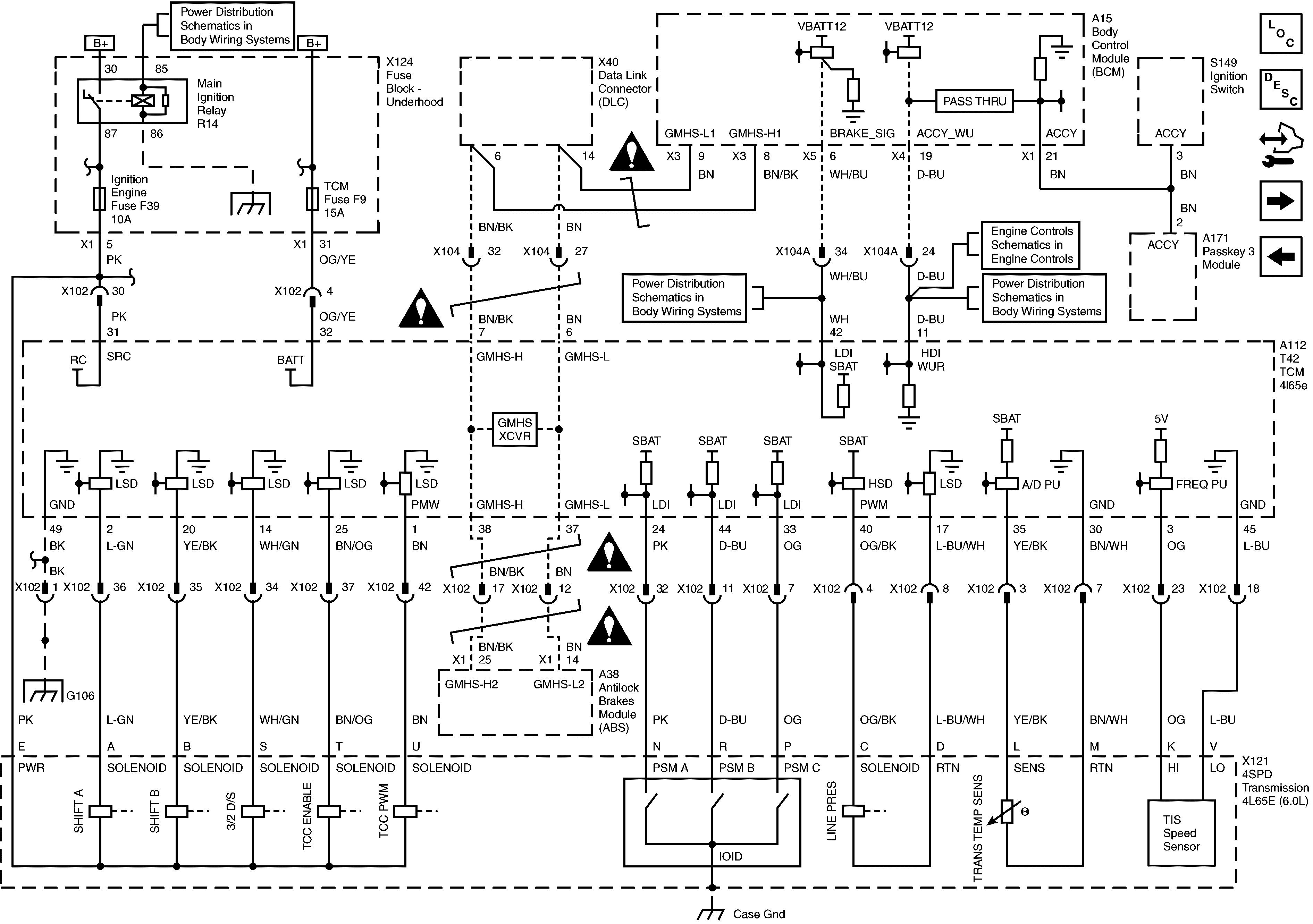
🢒 TCM and Transmission, Power, Ground, Serial Data, Inputs and Outputs
TCM and Transmission, Power, Ground, Serial Data, Inputs and Outputs
TCM and Transmission, Power, Ground, Serial Data, Inputs and Outputs
Master Electrical Component List
Transmission General Information
Control Module References
NSBU Switch and TOSS Sensor
NSBU Switch and TOSS Sensor
Automatic Transmission Schematic Icons
Automatic Transmission Schematic Icons
Automatic Transmission Schematic Icons
ECM Power, Ground and Serial Data
ECM Power, Ground and Serial Data
B+ Bus - 2 of 2
Batt Main 4, BCM Logic, Console Lighting, IGNSW/Theft and Stop Lamps/Park Assist Fuses and Ignition Switch
Batt Main 4, BCM Logic, Console Lighting, IGNSW/Theft and Stop Lamps/Park Assist Fuses and Ignition Switch