GM Service Manual Online
For 1990-2009 cars only
Figure 1:

Radio Power, Ground, and Serial Data


Object Number: 2154221  Size: FS
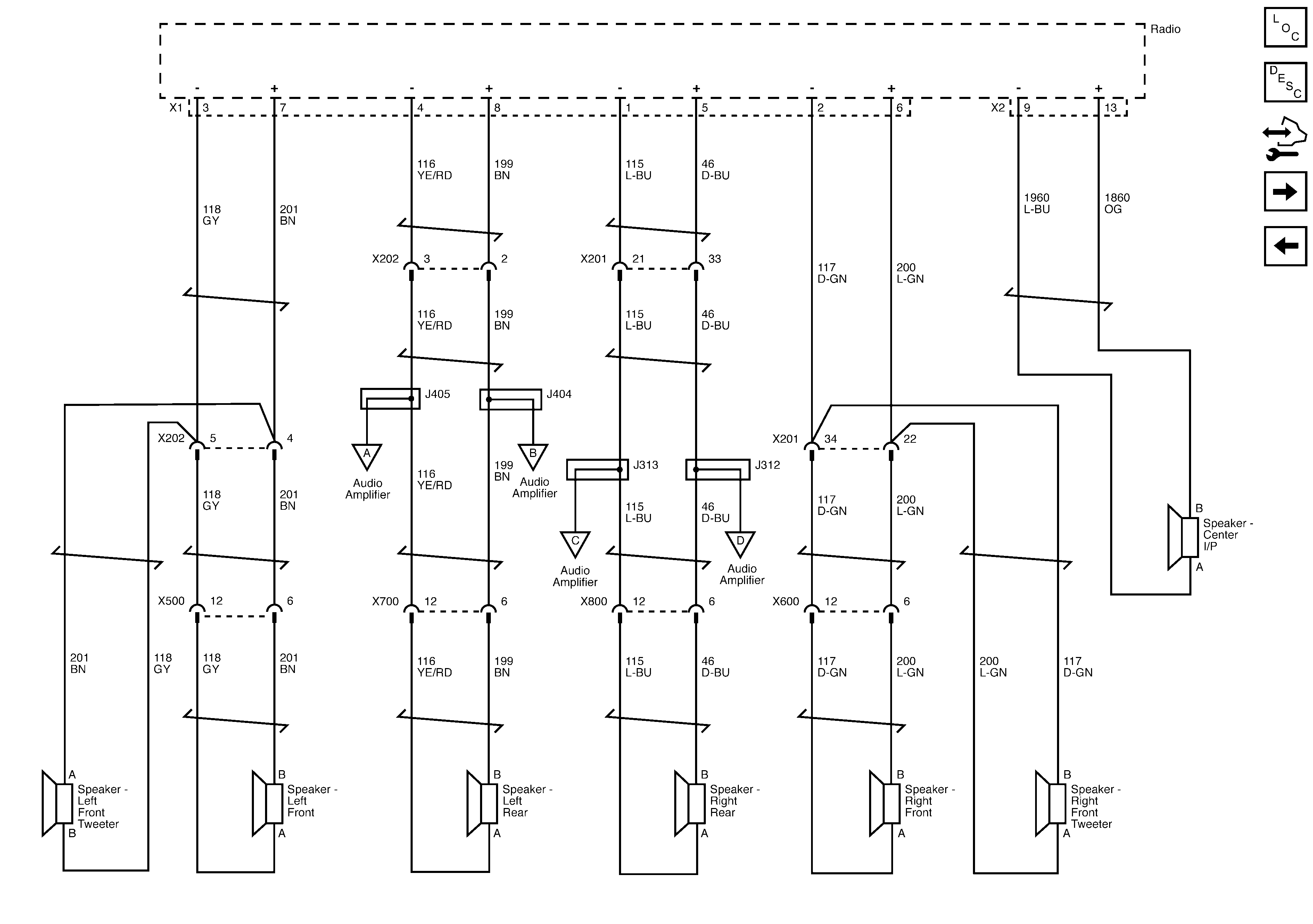
Figure 2:

Speakers (except UWP)


Object Number: 2154225  Size: FS
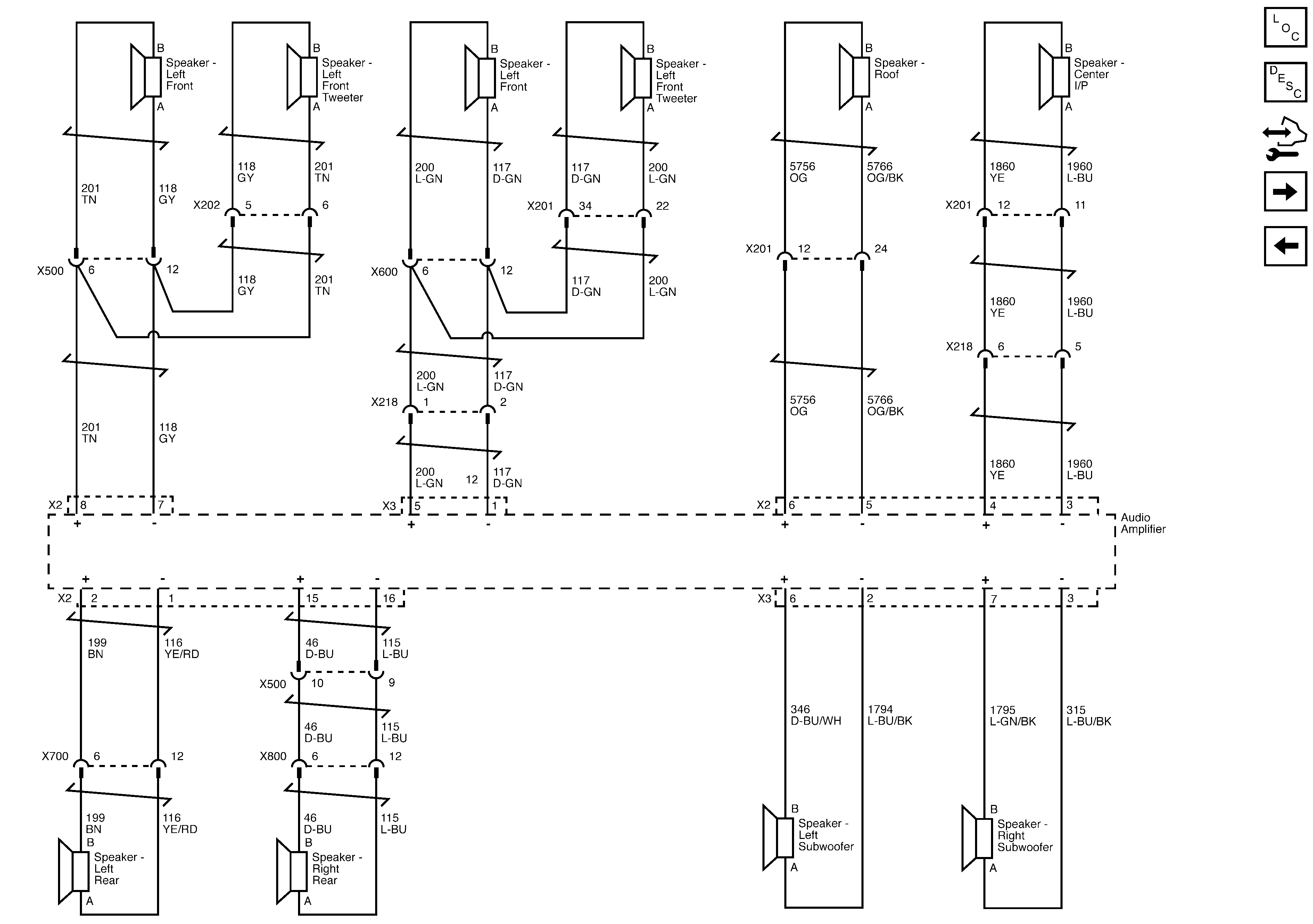
Figure 3:

Amplifier (UWP)


Object Number: 2154227  Size: FS
Figure 4:

Speakers (UWP)


Object Number: 2154229  Size: FS
Figure 5:

Amplifier (UQ7)


Object Number: 2137107  Size: FS
Figure 6:

Speakers (UQ7)


Object Number: 2137116  Size: FS