GM Service Manual Online
For 1990-2009 cars only
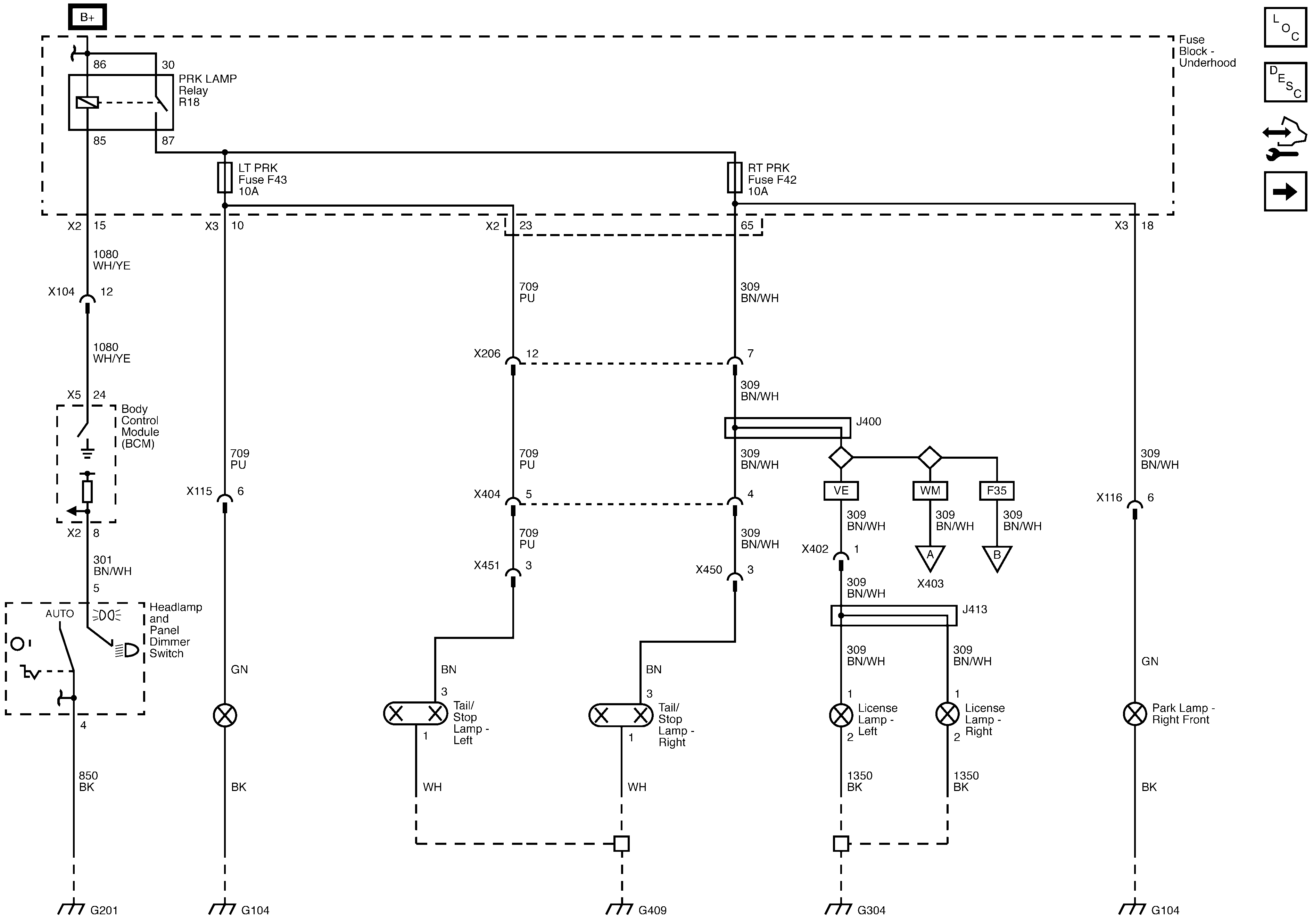
Figure 1:

Parklamps - 1 of 2


Object Number: 2145864  Size: FS
Figure 2:

Parklamps - 2 of 2


Object Number: 2145541  Size: FS
Figure 3:

Exterior Illumination Lamps


Object Number: 2145846  Size: FS
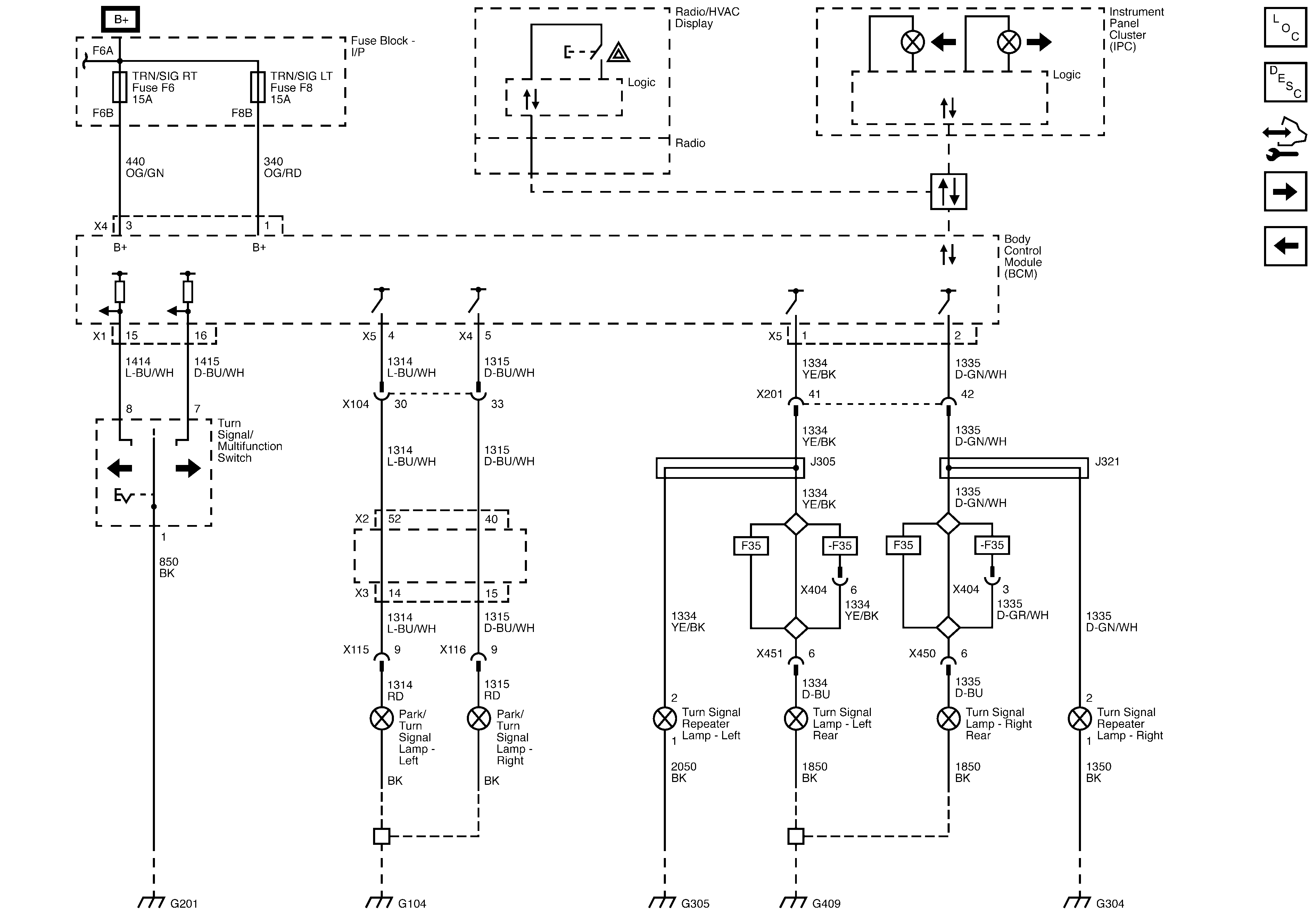
Figure 4:

Turn Signal Lamps


Object Number: 2145884  Size: FS
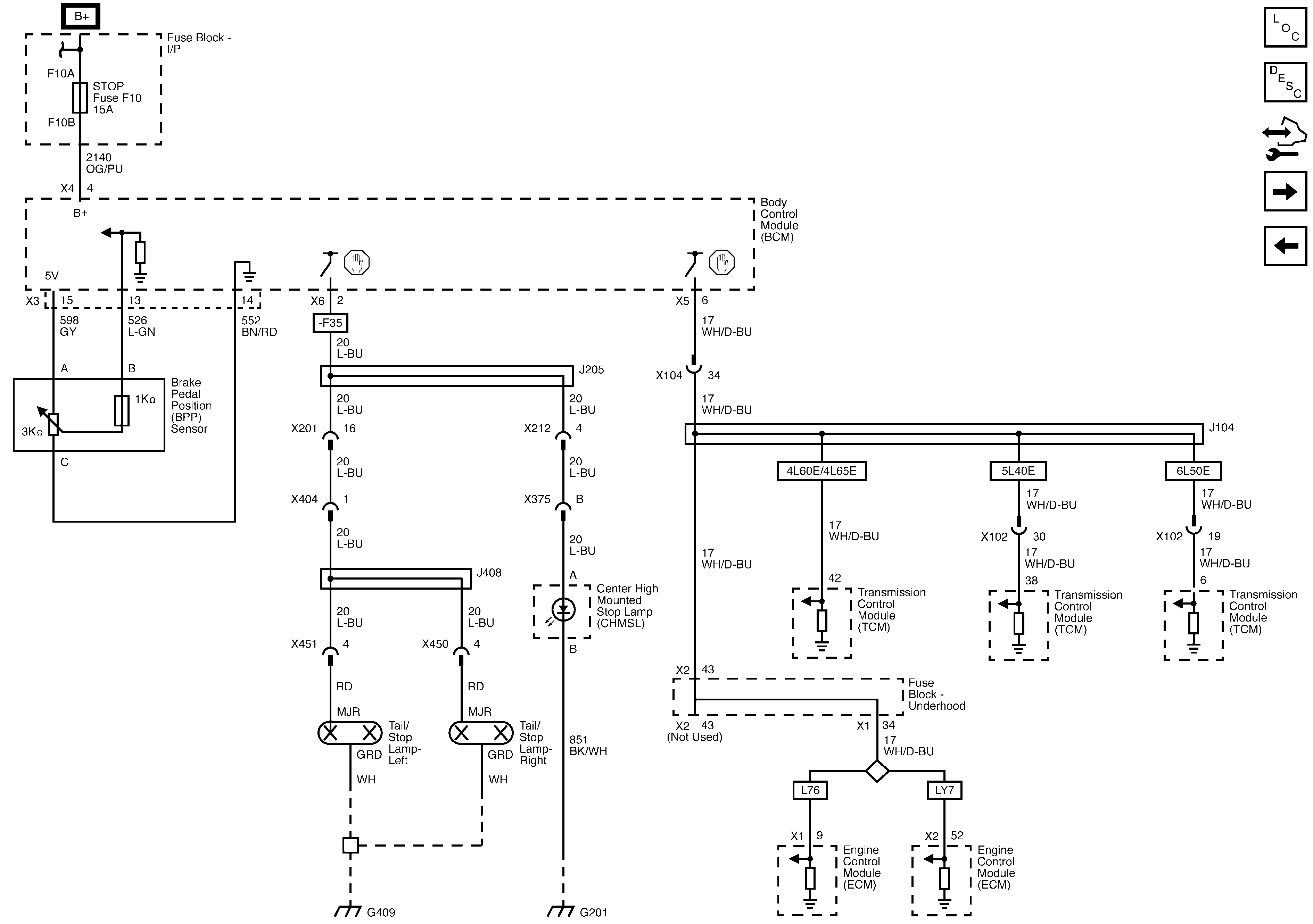
Figure 5:

Stop Lamps - 1 of 2


Object Number: 2145853  Size: FS
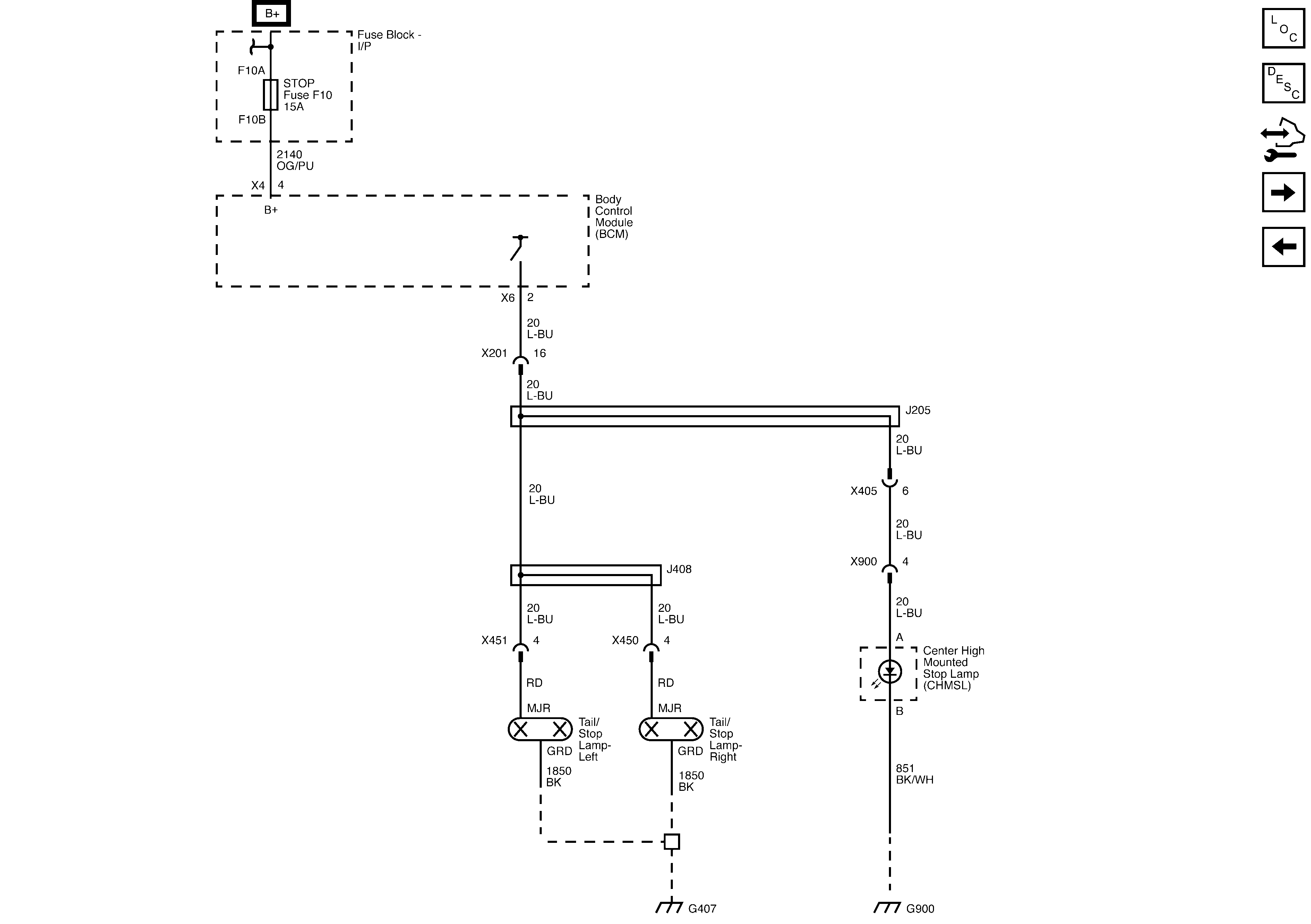
Figure 6:

Stop Lamps - 2 of 2


Object Number: 2145838  Size: FS
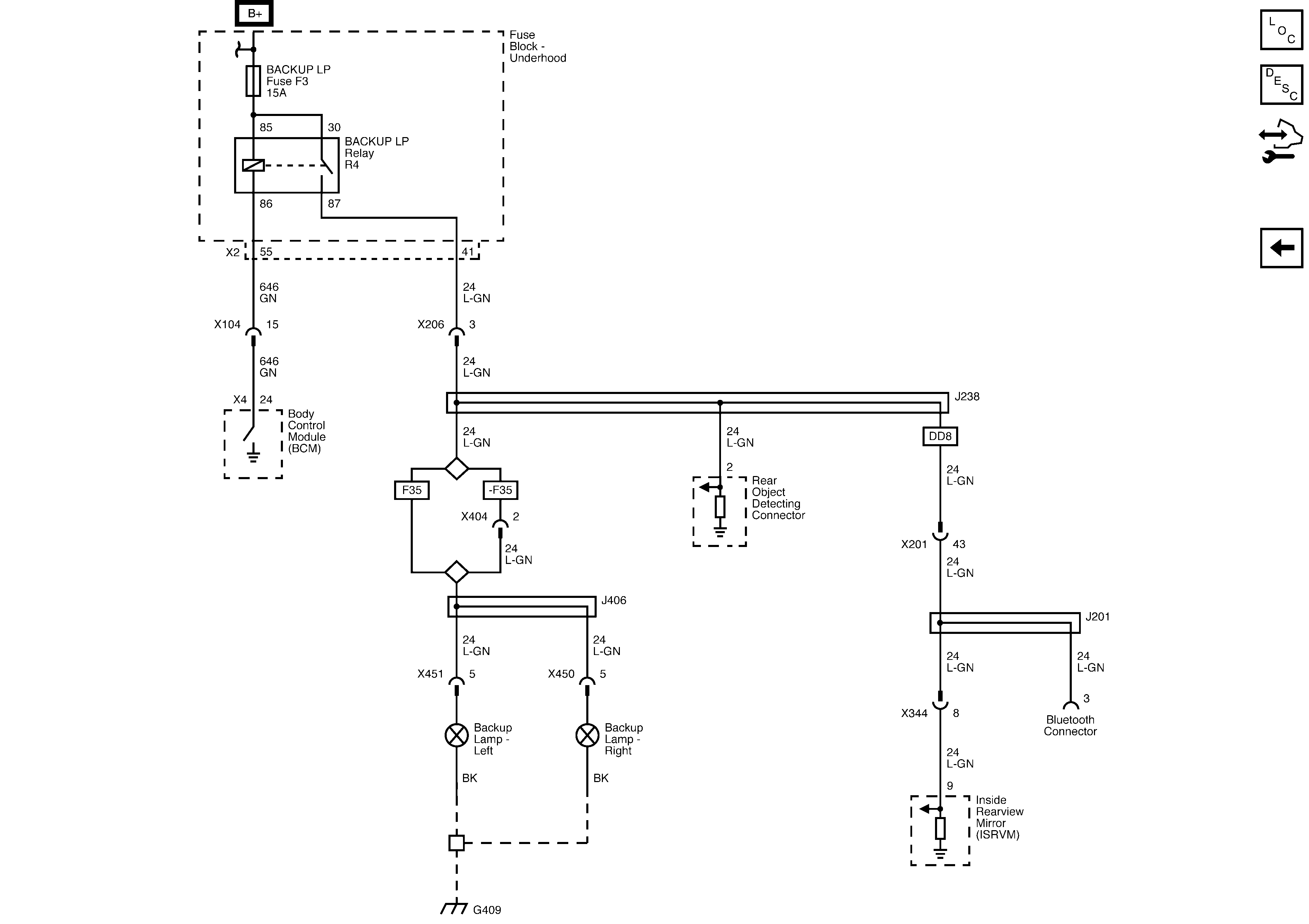
Figure 7:

Backup Lamps


Object Number: 2145857  Size: FS