GM Service Manual Online
For 1990-2009 cars only
Makes
🢒
Chevrolet
🢒
2008
🢒
Caprice WM
🢒
HVAC
🢒
HVAC - Automatic
🢒 HVAC Schematics
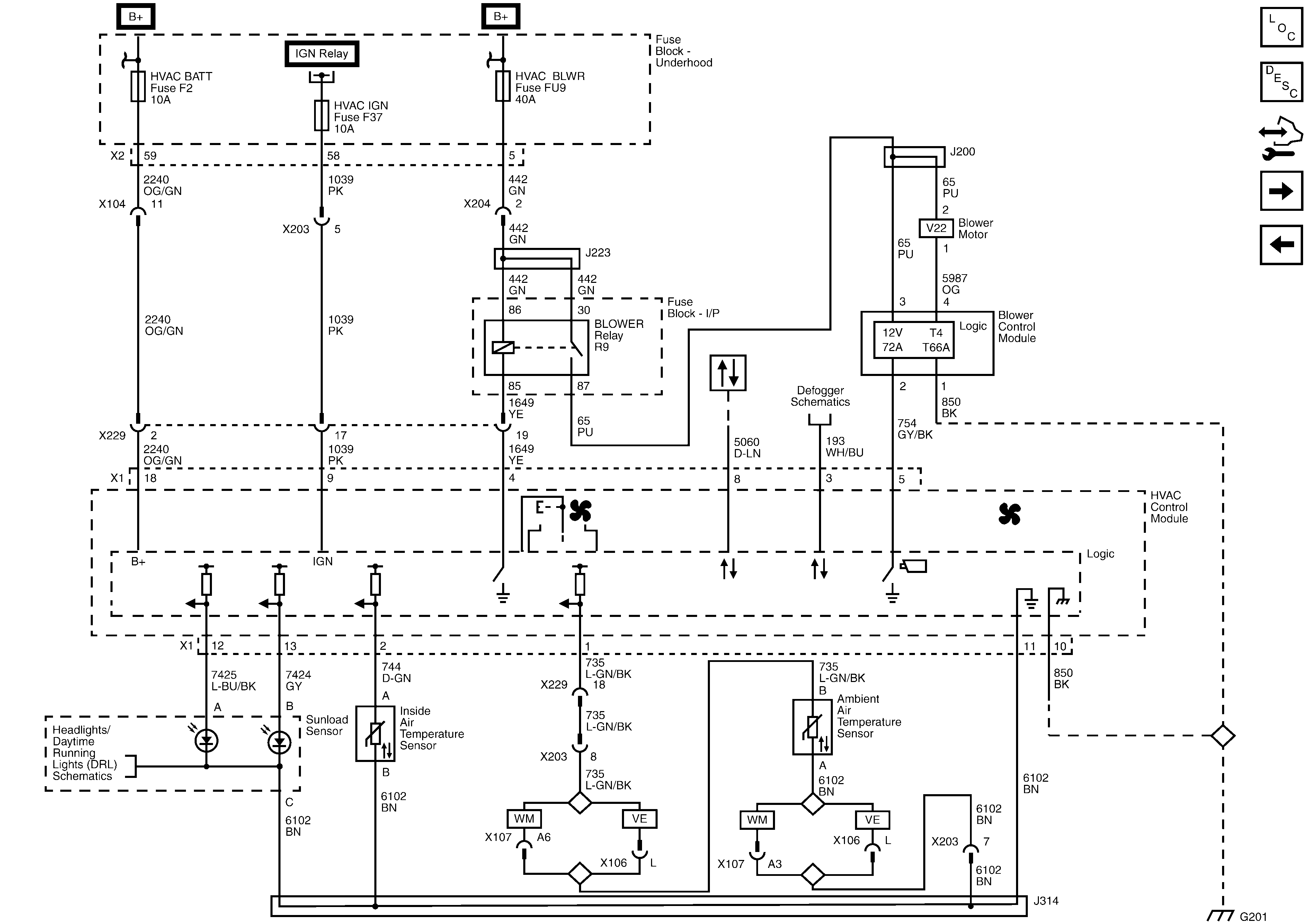
Figure
1:
HVAC Module, Power, Ground, Serial Data, Temperature Sensors. and Blower Control (Except BRL)
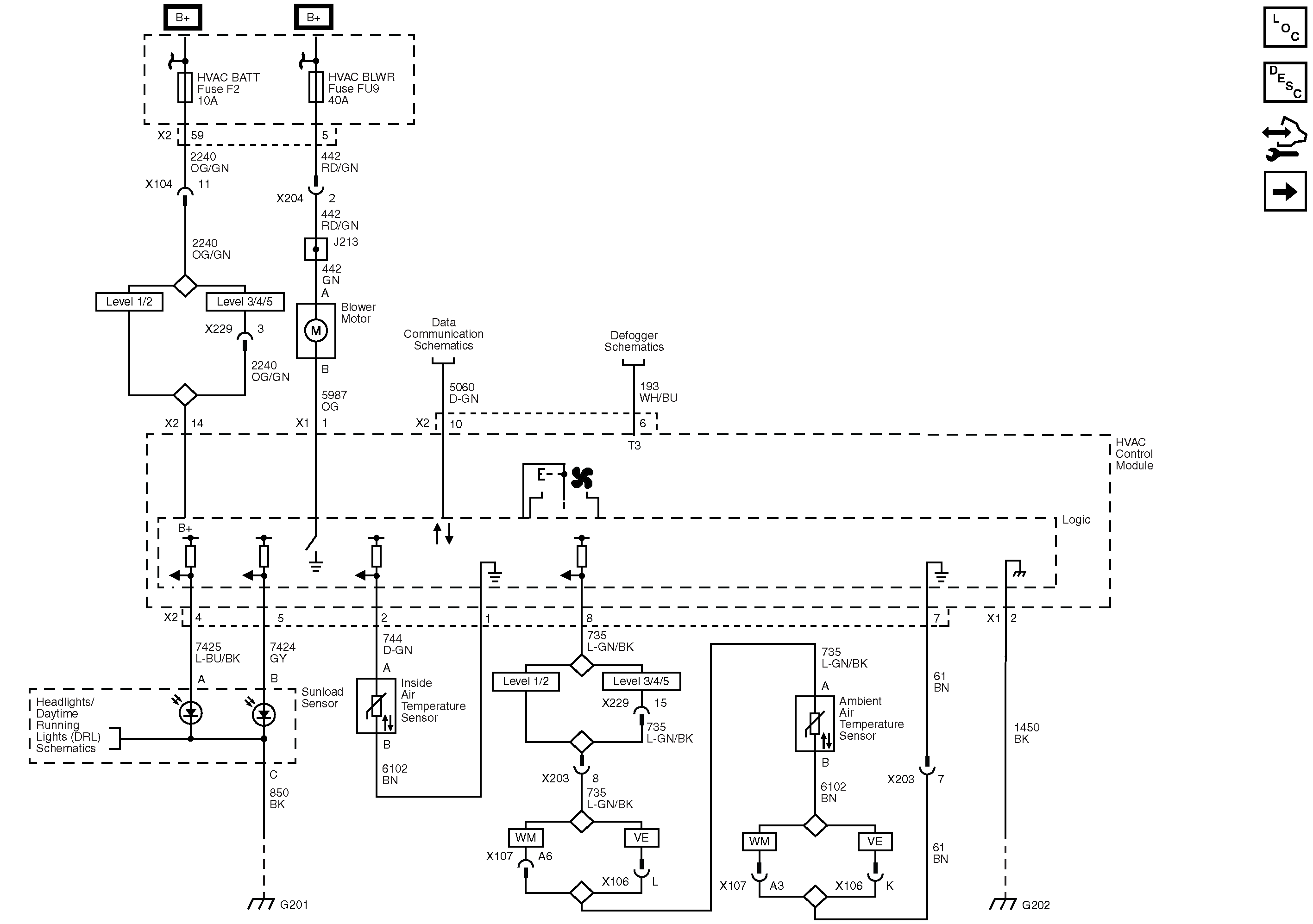
Figure
2:
HVAC Module, Power, Ground, Serial Data, Temperature Sensors, and Blower Control (BRL)
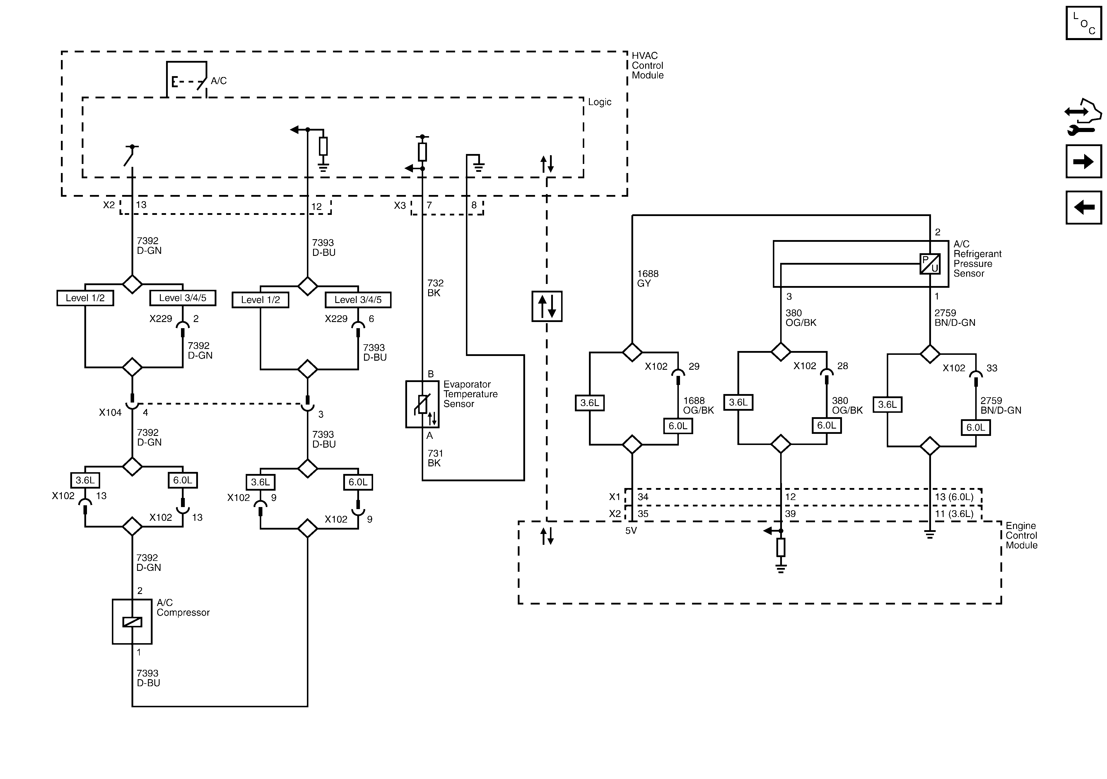
Figure
3:
Compressor Controls
Figure
4:
Air Delivery Controls - 1 of 2
Figure
5:
Air Delivery Controls - 2 of 2
Figure
6:
Rear Seat Controls