GM Service Manual Online
For 1990-2009 cars only
Makes
🢒
Chevrolet
🢒
2008
🢒
Caprice WM
🢒
Safety and Security
🢒
Object Detection
🢒 Object Detection Schematics
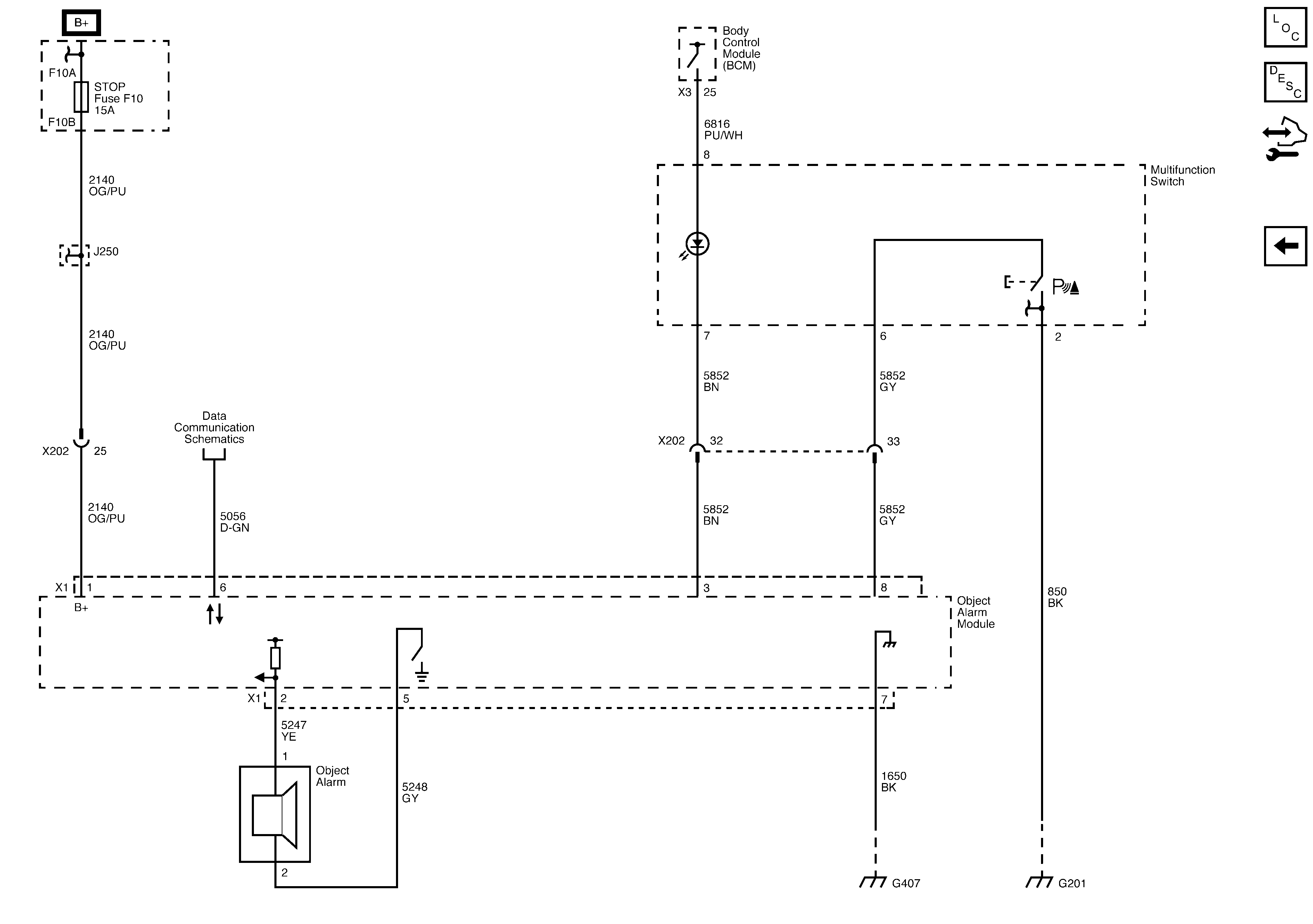
Figure
1:
Power, Ground, Serial Data, Alarm, and Controls
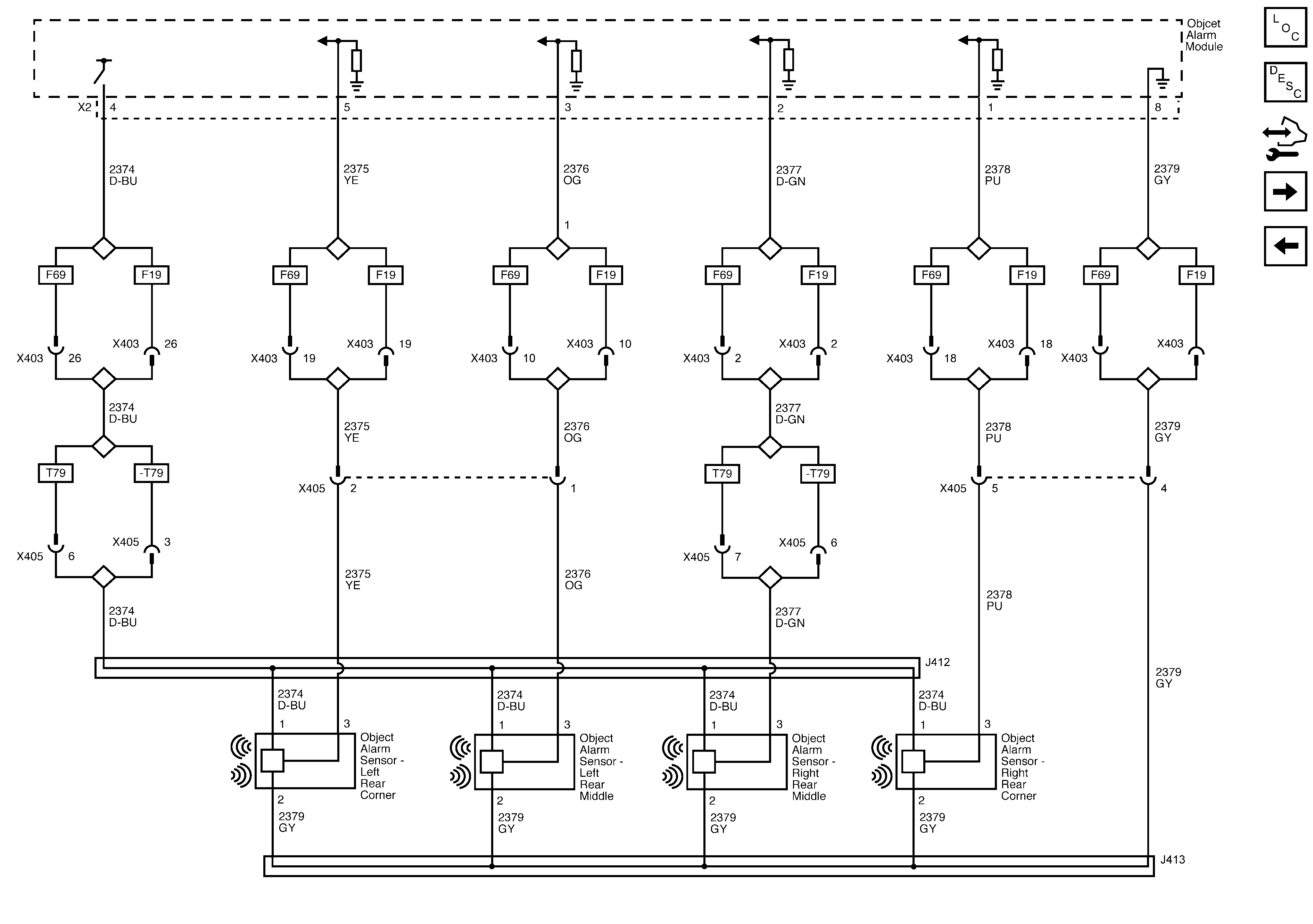
Figure
2:
Sensors (UFR with UD7)
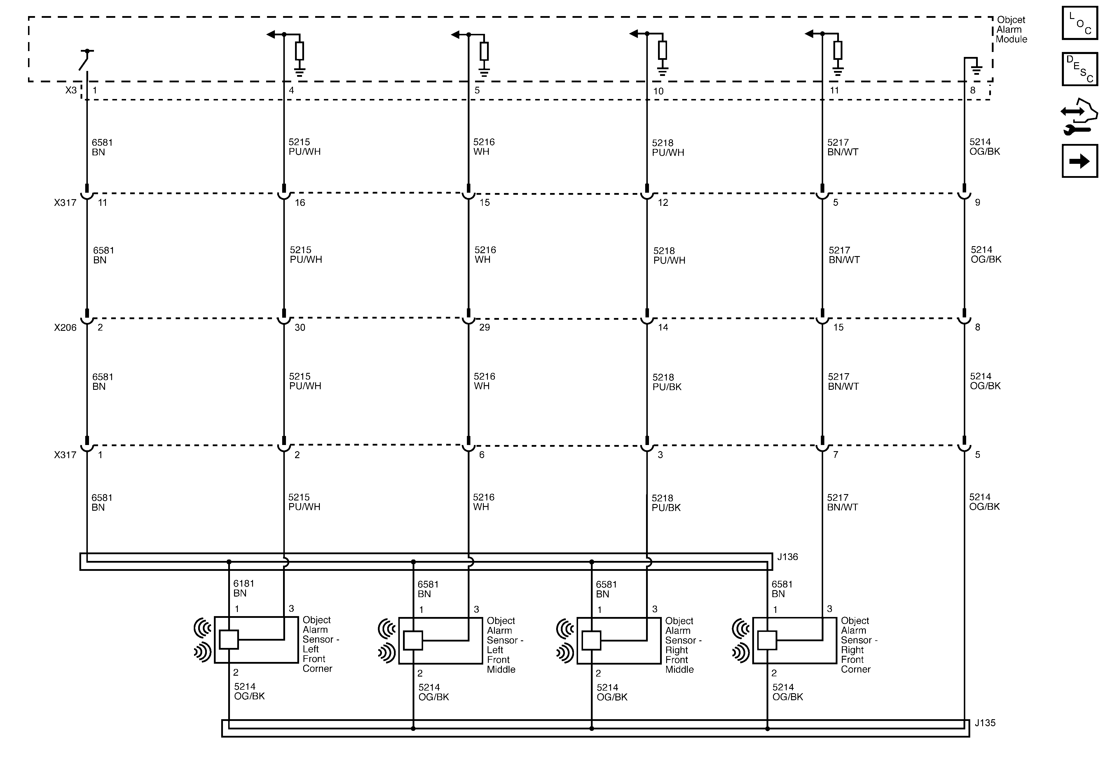
Figure
3:
Sensors (UFR Except UD7)