GM Service Manual Online
For 1990-2009 cars only
Makes
🢒
Chevrolet
🢒
2008
🢒
Caprice WM
🢒
Safety and Security
🢒
Seat Belts
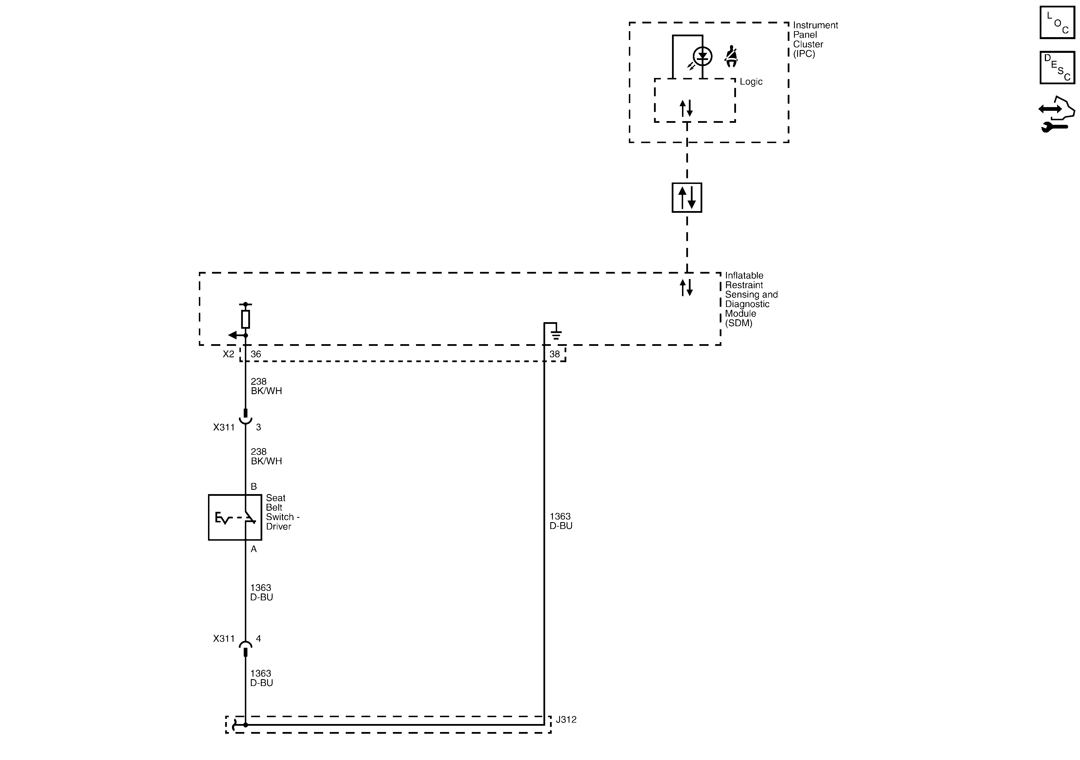
🢒 Seat Belt Schematics