GM Service Manual Online
For 1990-2009 cars only
Makes
🢒
Chevrolet
🢒
2009
🢒
Caprice WM
🢒
Diagnostic Navigation
🢒
Vehicle Diagnostic Information
🢒 Moveable Window Schematics
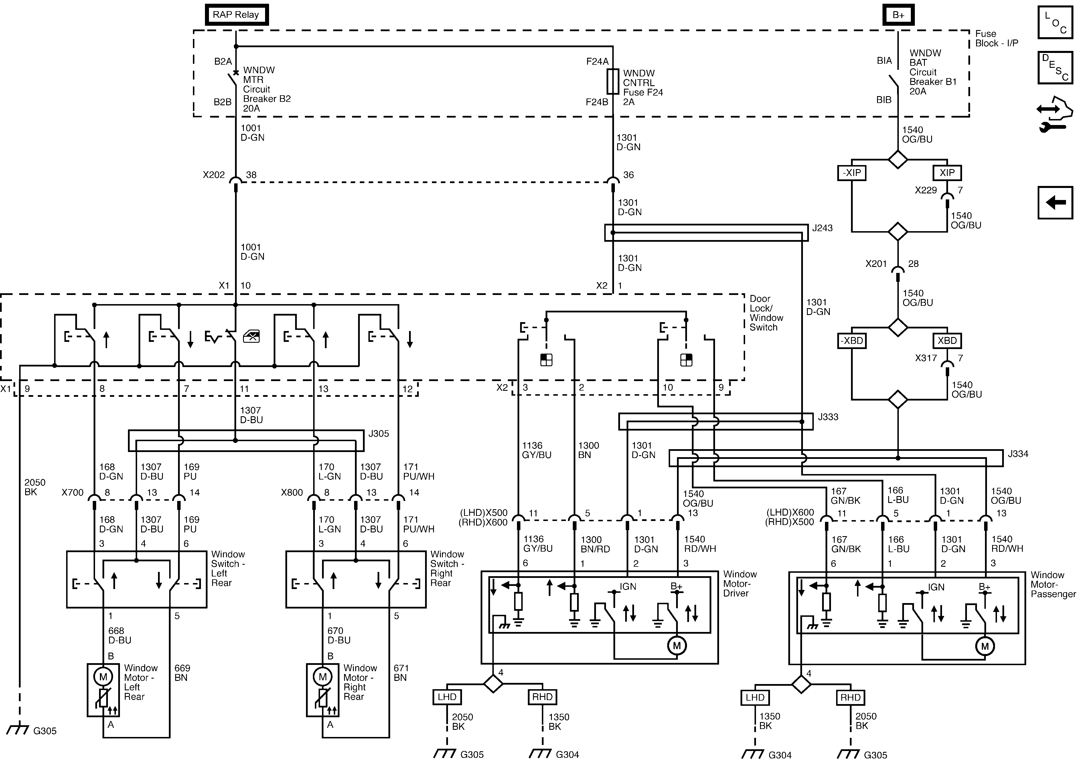
Figure
1:
WNA
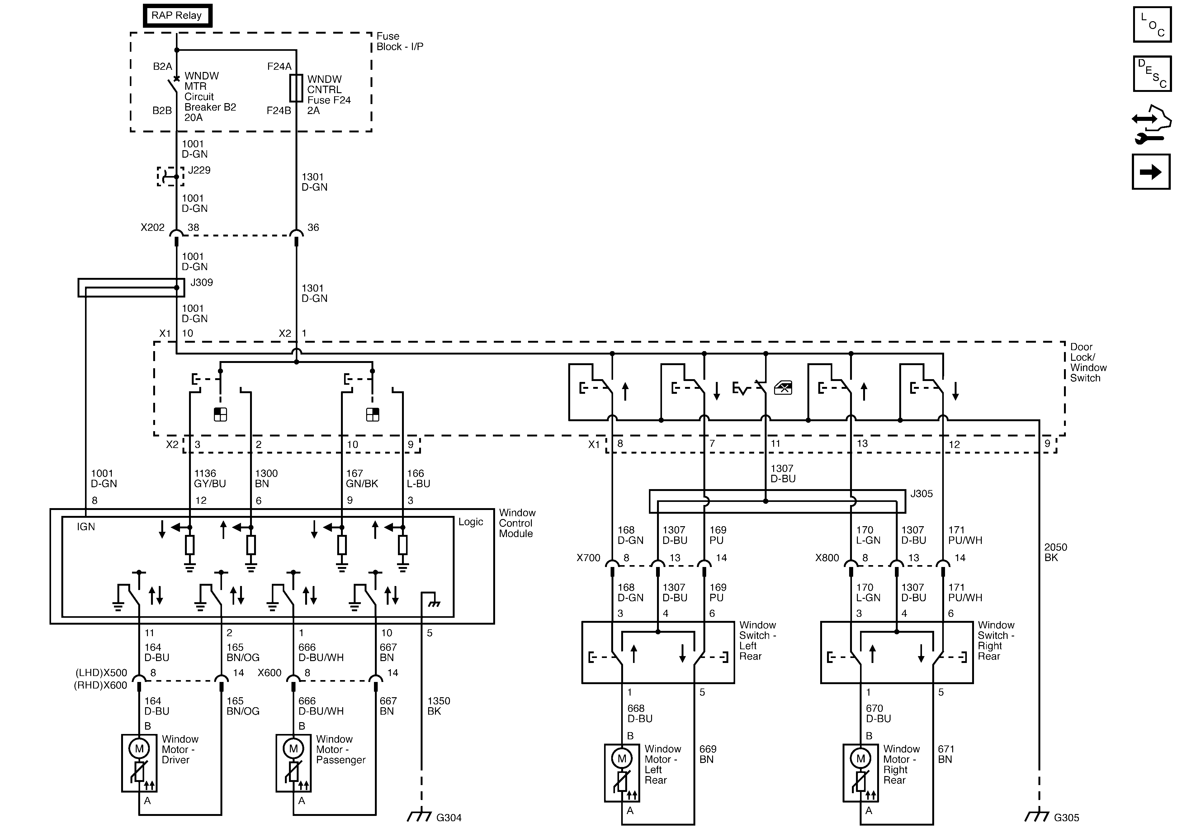
Figure
2:
WNB