GM Service Manual Online
For 1990-2009 cars only
Makes
🢒
Chevrolet
🢒
2009
🢒
Caprice WM
🢒
Diagnostic Navigation
🢒
Vehicle Diagnostic Information
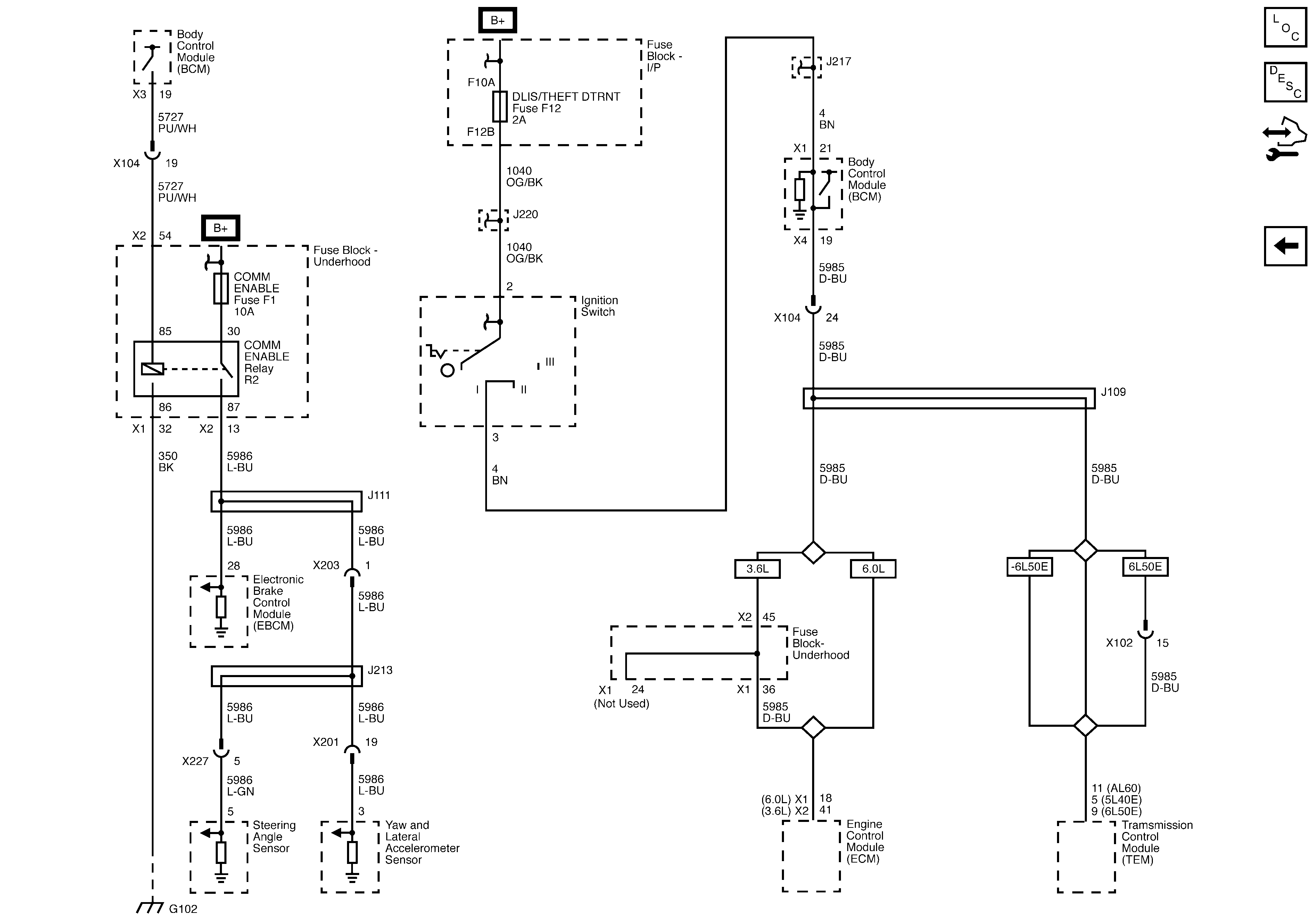
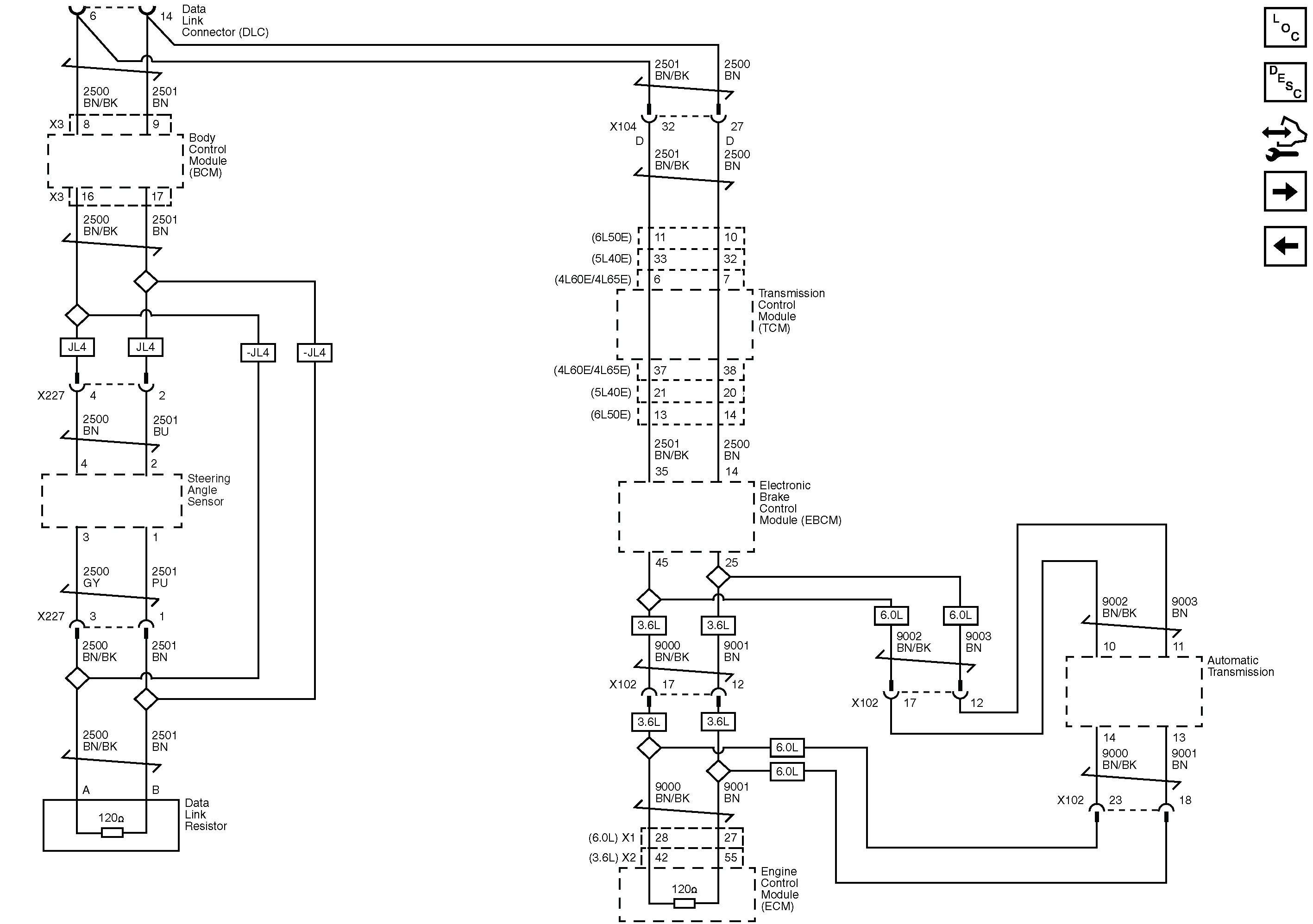
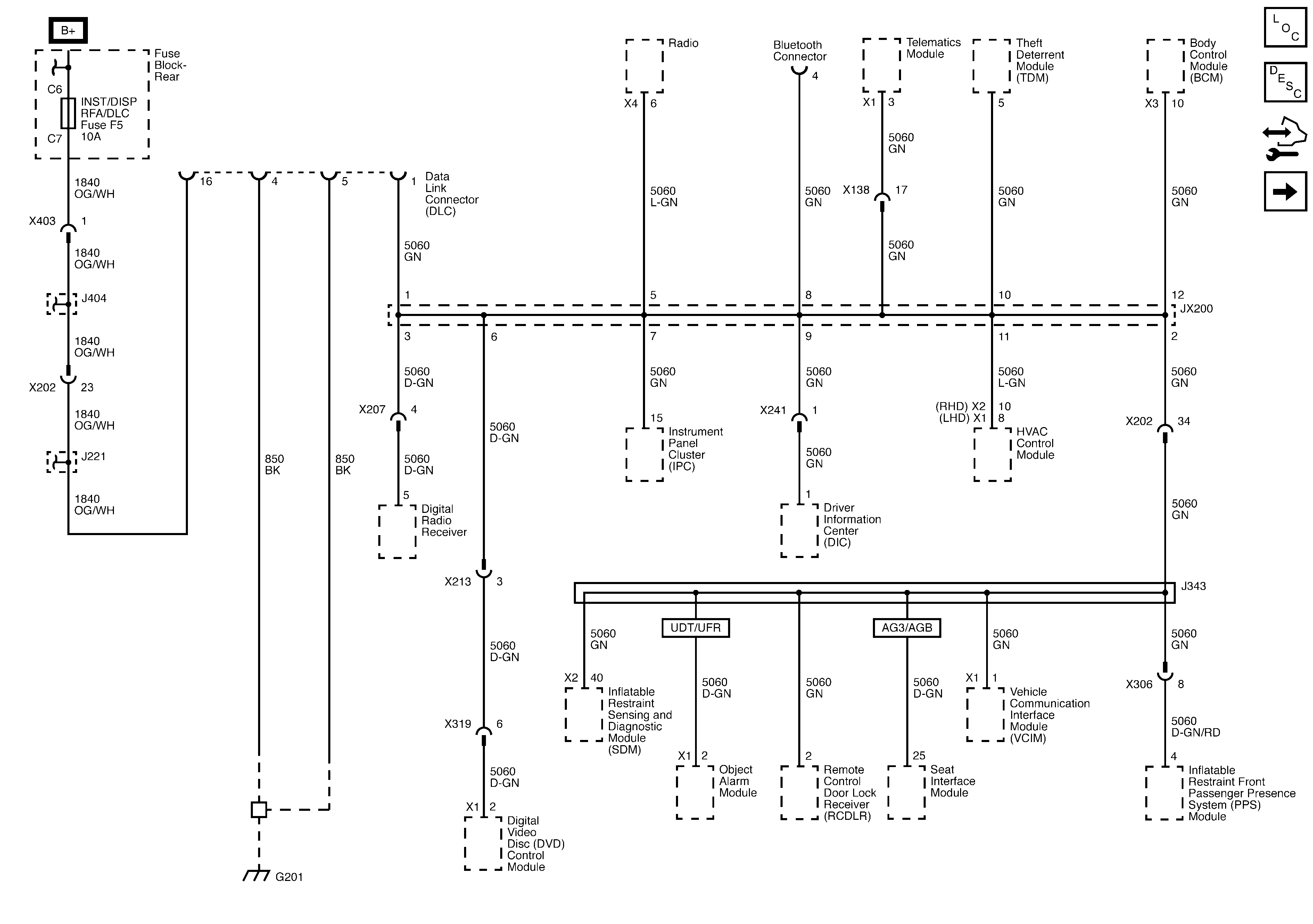
🢒 Data Communication Schematics
Figure
1:
Low Speed
Figure
2:
High Speed
Figure
3:
Accessory Wakeup Serial Data