GM Service Manual Online
For 1990-2009 cars only

Tools Required

    • KM-468 Holding Tool.
    • J-22912-01 Press Plates.
    • J 22610 Keystone Pliars.
    • 7208 Rear Axle Remover.

Removal Procedure

    Caution: Refer to Safety Glasses Caution in the Preface section.

    Caution: Refer to Vehicle Lifting Caution in the Preface section.

  1. Raise and support the vehicle. Refer to Lifting and Jacking the Vehicle.
  2. Remove the rear tyre and wheel assemblies. Refer to Tire and Wheel Removal and Installation.

  3. Object Number: 1947002  Size: SH
  4. Install the KM-468 (1) to the wheel hub (2) with two inverted wheel nuts (3).
  5. Support the KM-468 (1) outer end on a safety stand.

  6. Object Number: 1947000  Size: SH

    Important: Use a suitable tool to release the crimping on the wheel drive shaft retaining nut.

    Important: The wheel drive shaft retaining nut (1) must be discarded after removal.

  7. Remove the wheel drive shaft retaining nut (1).
  8. Discard the nut.

  9. Remove the wheel drive shaft washer (2).
  10. Discard the washer.

  11. Remove the KM-468 from the wheel hub.

  12. Object Number: 1947013  Size: SH
  13. Disconnect the wheel speed sensor electrical connector (1).
  14. Detach the wheel speed sensor wiring harness mounting clip (2) from the knuckle (3).

  15. Object Number: 1943693  Size: SH

    Important: Using a suitable tool, detach the rear park brake cable and clevis (1) from the park brake actuator (2) by pivoting the rear park brake cable and clevis (1) rearward.

  16. Detach the rear park brake cable and clevis (1) from the park brake actuator (2).
  17. Important: Remove the outer cable (4) from the rear knuckle (3) by pulling the outer cable (4) forward.

  18. Remove the outer cable (4) from the rear knuckle (3).

  19. Object Number: 1946998  Size: SH

    Important: Nuts with micro-encapsulated thread sealant must be discarded after removal.

  20. Remove the lower control arm to knuckle retaining bolt (2) and nut (1).
  21. Discard the nut.


    Object Number: 1947010  Size: SH
  22. Remove the I-Link to knuckle retaining bolt (1) and washer (2).

  23. Object Number: 1946995  Size: SH
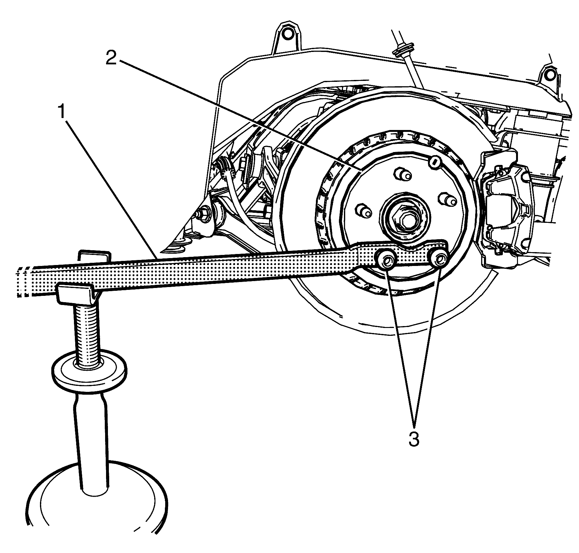
  24. Remove the Y-Link to the knuckle retaining bolt (2) and nut (1).
  25. Discard the nut.


    Object Number: 1947008  Size: SH

    Important: Do not hammer the end of the wheel drive shaft to remove use 7208 .

  26. Use 7208 to remove the wheel drive shaft (1) from the wheel hub assembly (2).
  27. Place a suitable container under the differential in order to collect draining fluid.

  28. Object Number: 1946997  Size: SH

    Important: Do not pull on the interconnecting shaft as it will pull apart the inboard joint.

    Important: Do not damage the axle seal when disconnecting the wheel drive shaft (1) from the differential (2). Cuts or abrasions will damage the axle seal and result in lubricant leakage from this area.

    Important: Use a suitable tool to pry the inner constant velocity joint out of the differential to release the snap ring.

    Important: Support the wheel drive shaft when removing as the rear subframe may cut the inner constant velocity boot.

  29. Disconnect the wheel drive shaft (1) from the differential (2).
  30. Remove the wheel drive shaft (1) from the vehicle.

  31. Object Number: 1947004  Size: SH

    Important: The snap ring (1) is a single use part and must be discarded after removal.

  32. Remove the snap ring (1) from the inner constant velocity joint (2).
  33. Discard the snap ring.

  34. Inspect the wheel drive shaft assembly for excessive wear and/or damage. Inspect the following:
  35. • Wheel Drive Shaft.
    • Inner Joint Boot. For replacement refer to Rear Wheel Drive Shaft Inner Joint Boot Replacement.
    • Inner Constant Velocity Joint. For replacement refer to Wheel Drive Shaft Inner Joint and Boot Replacement.
    • Outer Joint Boot. For replacement refer to Rear Wheel Drive Shaft Outer Joint Boot Replacement.
    • Outer Constant Velocity Joint. For replacement refer to Wheel Drive Shaft Outer Joint and Boot Replacement.

Installation Procedure


    Object Number: 1947004  Size: SH

    Important: The gap in the snap ring (1) must be at the bottom.

  1. Install the NEW snap ring (1) to the wheel drive inner constant velocity joint (2).

  2. Object Number: 1946997  Size: SH

    Important: Do not damage the axle seal when installing the wheel drive shaft (1) to the differential (2). Cuts or abrasions will damage the axle seal and result in subsequent lubricant leakage from this area.

  3. Install the wheel drive shaft (1) to the differential (2).
  4. Important: Pull the wheel hub assembly outwards to position the wheel drive shaft through the wheel hub assembly.

  5. Position the wheel drive shaft through the wheel hub assembly.
  6. Notice: Refer to Fastener Notice in the Preface section.


    Object Number: 1946998  Size: SH
  7. Install the lower control arm to knuckle retaining bolt (2) and NEW nut (1).
  8. Tighten
    Tighten the bolt and nut to 105 N·m (77 lb ft).


    Object Number: 1943693  Size: SH
  9. Install the rear park brake cable (4) into the rear knuckle (3).
  10. Make sure that the rear park brake cables (4) are properly seated.

    Important: Attach the rear park brake cable and clevis (1) to the park brake actuator (2) by pivoting the rear park brake cable and clevis (1) rearward using pliers.

  11. Attach the rear park brake cable and clevis (1) to the park brake actuator (2).

  12. Object Number: 1947010  Size: SH
  13. Install the I-Link to knuckle retaining bolt (1) and washer (2).
  14. Tighten
    Tighten the bolt to 105 N·m (77 lb ft).


    Object Number: 1946995  Size: SH
  15. Install the Y-Link to the knuckle retaining bolt (2) and NEW nut (1).
  16. Tighten
    Tighten the bolt and nut to 170 N·m (126 lb ft).


    Object Number: 1947013  Size: SH

    Important: The wheel speed sensor cable must be secured to protect it from damage.

  17. Connect the wheel speed sensor electrical connector (1).

  18. Object Number: 1947000  Size: SH
  19. Install the NEW wheel drive shaft washer (2) to the wheel hub assembly.
  20. Install the NEW wheel drive shaft nut (1) to the wheel hub assembly.

  21. Object Number: 1947007  Size: SH
  22. Install the KM-468 (1) to the wheel hub assembly (2) with two inverted wheel nuts (3).
  23. Support the KM-468 (1) outer end on a safety stand.
  24. Notice: Refer to Fastener Notice in the Preface section.

    Important: There are two suitable methods of tightening the wheel drive shaft retaining nut. DO NOT EXCEED THE SPECIFIED TIGHTENING VALUES, otherwise premature bearing failure may result.

  25. Preferred Method
  26. Tighten
    Tighten the nut on first pass to 150 N·m (111 lb ft).

    Loosen
    Loosen the nut on second pass by 180 Degrees.

    Tighten
    Tighten the nut on third pass to 425 N·m (313 lb ft)

    Crimp nut.

    Alternate Method

    Tighten
    Tighten the nut on first pass to 150 N·m (111 lb ft).

    Loosen
    Loosen the nut on second pass by 180 Degrees.

    Tighten
    Tighten the nut on the third pass to 50 N·m (37 lb ft)

    Tighten
    Tighten the nut on the forth pass by 45 Degrees

    Crimp nut.

  27. Remove the KM-468  (1).
  28. Use a suitable tool to crimp the NEW wheel drive shaft nut to the wheel drive shaft keyway.
  29. Install the rear wheel. Refer to Tire and Wheel Removal and Installation.
  30. Check the differential fluid level. Refer to Rear Axle Lubricant Level Inspection.
  31. Remove the safety stands.
  32. Lower the vehicle to the ground.