GM Service Manual Online
For 1990-2009 cars only
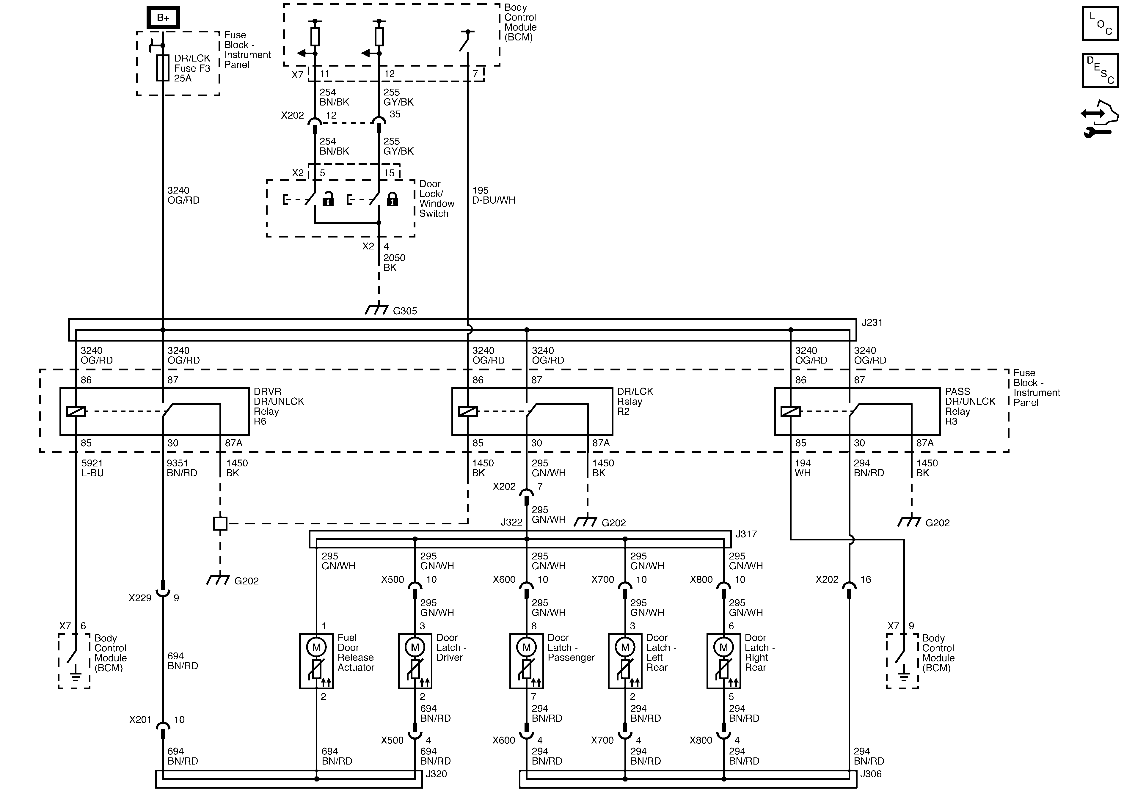
Figure 1:

Door Lock Controls (LHD)


Object Number: 2153386  Size: FS
Figure 2:

Door Ajar Signals (LHD)


Object Number: 2140117  Size: FS
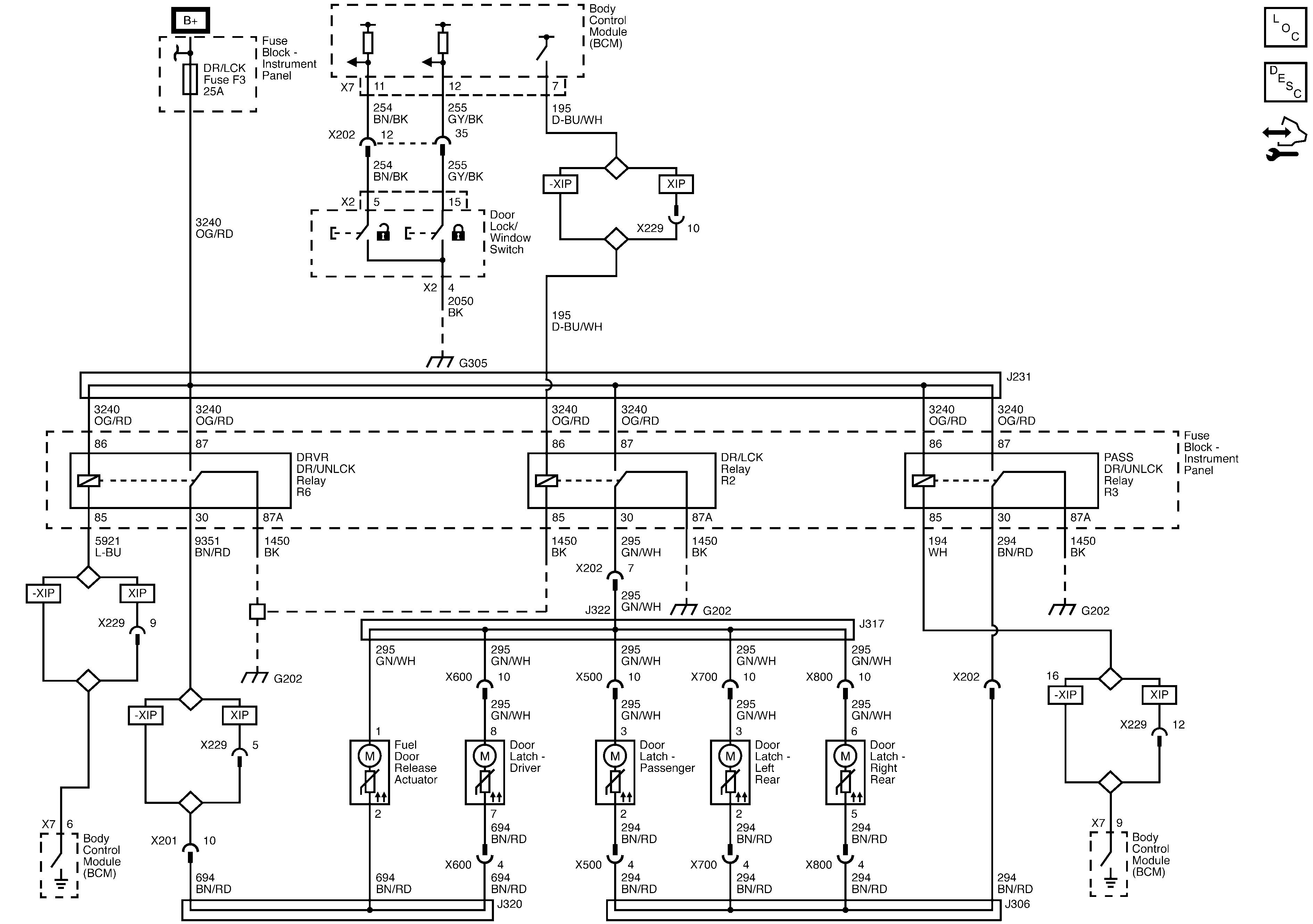
Figure 3:

Door Lock Controls (RHD)


Object Number: 2153387  Size: FS
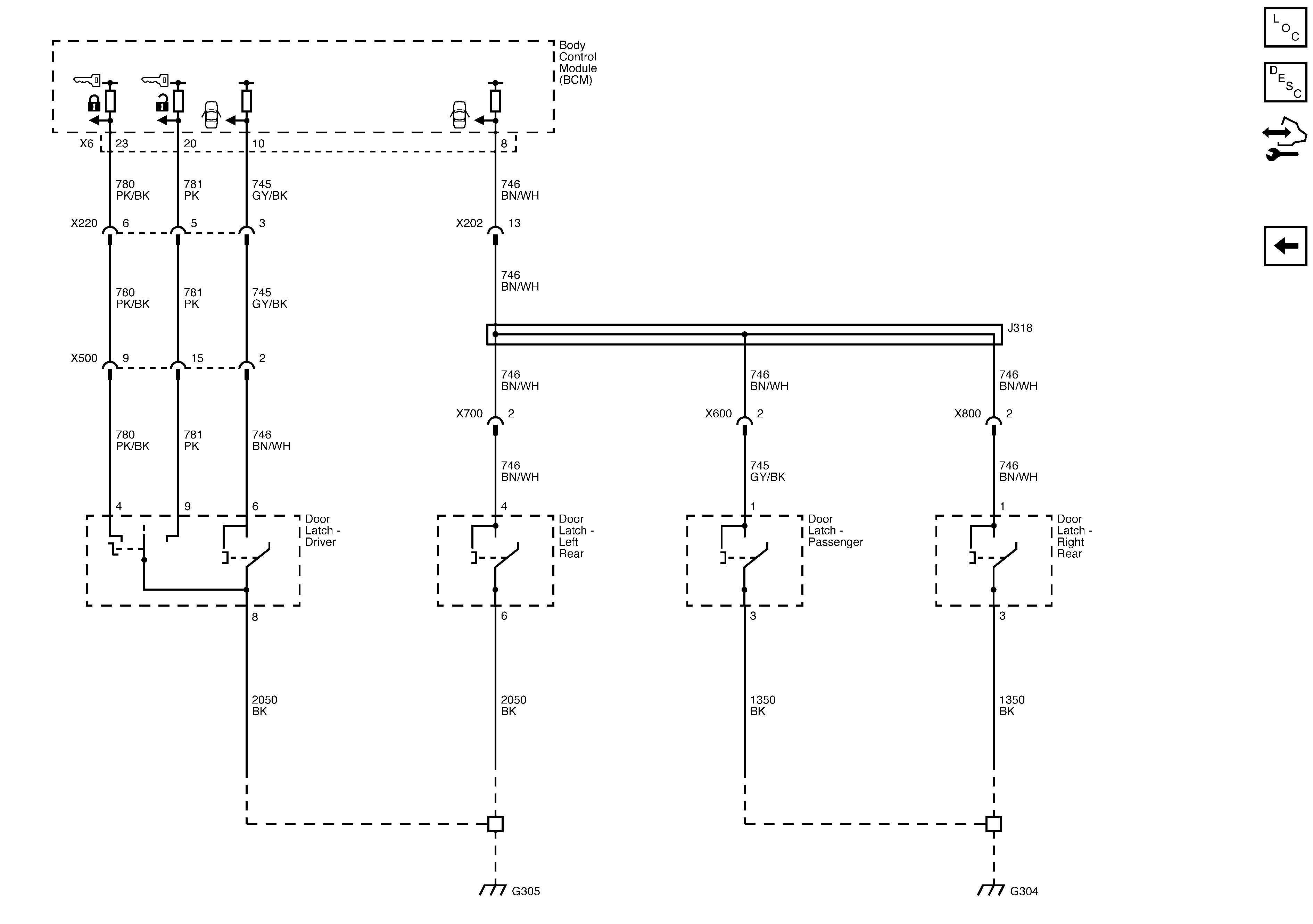
Figure 4:

Door Ajar Signals (RHD)


Object Number: 2153387  Size: FS