GM Service Manual Online
For 1990-2009 cars only
Makes
🢒
Chevrolet
🢒
2009
🢒
Caprice WM
🢒
Body Systems
🢒
Vehicle Access
🢒 Release Systems Schematics
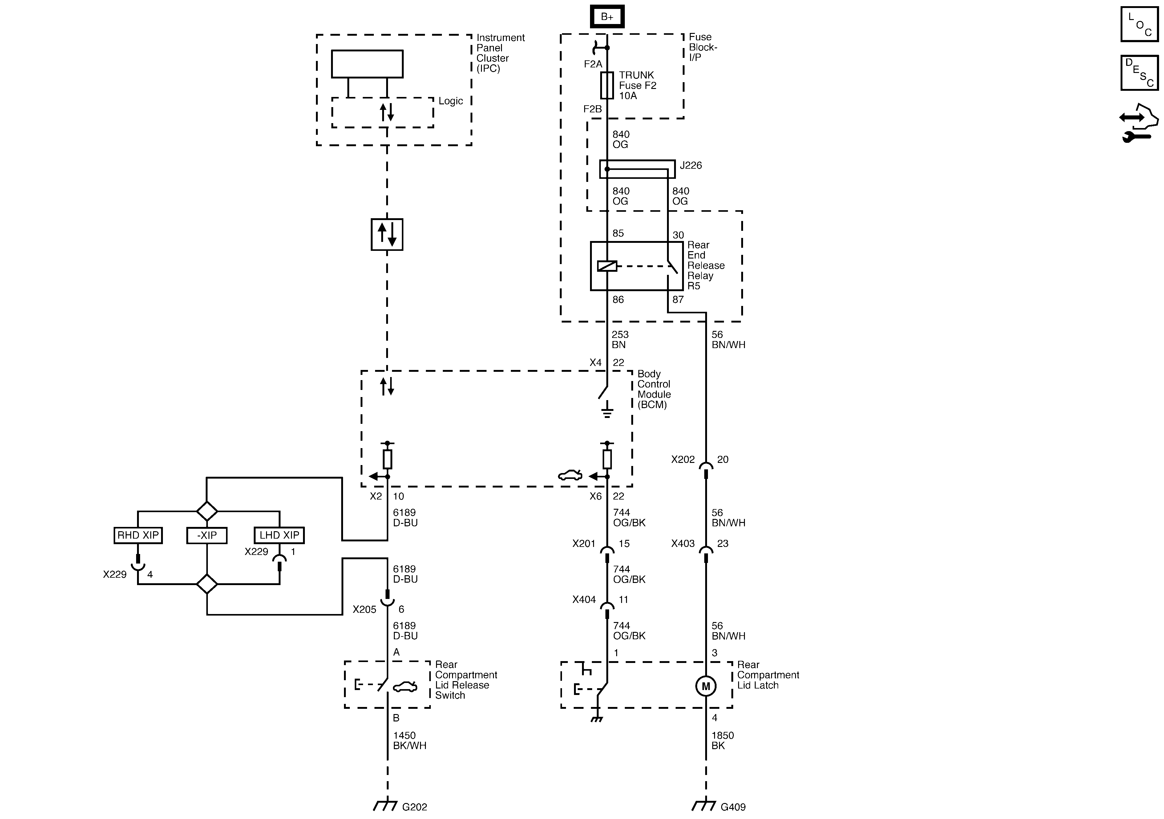
Figure
1:
Liftgate Release
Figure
2:
Rear Compartment Lid Release