GM Service Manual Online
For 1990-2009 cars only
Makes
🢒
Chevrolet
🢒
2009
🢒
Caprice WM
🢒
Body Systems
🢒
Wipers and Washers
🢒 Wiper/Washer Schematics
Figure
1:
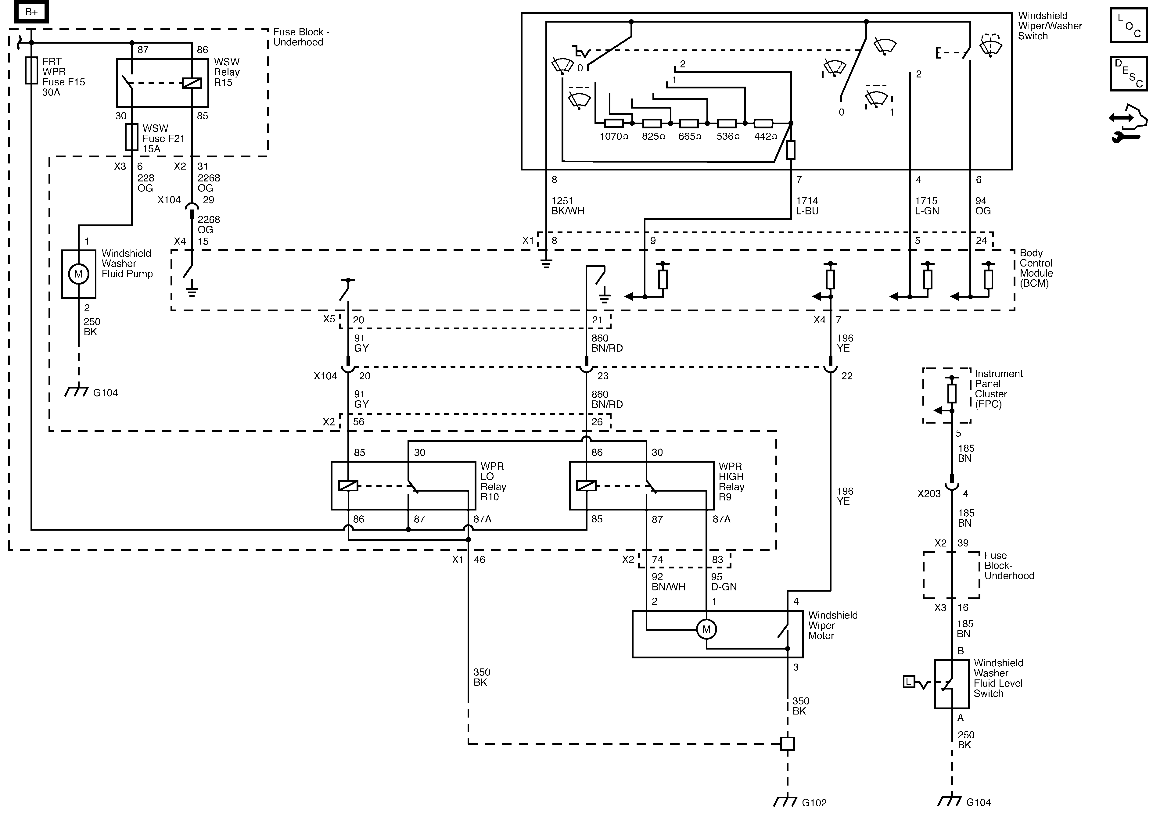
Front Wiper/Washer Control
Figure
2:
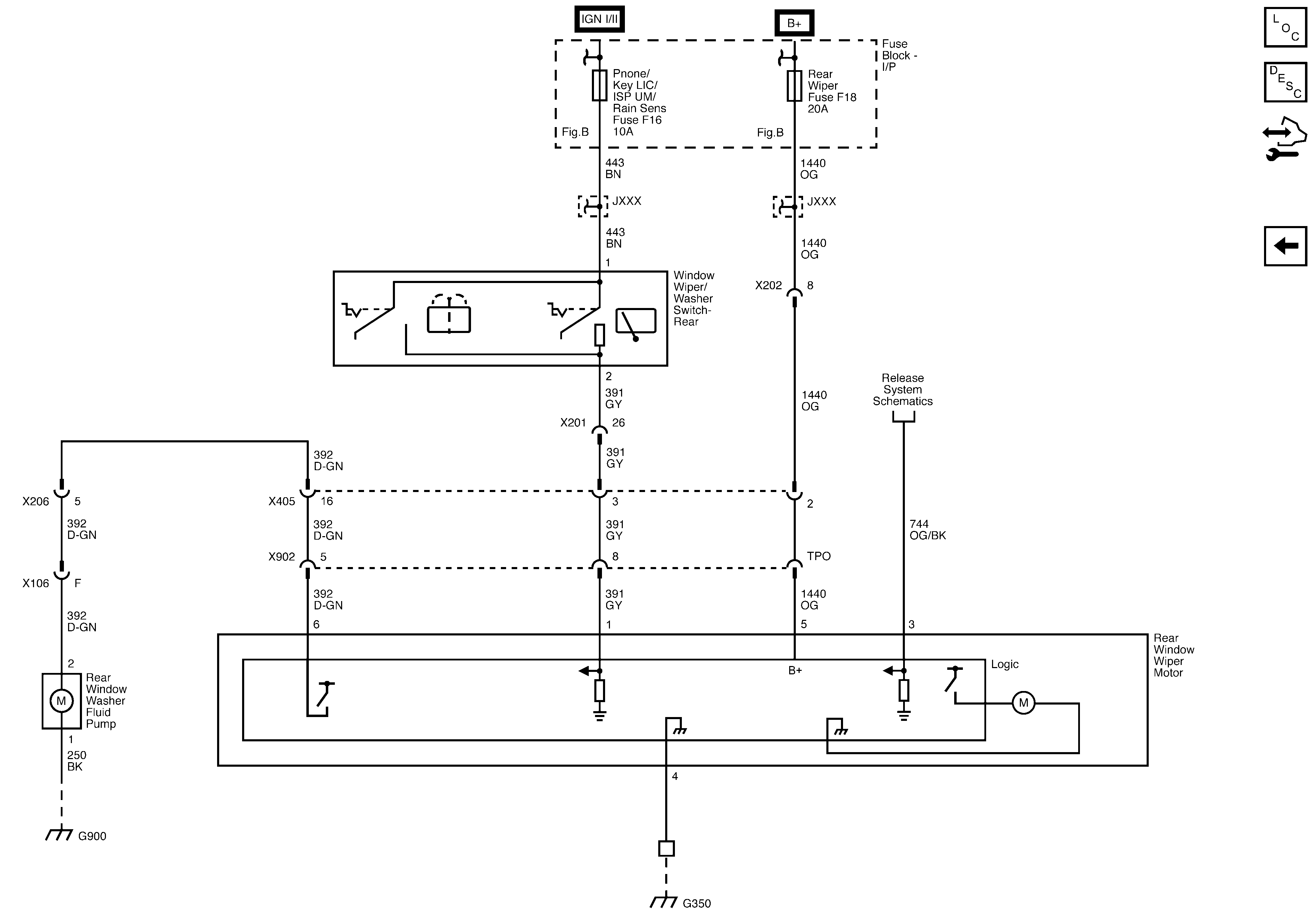
Rear Wiper/Washer Control
Figure
3:
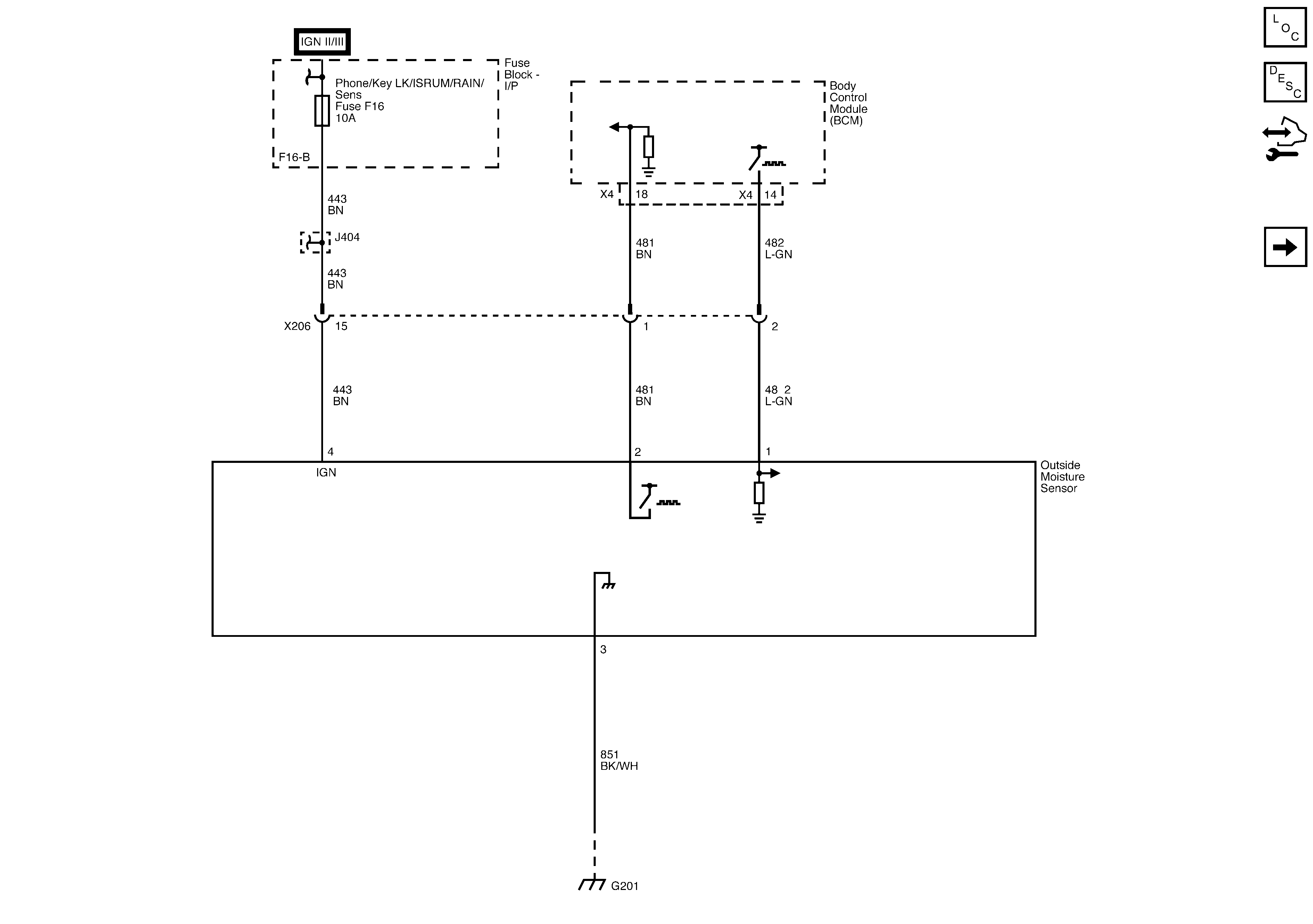
Outside Moisture Sensing
Figure
4:
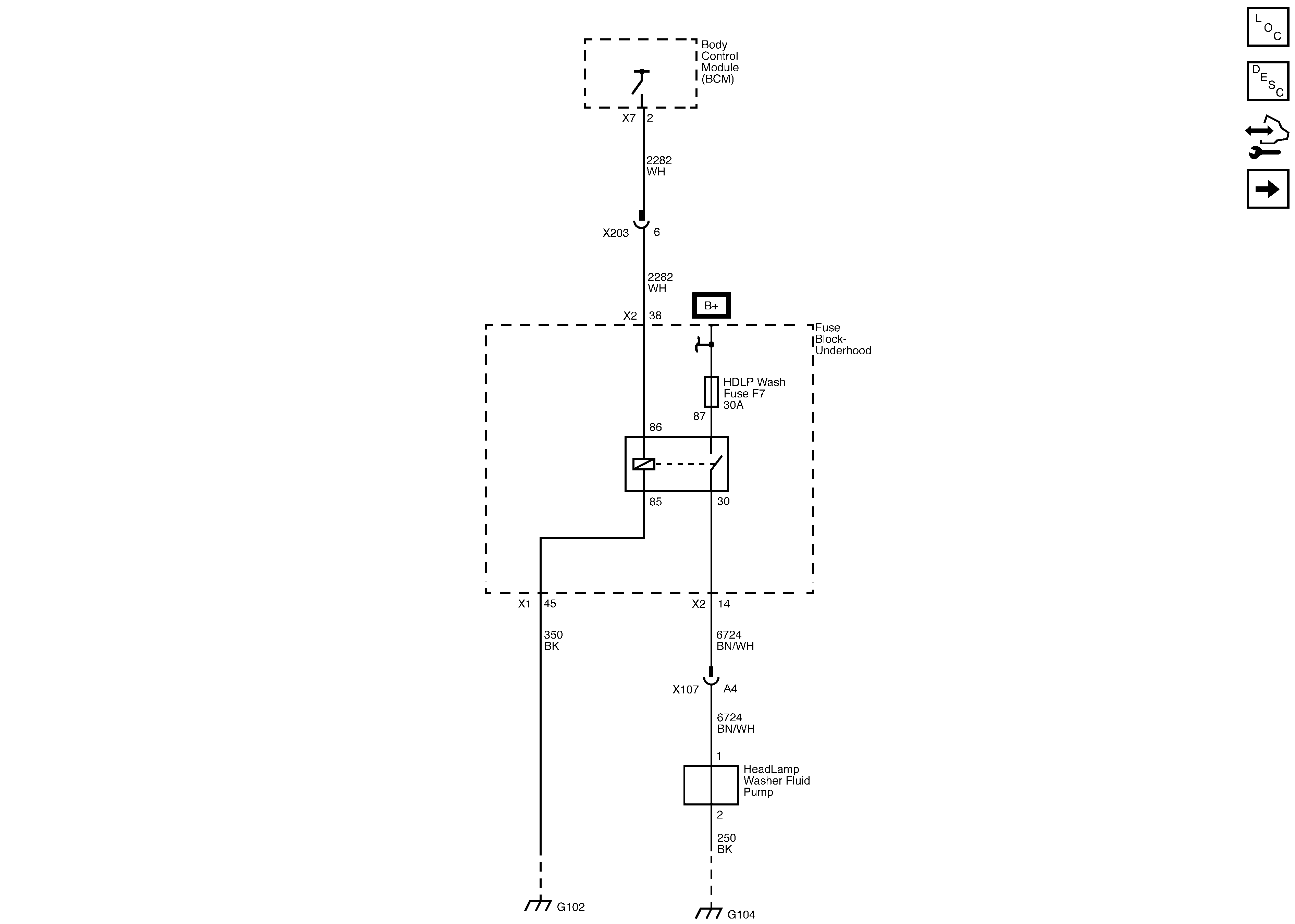
Headlamp Washers