GM Service Manual Online
For 1990-2009 cars only
Makes
🢒
Chevrolet
🢒
2009
🢒
Caprice WM
🢒
Transmission
🢒
Manual Transmission - Aisin AY6
🢒 Manual Transmission Schematics
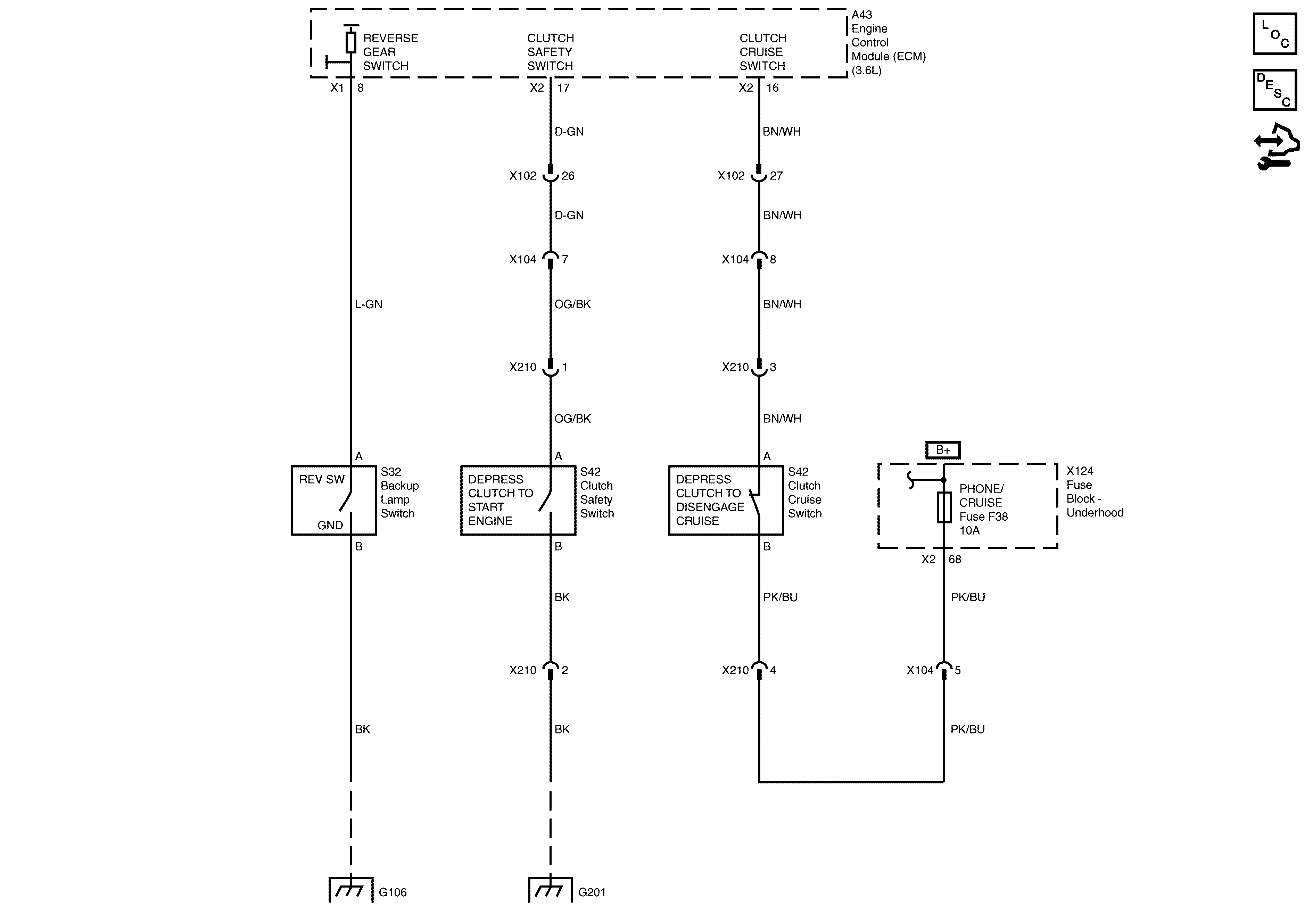
Back up Lamp and Clutch Switches
Master Electrical Component List
Manual Transmission Description and Operation
Control Module References
G103, G106, G107, G108 and G109 (3.6L)
G201 - 1 of 2