GM Service Manual Online
For 1990-2009 cars only
Figure 1:

Theft Deterrent Module, Power, Ground, Serial Data -- BRL


Object Number: 2031970  Size: FS
Master Electrical Component List
Theft Systems Description and Operation
Control Module References
G201 - 1 of 2
Batt Main 4, BCM Logic, Console Lighting, IGNSW/Theft and Stop Lamps/Park Assist Fuses and Ignition Switch
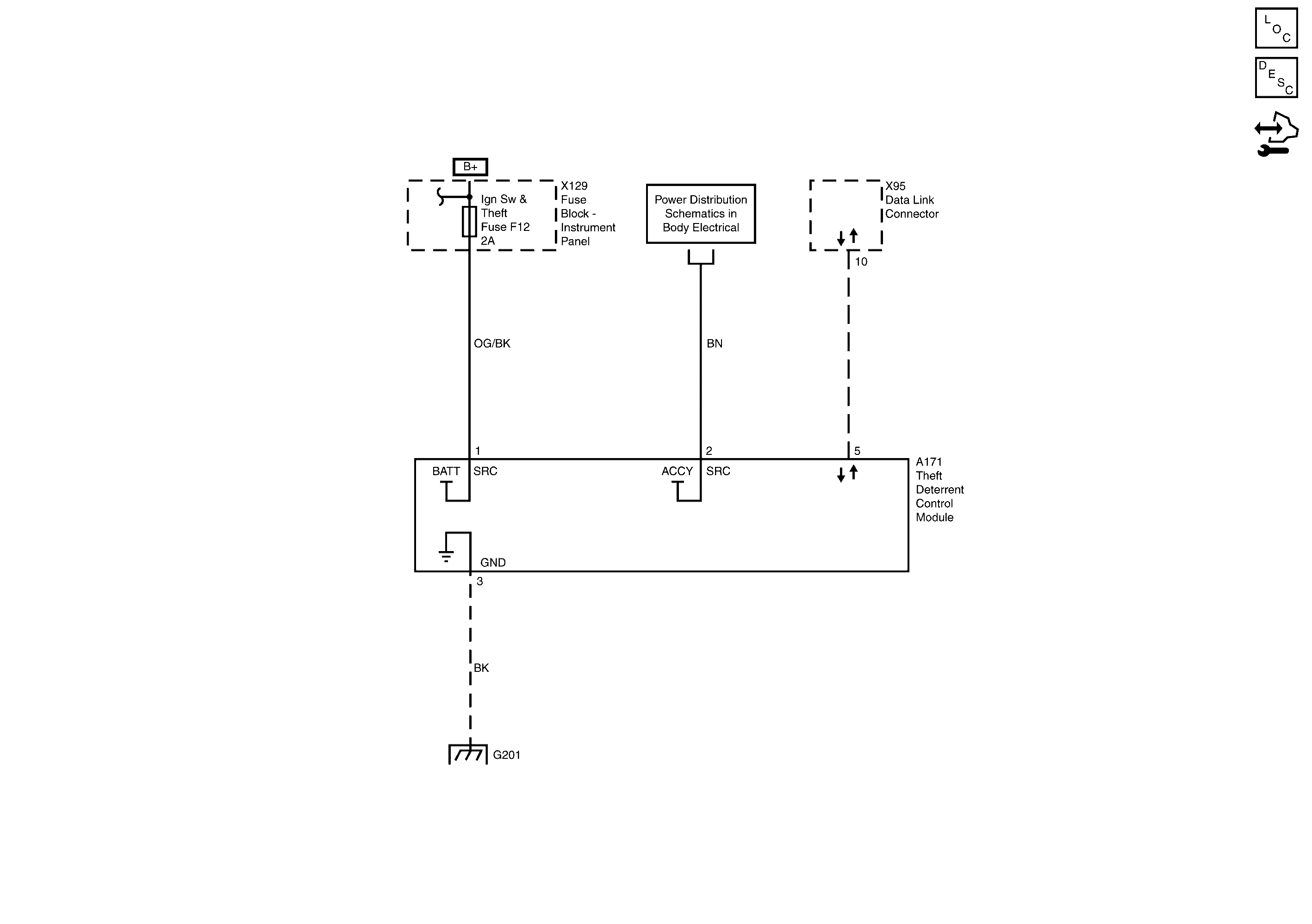
Figure 2:

Theft Deterrent Module, Power, Ground, Serial Data - Except BRL


Object Number: 1958138  Size: FS
Master Electrical Component List
Theft Systems Description and Operation
Control Module References
G201 - 1 of 2
Batt Main 4, BCM Logic, Console Lighting, IGNSW/Theft and Stop Lamps/Park Assist Fuses and Ignition Switch
Figure 3:

Genuine Accessory Security System - Power/Ground Supply, Dealer Option Connector


Object Number: 2014547  Size: FS
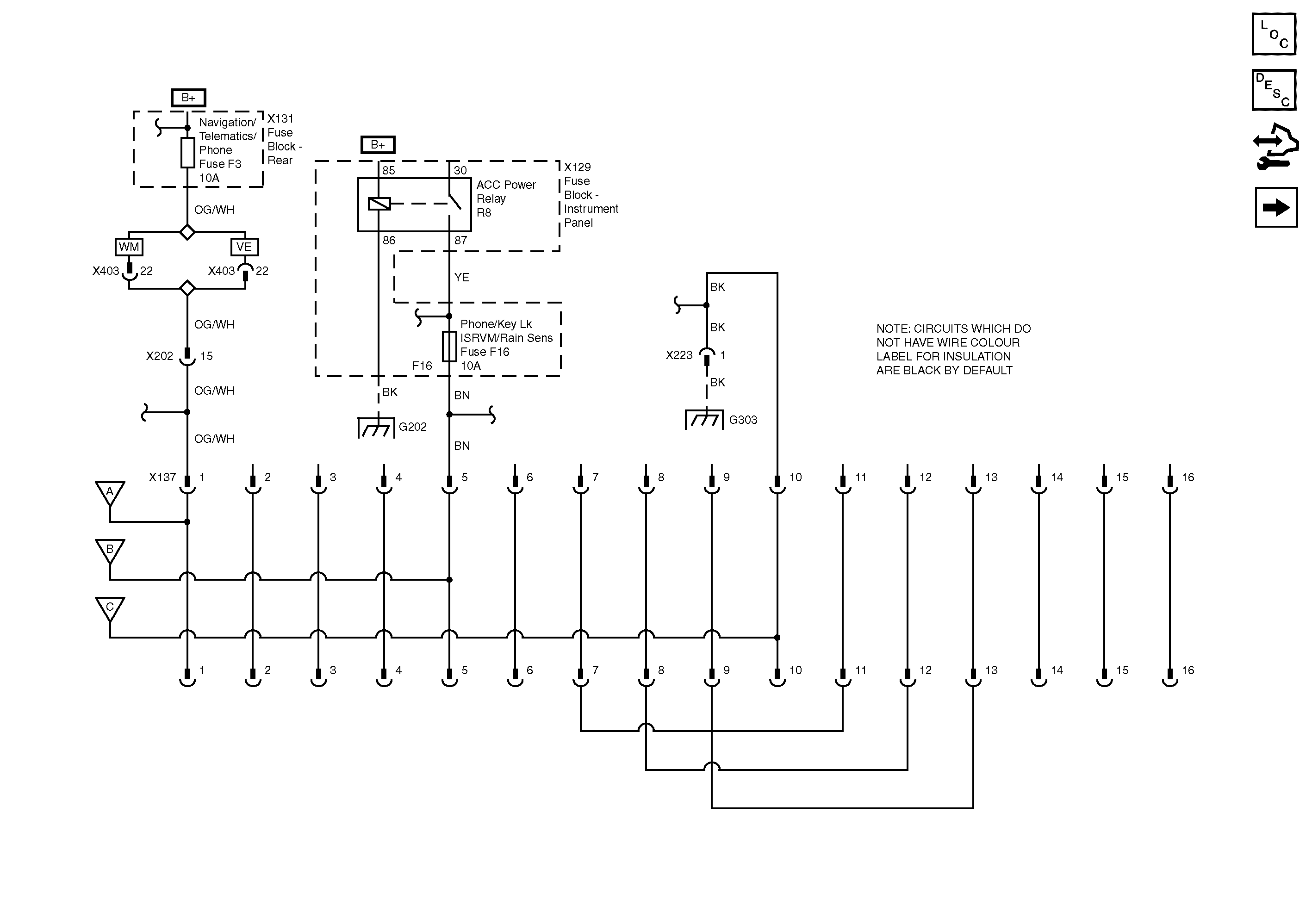
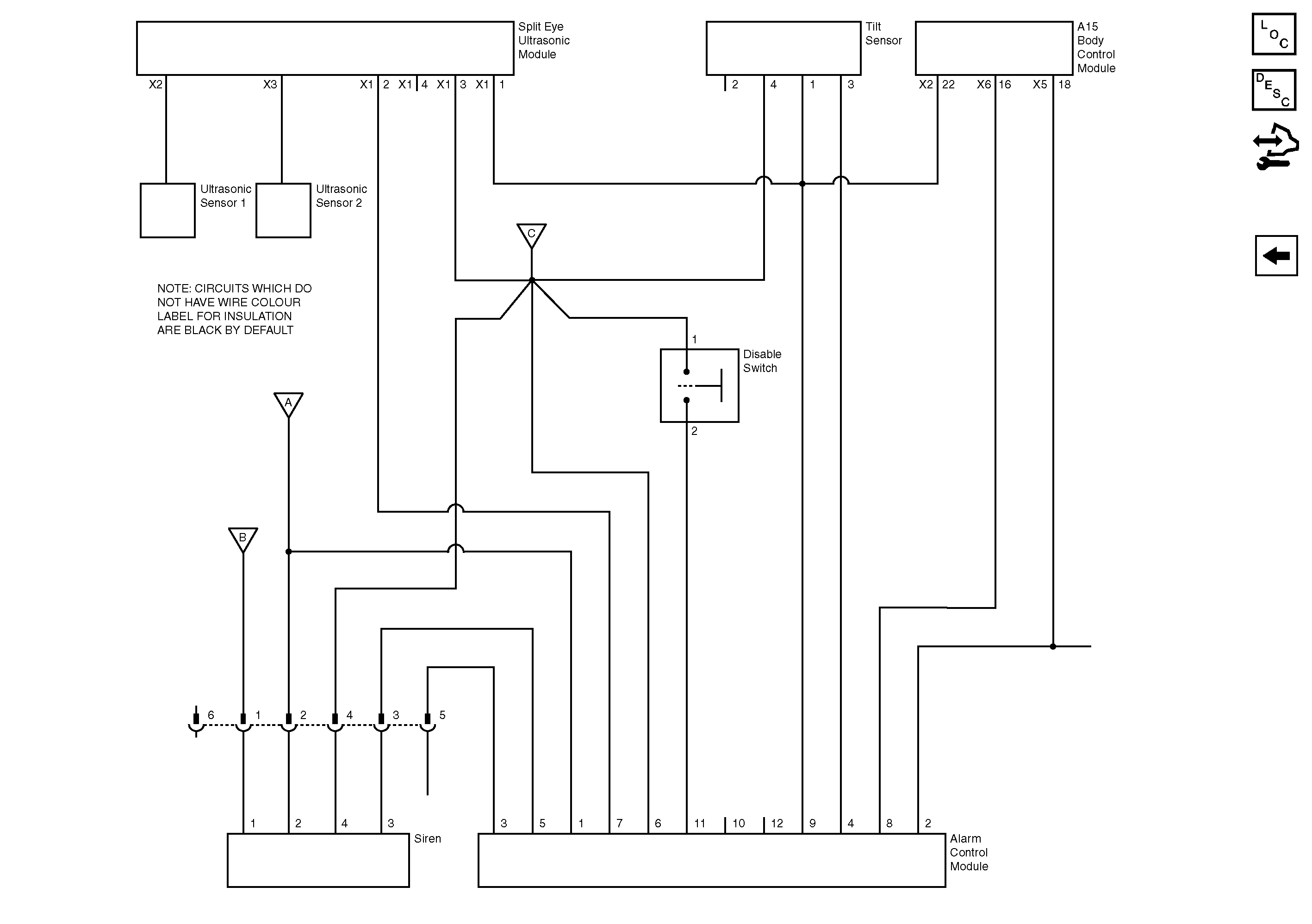
Figure 4:

Genuine Accessory Security System - Power/Ground Supply, Alarm Control Module, Disable Switch, Siren, Split Eye Ultrasonic Module, Tilt Sensor


Object Number: 2014548  Size: FS