GM Service Manual Online
For 1990-2009 cars only
Makes
🢒
Chevrolet
🢒
2007
🢒
Captiva
🢒
Diagnostic Navigation
🢒
Vehicle Diagnostic Information
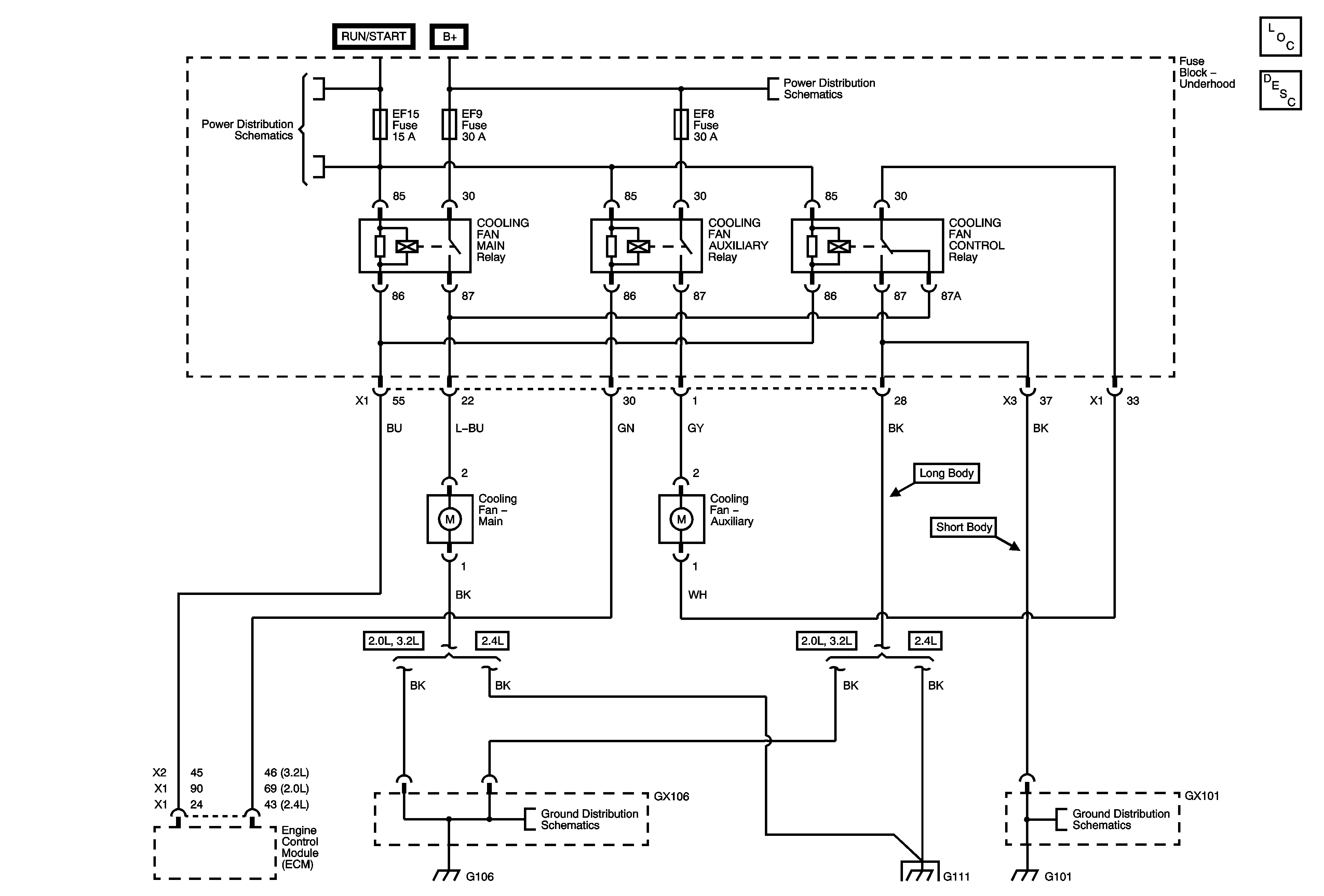
🢒 Engine Cooling Schematics
Master Electrical Component List
Cooling Fan Description and Operation
EF10, 11, 12, 13, 15 Fuses, Main Relay (2.0L)
EF8, 9, 14 Fuses, A/C Compressor, Cooling Fan Relays
Ground Distribution G106, G107, G109, G110 (3.2L)
Ground Distribution G106 (2.0L Diesel)
Ground Distribution G108, G111 (2.4L)
Ground Distribution G101, G103, G105