GM Service Manual Online
For 1990-2009 cars only
Makes
🢒
Chevrolet
🢒
2007
🢒
Captiva
🢒
Body Systems
🢒
Mirrors
🢒 Outside Rearview Mirror Schematics
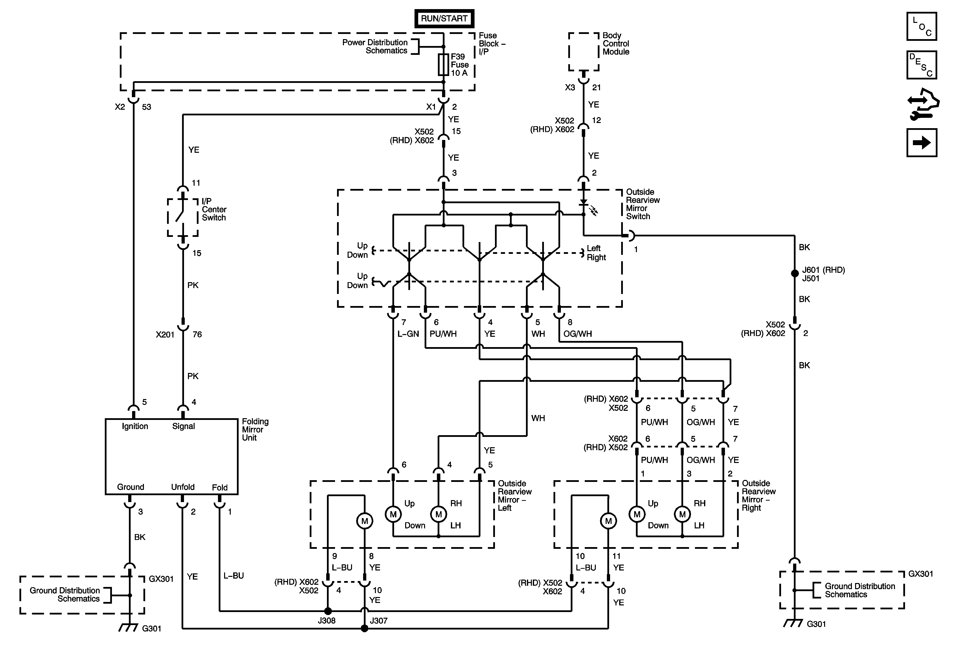
Outside Rearview Mirror Schematics Long Body
Master Electrical Component List
Control Module References
EF3, F1, 2, 10, 15, 18, 30, 33, 39 Fuses, Run, ACC/RAP Relays
Ground Distribution G301
Ground Distribution G201
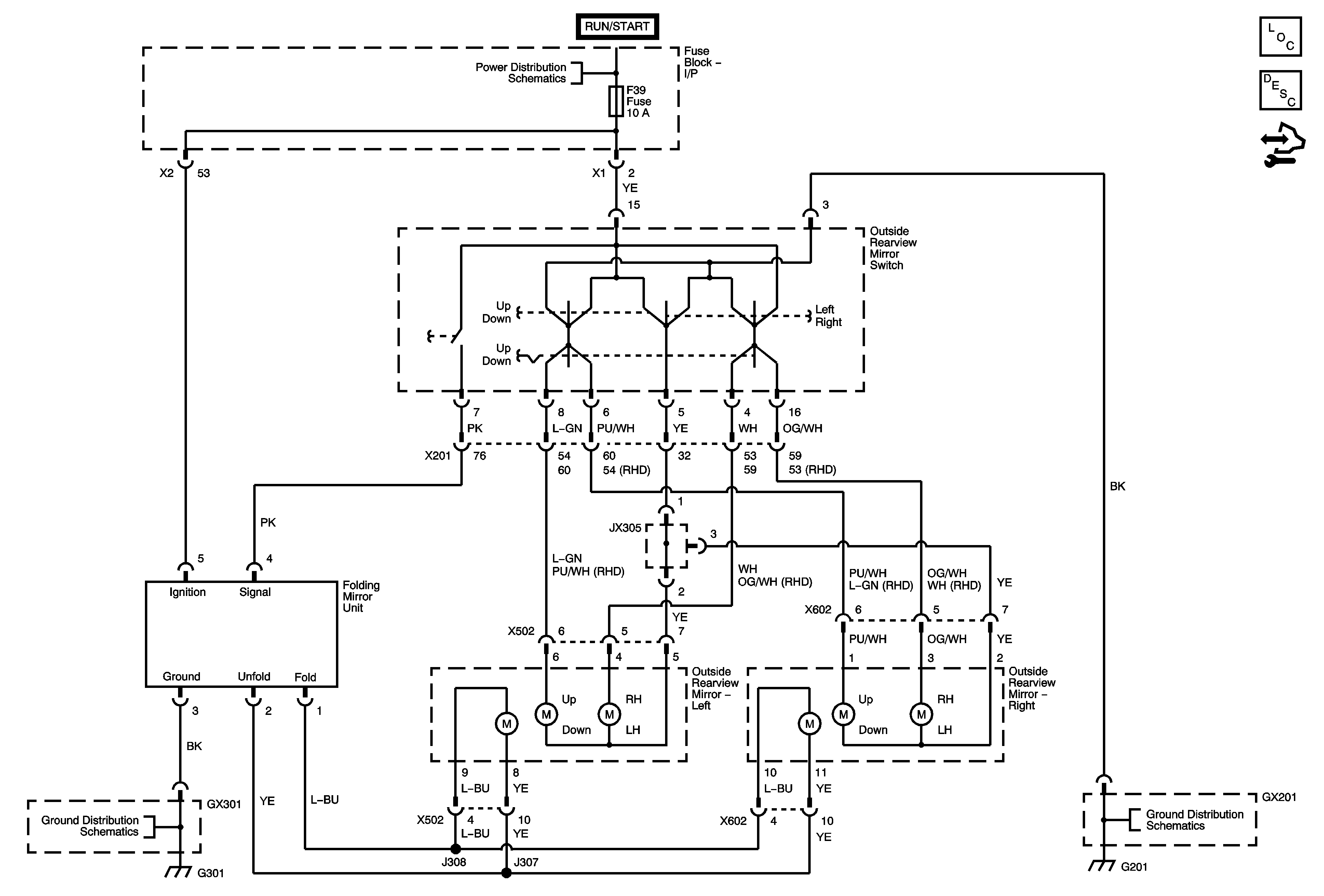
Outside Rearview Mirror Schematics Short Body
Figure
1:
1 of 2
Master Electrical Component List
Control Module References
Outside Rearview Mirror Schematics (2 of 2)
EF3, F1, 2, 10, 15, 18, 30, 33, 39 Fuses, Run, ACC/RAP Relays
Ground Distribution G301
Ground Distribution G301
Figure
2:
2 of 2
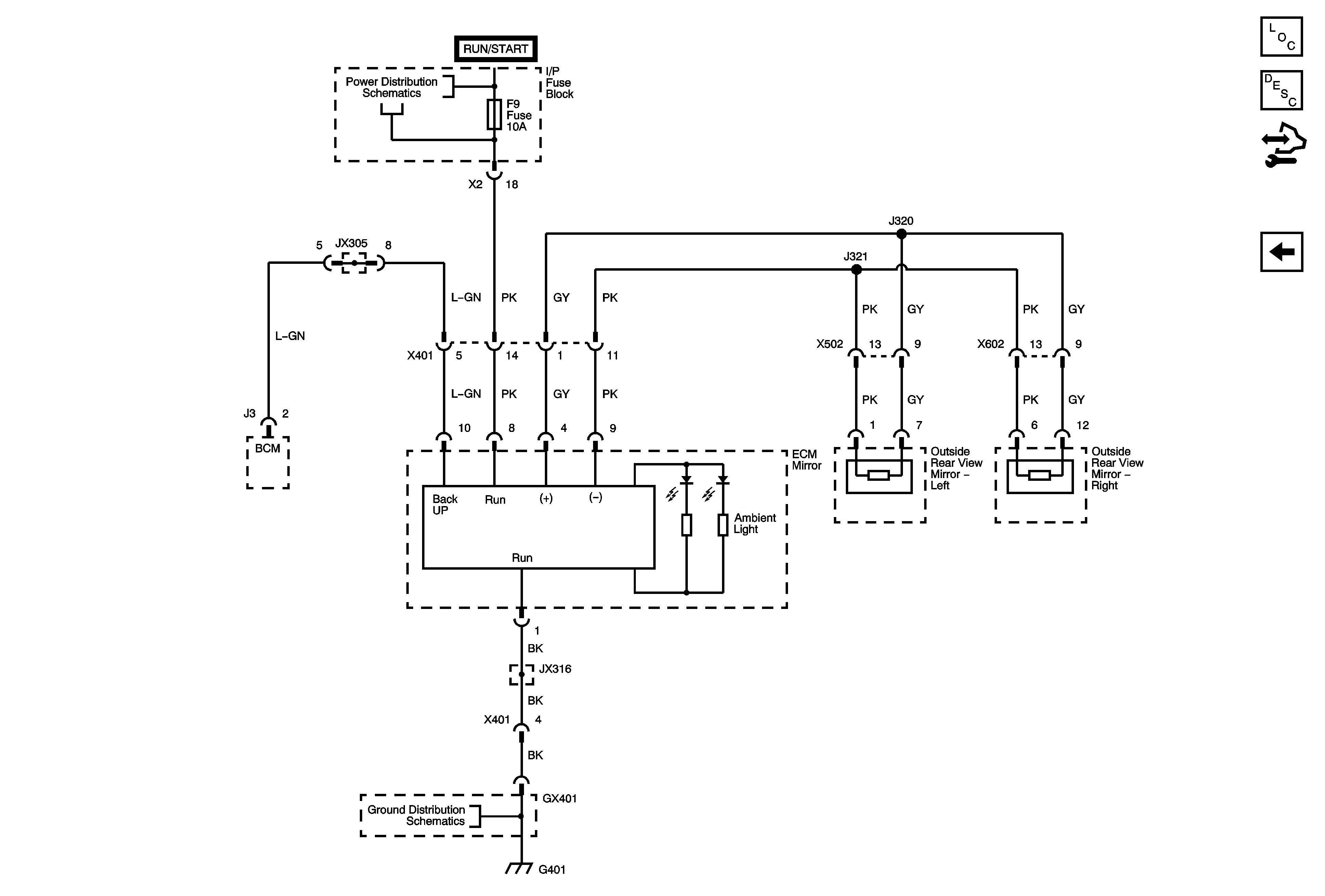
Master Electrical Component List
Control Module References
Outside Rearview Mirror Schematics (1 of 2)
EF7, F6, 8, 9, 13, 17, 20, 25, 27, 29 Fuses, Run/Crank, Outside Rearview Mirror, Liftgate Glass Relays
Ground Distribution G401