GM Service Manual Online
For 1990-2009 cars only
Makes
🢒
Chevrolet
🢒
2007
🢒
Captiva
🢒
Brakes
🢒
Antilock Brake System
🢒 Antilock Brake System Schematics
Figure
1:
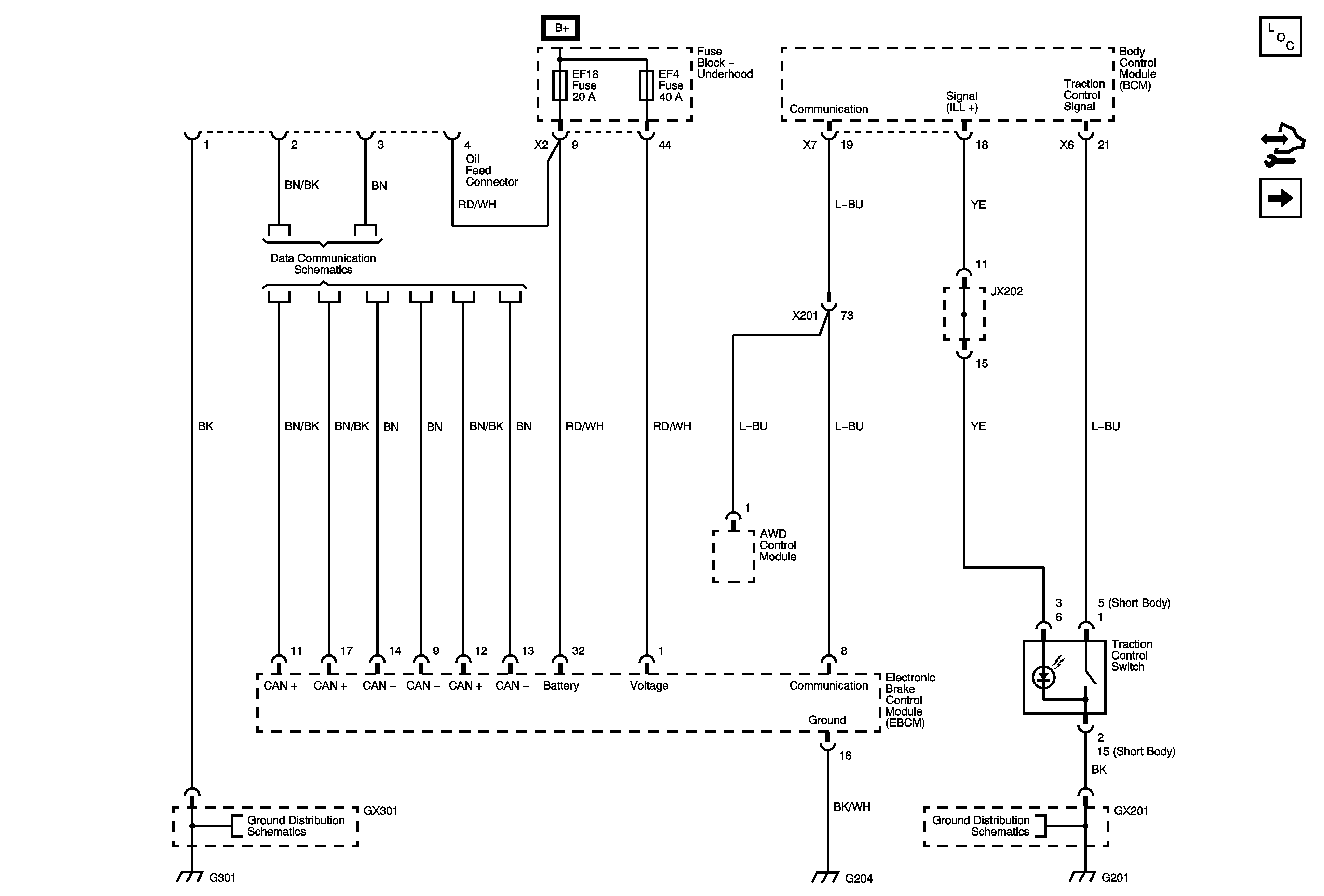
Power, Ground, ESP and Oil Feed Connector
Master Electrical Component List
Control Module References
Hill Descent, SSPS, Steering Angle and Yaw Sensors
Data Link Connector (DLC)
Ground Distribution G301
Ground Distribution G201
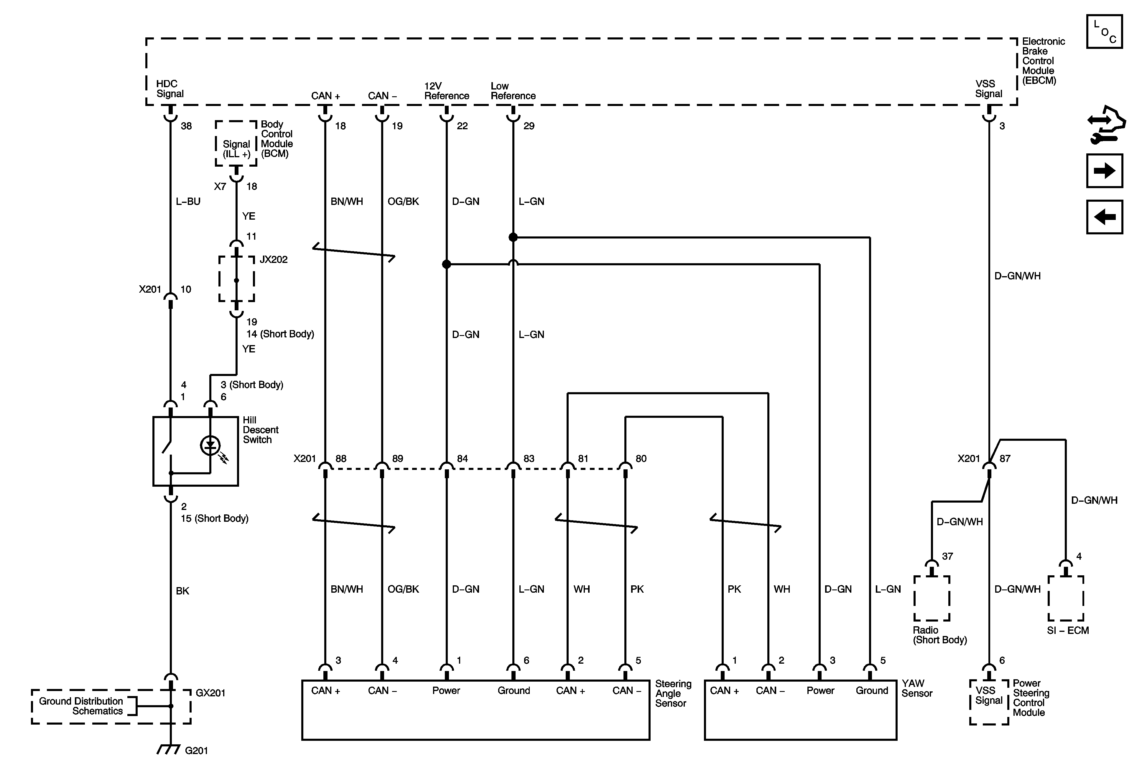
Figure
2:
Hill Descent, SSPS, Steering Angle and Yaw Sensors
Master Electrical Component List
Control Module References
Wheel Speed Sensors
Power, Ground, ESP and Oil Feed Connector
Ground Distribution G201
Figure
3:
Wheel Speed Sensors
Master Electrical Component List
Control Module References
Hill Descent, SSPS, Steering Angle and Yaw Sensors