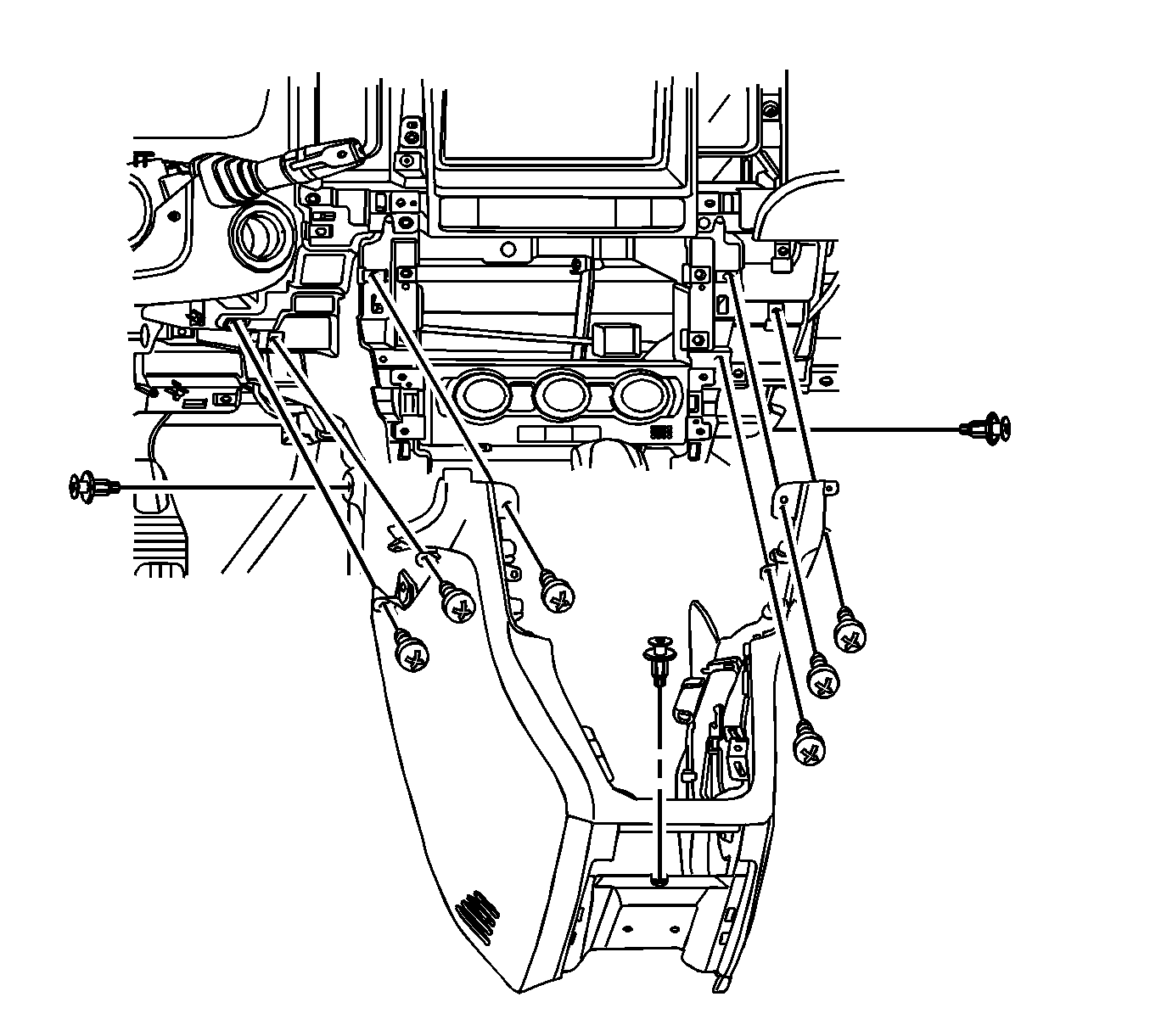
Caution: Refer to Battery Disconnect Caution in the Preface section.
Notice: Refer to Fastener Notice in the Preface section.
Tighten
Tighten the front console retainer screws to 8 N·m (71 lb in).
Tighten
Tighten the front console screw to 8 N·m (71 lb in).