GM Service Manual Online
For 1990-2009 cars only
Makes
🢒
Chevrolet
🢒
2007
🢒
Captiva
🢒
Roof
🢒
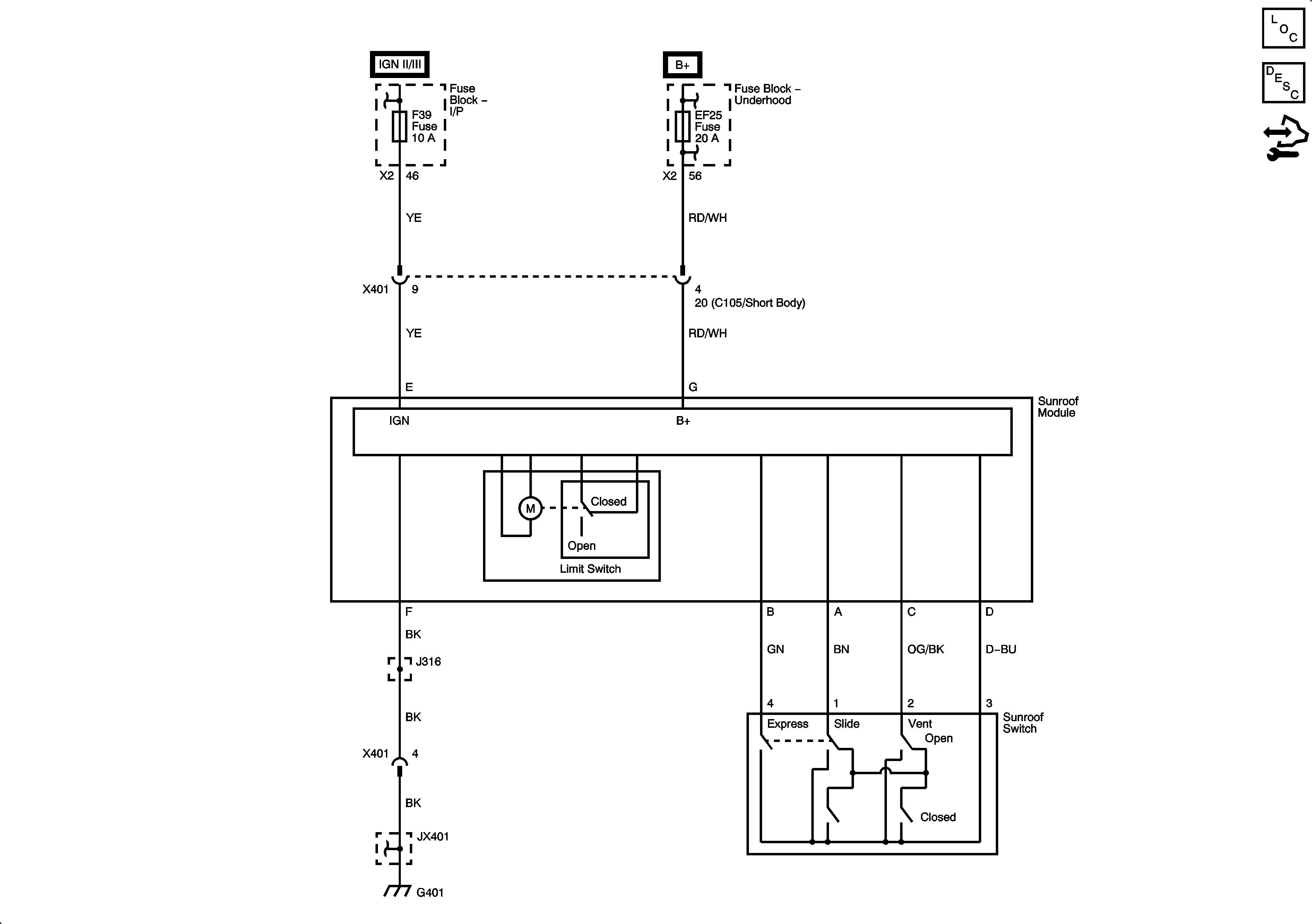
Sunroof
🢒 Sunroof Schematics