GM Service Manual Online
For 1990-2009 cars only
Figure 1:

Blower Controls


Object Number: 1818501  Size: FS
Master Electrical Component List
Control Module References
Mode and Temperature Controls
EF3, F1, 2, 10, 15, 18, 30, 33, 39 Fuses, Run, ACC/RAP Relays
EF3, F1, 2, 10, 15, 18, 30, 33, 39 Fuses, Run, ACC/RAP Relays
EF2, F11, 12, 14, 16, 19, 24, 26, 31, 35 Fuses
Ground Distribution G102, G202, G203, G204
Ground Distribution G201
Ground Distribution G201
Figure 2:

Mode and Temperature Controls


Object Number: 1818503  Size: FS
Master Electrical Component List
Control Module References
Compressor Controls
Blower Controls
Figure 3:

Compressor Controls


Object Number: 1818505  Size: FS
Master Electrical Component List
Control Module References
Mode and Temperature Controls
EF10, 11, 12, 13, 15 Fuses, Main Relay (2.0L)
EF8, 9, 14 Fuses, A/C Compressor, Cooling Fan Relays
Ground Distribution G106, G107, G109, G110 (3.2L)
Ground Distribution G106, G107, G109, G110 (3.2L)
Ground Distribution G106, G107, G109, G110 (3.2L)
Ground Distribution G106, G107, G109, G110 (3.2L)
Ground Distribution G108, G111 (2.4L)
Ground Distribution G106, G107, G109, G110 (3.2L)
Figure 1:

Blower Controls


Object Number: 1818501  Size: FS
Master Electrical Component List
Control Module References
Mode and Temperature Controls
EF3, F1, 2, 10, 15, 18, 30, 33, 39 Fuses, Run, ACC/RAP Relays
EF3, F1, 2, 10, 15, 18, 30, 33, 39 Fuses, Run, ACC/RAP Relays
EF2, F11, 12, 14, 16, 19, 24, 26, 31, 35 Fuses
Ground Distribution G102, G202, G203, G204
Ground Distribution G201
Ground Distribution G201
Figure 2:

Mode and Temperature Controls


Object Number: 1818503  Size: FS
Master Electrical Component List
Control Module References
Compressor Controls
Blower Controls
Figure 3:

Compressor Controls


Object Number: 1818505  Size: FS
Master Electrical Component List
Control Module References
Mode and Temperature Controls
EF10, 11, 12, 13, 15 Fuses, Main Relay (2.0L)
EF8, 9, 14 Fuses, A/C Compressor, Cooling Fan Relays
Ground Distribution G106, G107, G109, G110 (3.2L)
Ground Distribution G106, G107, G109, G110 (3.2L)
Ground Distribution G106, G107, G109, G110 (3.2L)
Ground Distribution G106, G107, G109, G110 (3.2L)
Ground Distribution G108, G111 (2.4L)
Ground Distribution G106, G107, G109, G110 (3.2L)
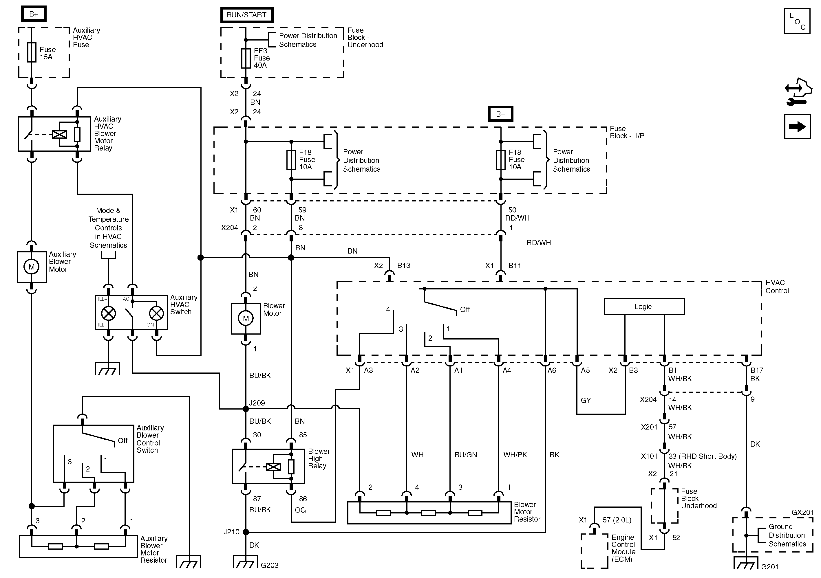
Figure 4:

Blower Controls with Auxiliary HVAC Unit


Object Number: 2000602  Size: FS
Figure 5:

Mode and Temperature Controls with Auxiliary HVAC Unit


Object Number: 2000603  Size: FS