GM Service Manual Online
For 1990-2009 cars only

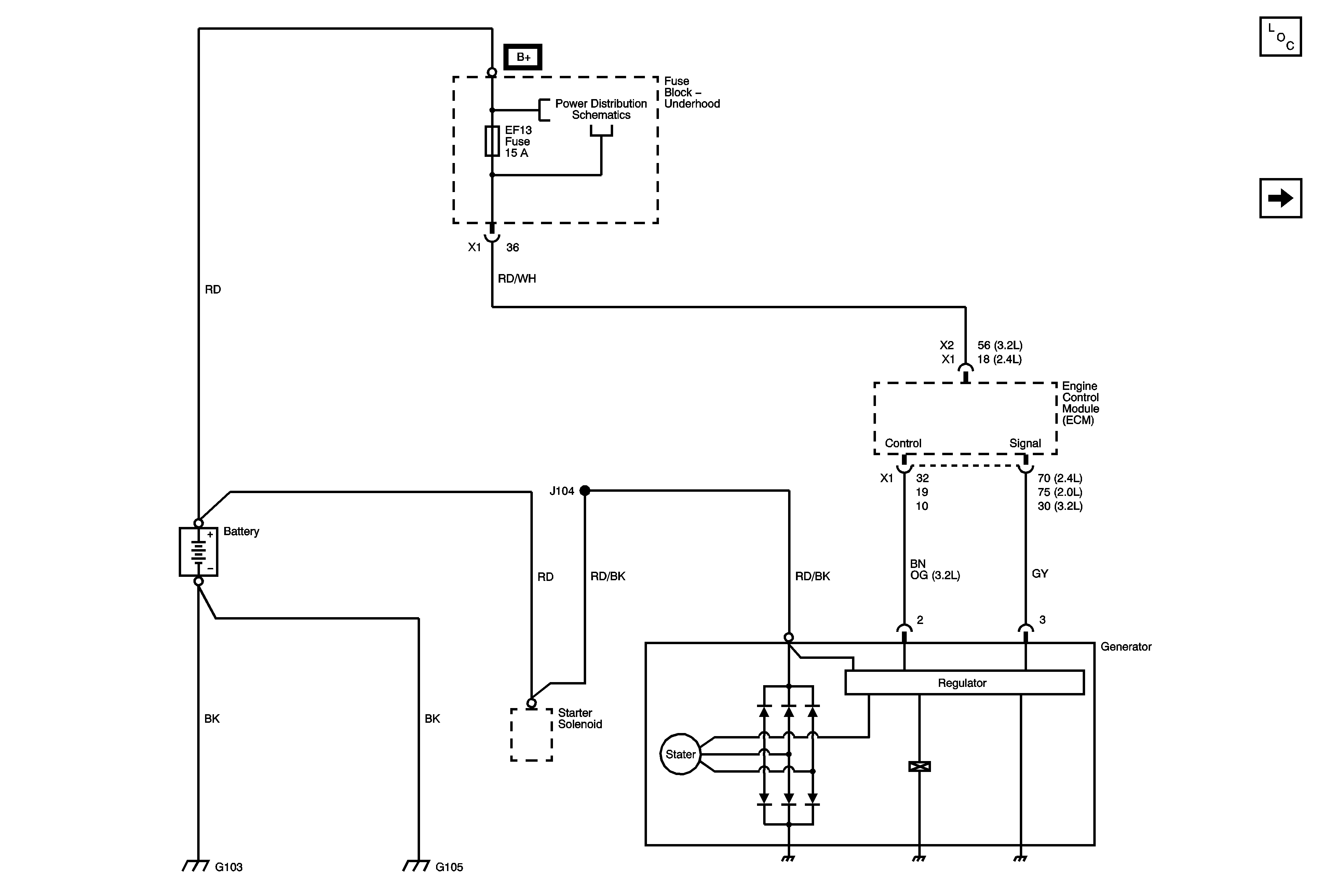
Charging System

Charging System


Object Number: 1798361  Size: FS
Master Electrical Component List
Starting System
EF5, 13, 16, 24, 31, 32 Fuses, Starter, Park Lamp, Fuel Pump Relays