GM Service Manual Online
For 1990-2009 cars only
Makes
🢒
Chevrolet
🢒
2008
🢒
Captiva
🢒
Body Systems
🢒
Lighting
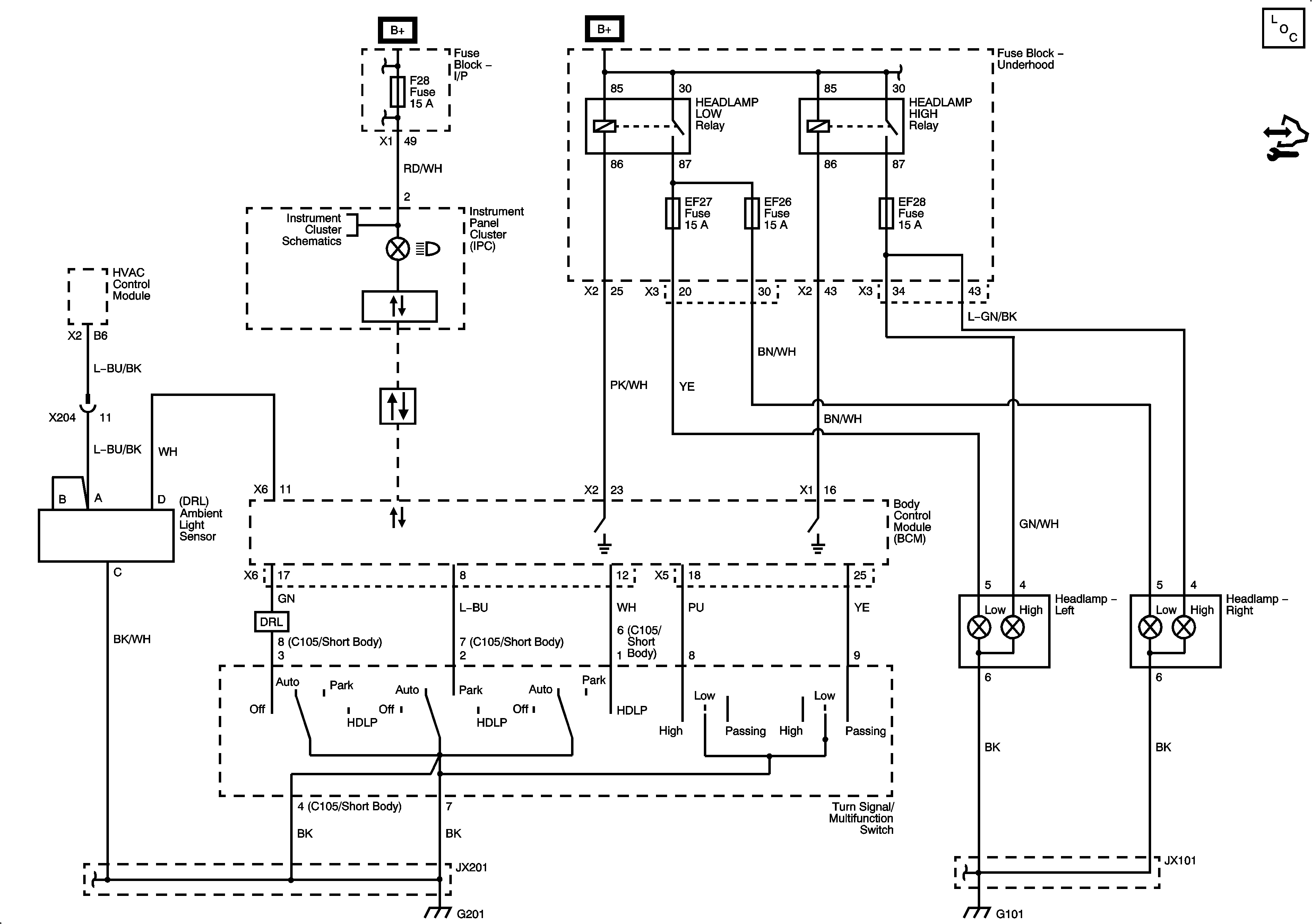
🢒 Headlights Schematics
Master Electrical Component List
Control Module References
F3, 5, 28, 32, 34 Fuses
EF26, 27, 28, 29 Fuses, Headlamps, Foglamps, Relays
Data Link Connector (DLC)
G201 (1 of 2)
G101, G103, G105