GM Service Manual Online
For 1990-2009 cars only
Makes
🢒
Chevrolet
🢒
2008
🢒
Captiva
🢒
Driver Information and Entertainment
🢒
Secondary and Configurable Customer Controls
🢒 Steering Wheel Secondary/Configurable Control Schematics
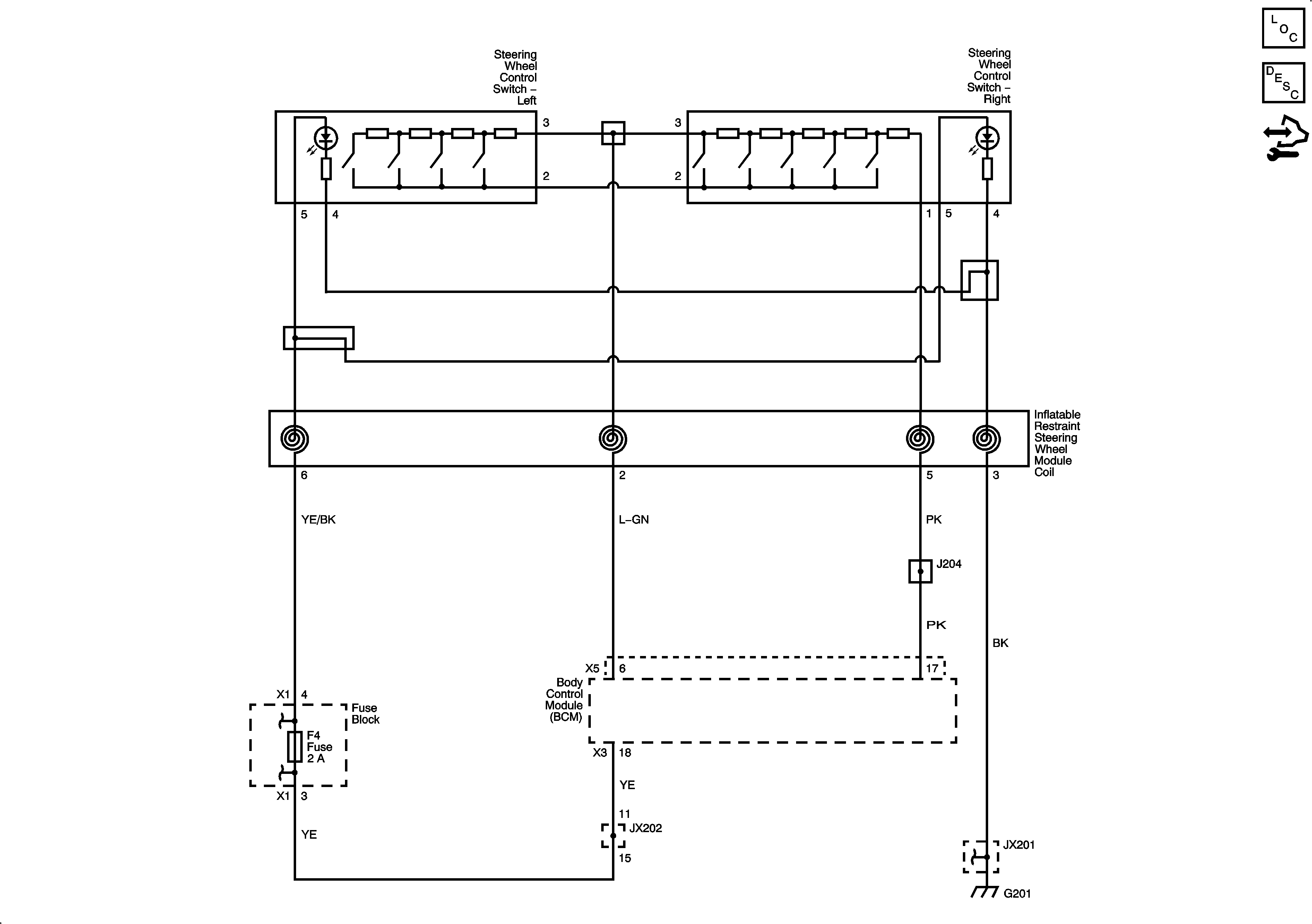
Steering Wheel Secondary/Configurable Control Schematics C100/Long Body
Master Electrical Component List
Control Module References
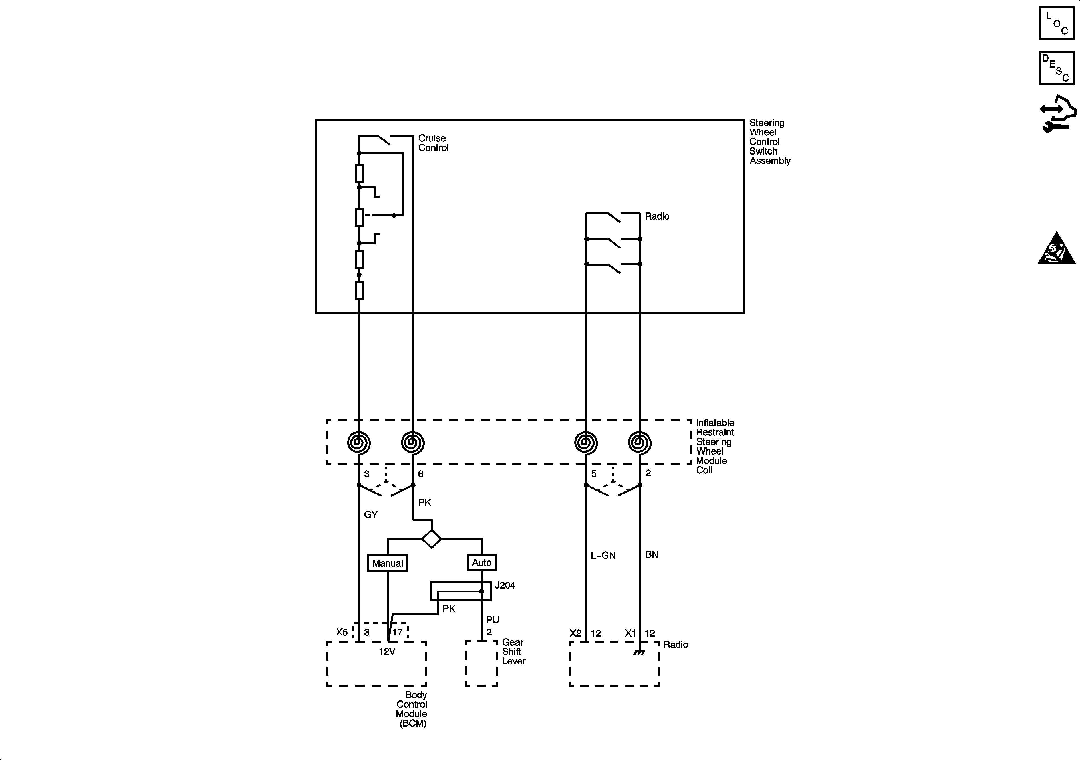
Steering Wheel Secondary/Configurable Control Schematics C105/Short Body
Master Electrical Component List
Control Module References
EF30, EF31, F4, F21, F22, F23 Fuses
G201 (1 of 2)