GM Service Manual Online
For 1990-2009 cars only
Makes
🢒
Chevrolet
🢒
2008
🢒
Captiva
🢒
Power and Signal Distribution
🢒
Data Communications
🢒 Data Communication Schematics
Figure
1:
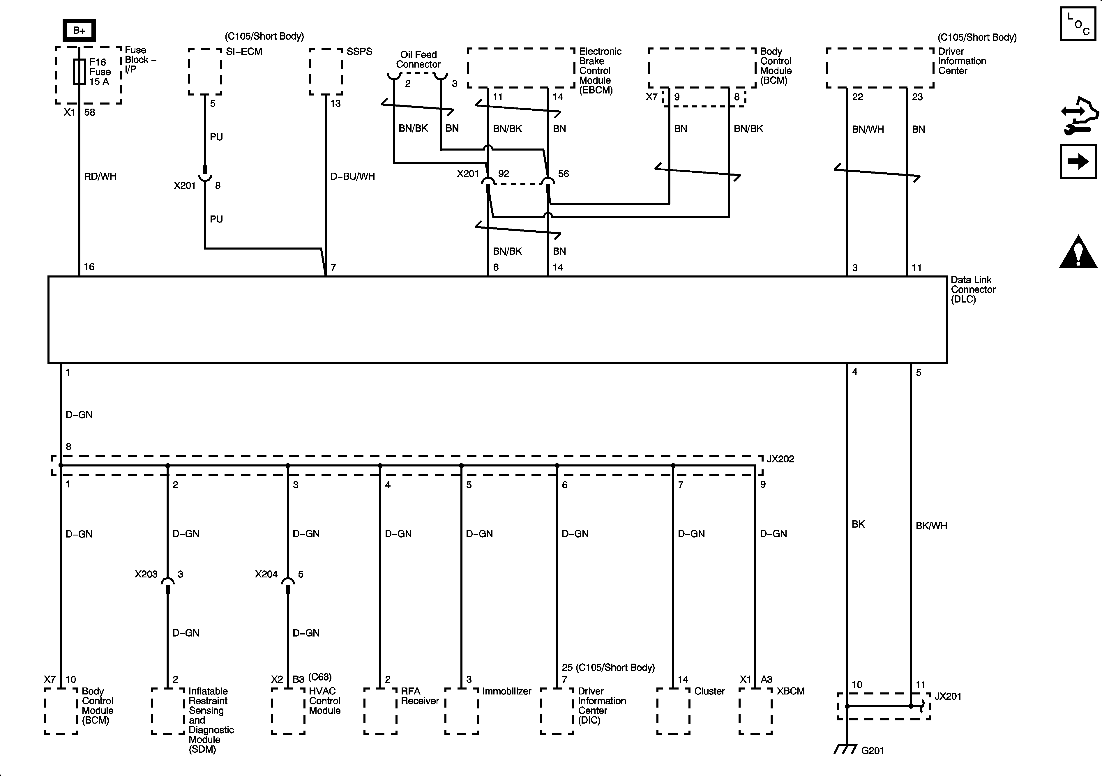
Data Link Connector (DLC)
Master Electrical Component List
Control Module References
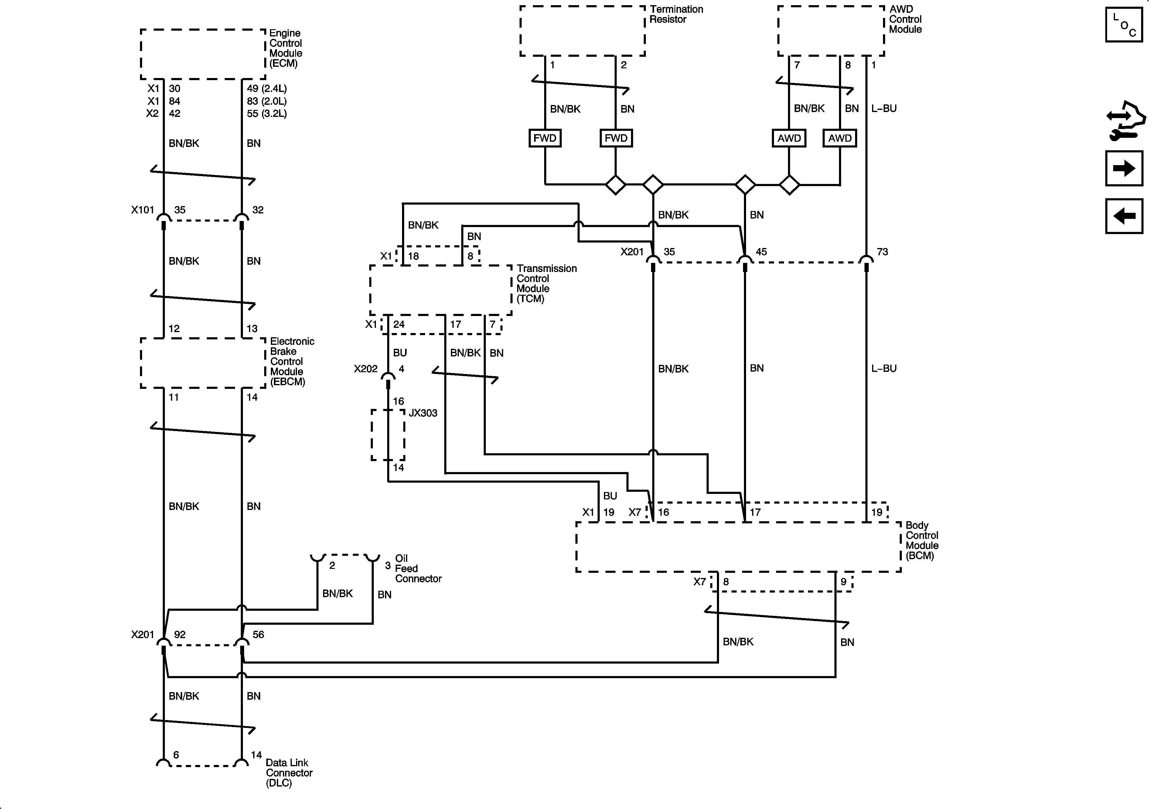
RHD High Speed LAN
G201 (1 of 2)
Figure
2:
RHD High Speed LAN
Master Electrical Component List
Control Module References
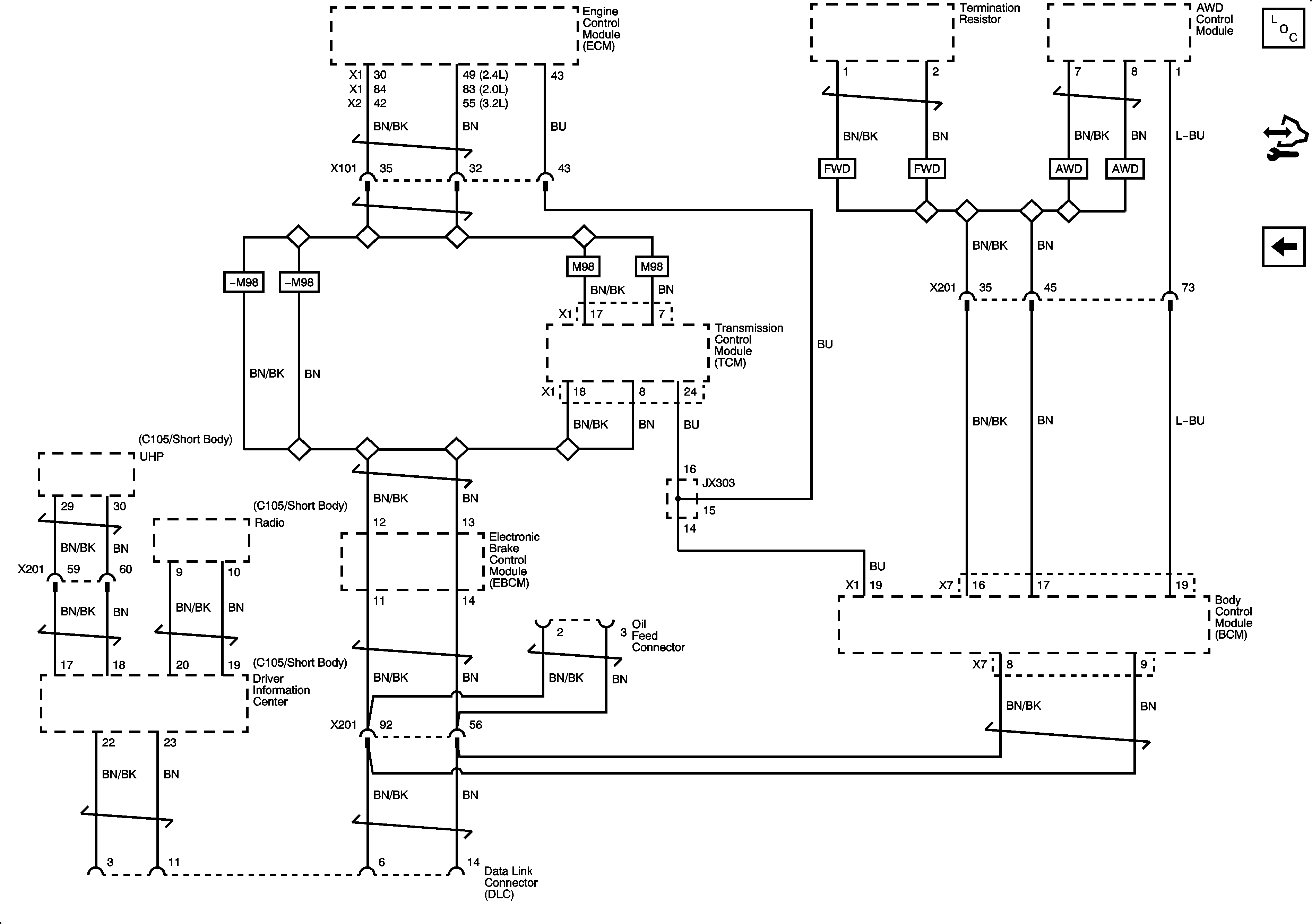
LHD High Speed LAN
Data Link Connector (DLC)
Data Link Connector (DLC)
Figure
3:
LHD High Speed LAN
Master Electrical Component List
Control Module References
RHD High Speed LAN
RHD High Speed LAN