GM Service Manual Online
For 1990-2009 cars only

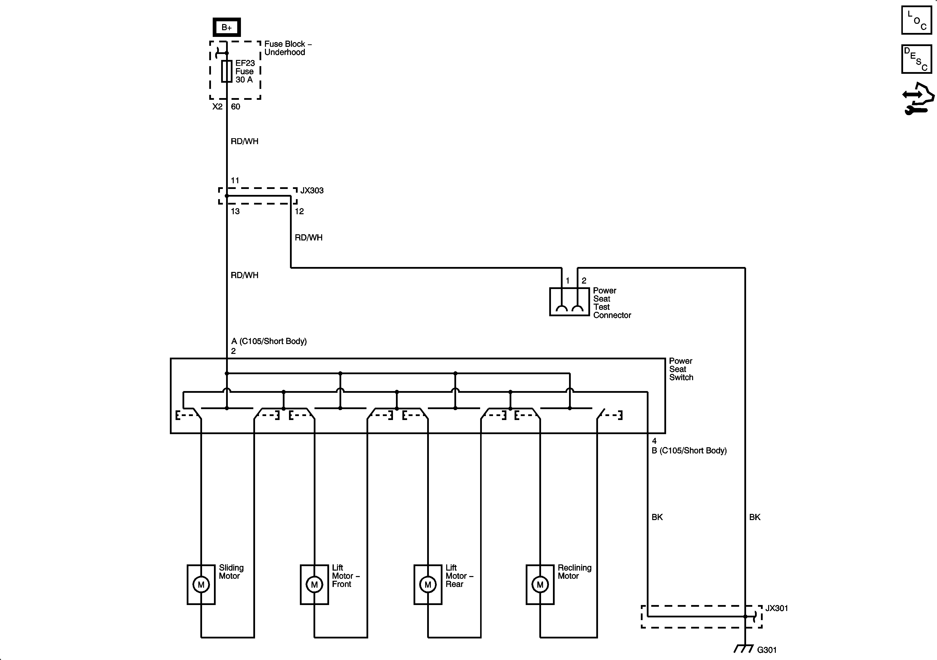
Object Number: 1958314  Size: FS
Master Electrical Component List
Power Seats System Description and Operation
Control Module References
EF1, 4, 16, 18, 19, 20, 23 Fuses
G301 (1 of 3)