GM Service Manual Online
For 1990-2009 cars only
Makes
🢒
Chevrolet
🢒
2008
🢒
Captiva
🢒
Safety and Security
🢒
Remote Functions
🢒 Remote Function Schematics
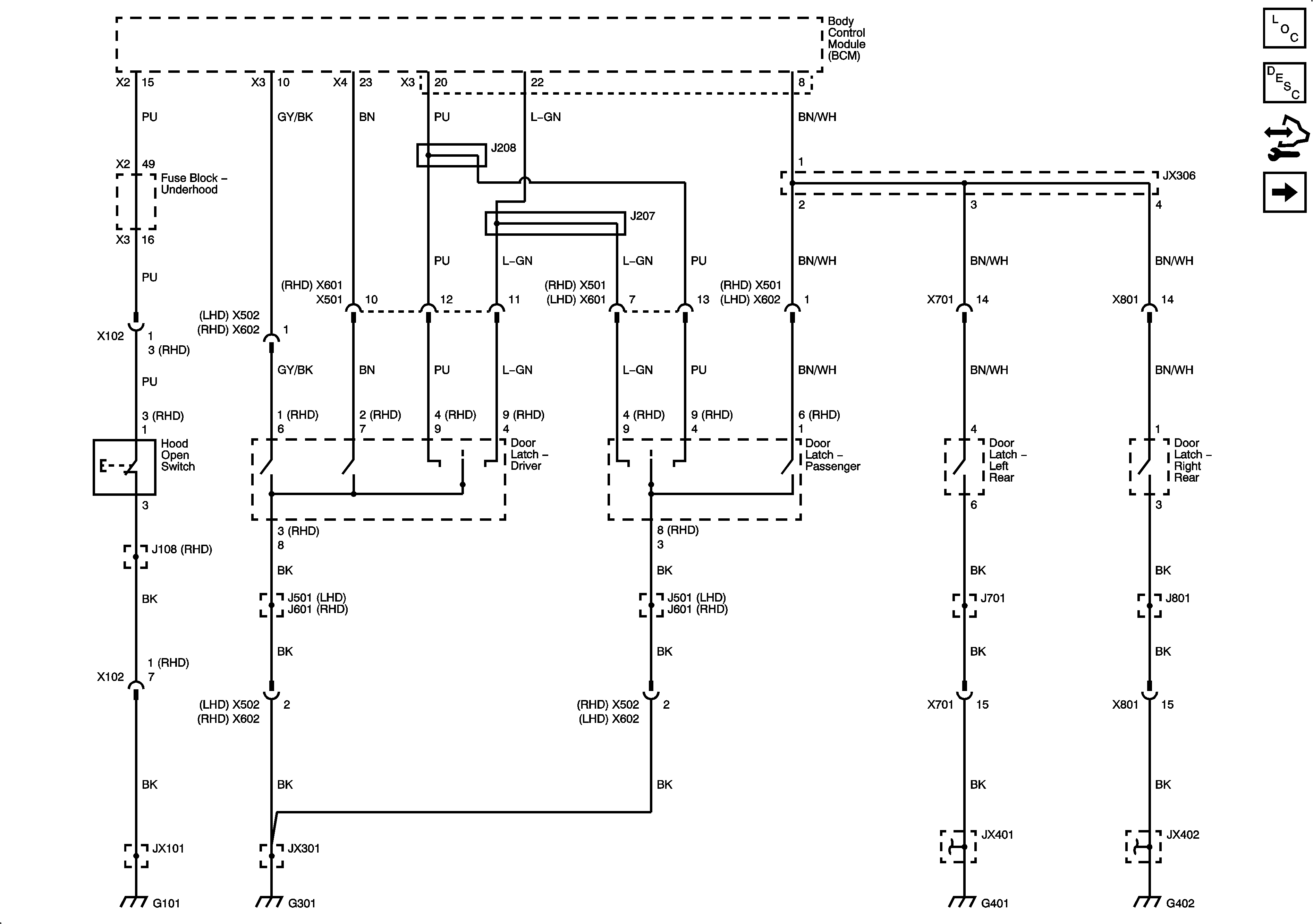
Figure
1:
Door Latches
Master Electrical Component List
Keyless Entry System Description and Operation
Control Module References
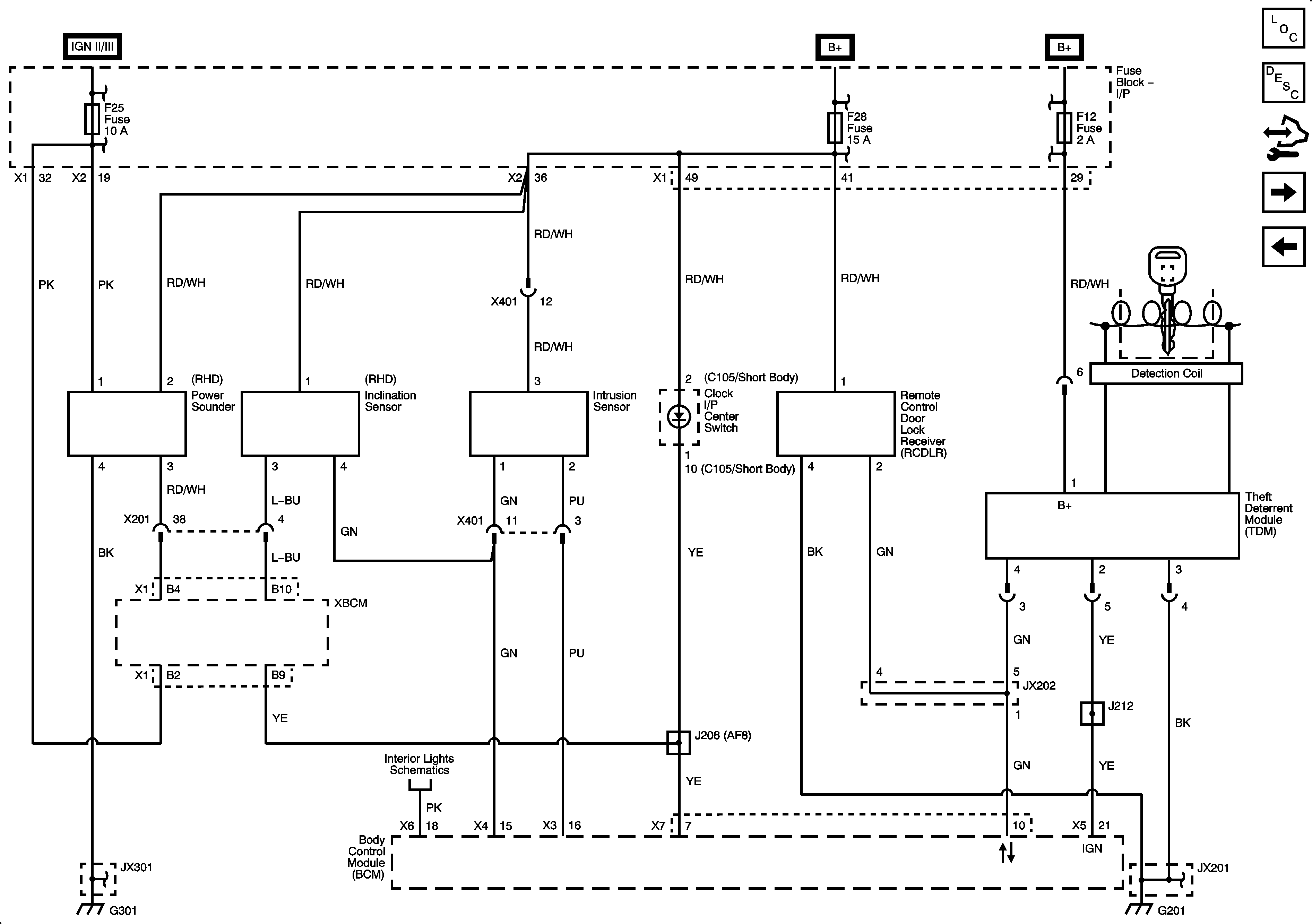
Remote Control Door Lock Receiver, Theft Deterent Control Module, Intrusion Sensor
G401 (2 of 2)
G402
Figure
2:
Remote Control Door Lock Receiver, Theft Deterent Control Module, Intrusion Sensor
Master Electrical Component List
Keyless Entry System Description and Operation
Control Module References
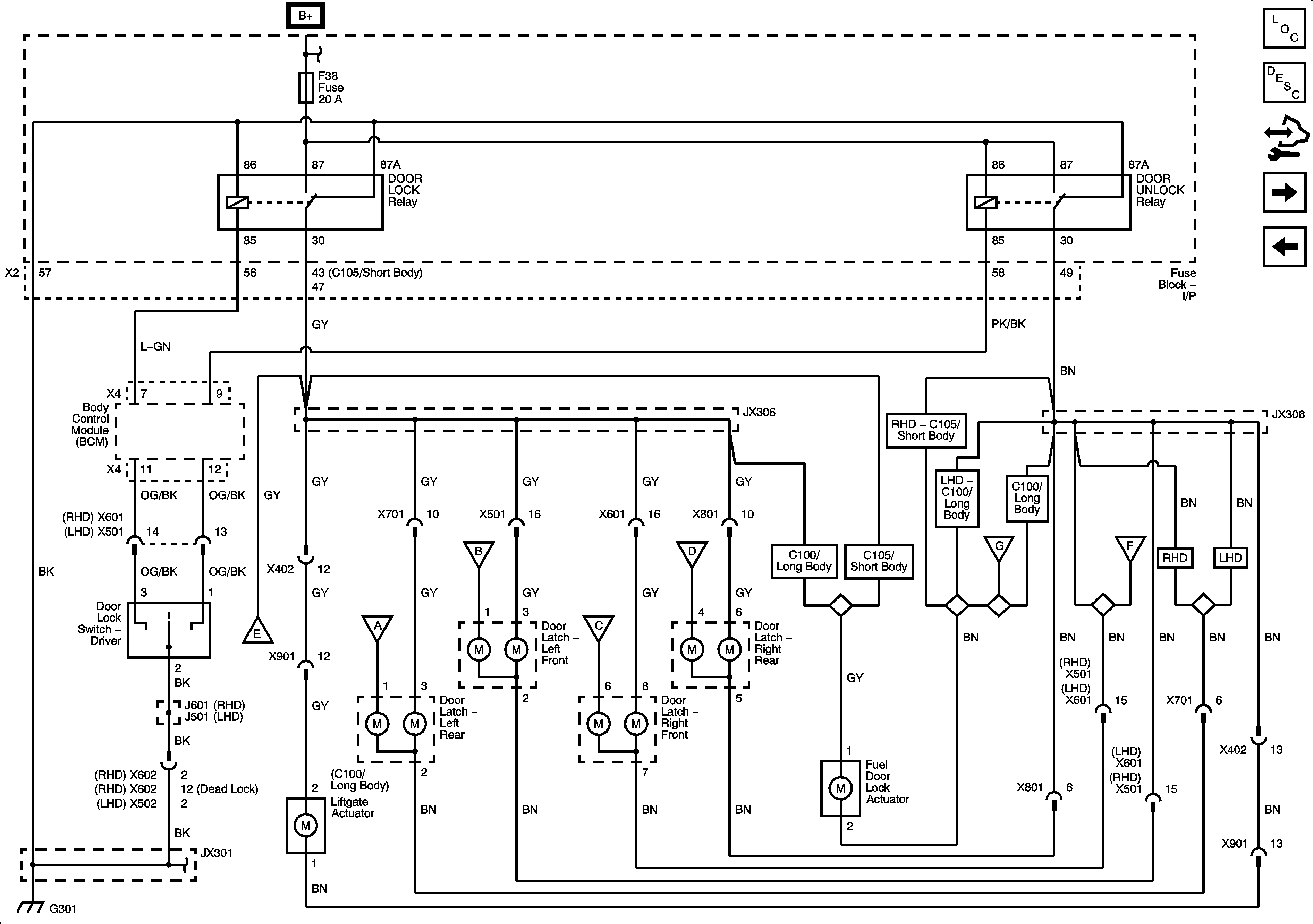
Door Actuators
Door Latches
EF7, F6, 8, 9, 13, 17, 20, 25, 27, 29 Fuses, Run/Crank, Rear Fog Lamps, Outside Rearview Mirror, liftgate Glass Relays
EF7, F6, 8, 9, 13, 17, 20, 25, 27, 29 Fuses, Run/Crank, Rear Fog Lamps, Outside Rearview Mirror, liftgate Glass Relays
F3, 5, 28, 32, 34 Fuses
F3, 5, 28, 32, 34 Fuses
EF2, F11, 12, 14, 16, 19, 24, 26, 31 35 Fuses
EF2, F11, 12, 14, 16, 19, 24, 26, 31 35 Fuses
Interior Lights Schematics
G301 (1 of 3)
G201 (1 of 2)
Figure
3:
Door Actuators
Master Electrical Component List
Keyless Entry System Description and Operation
Control Module References
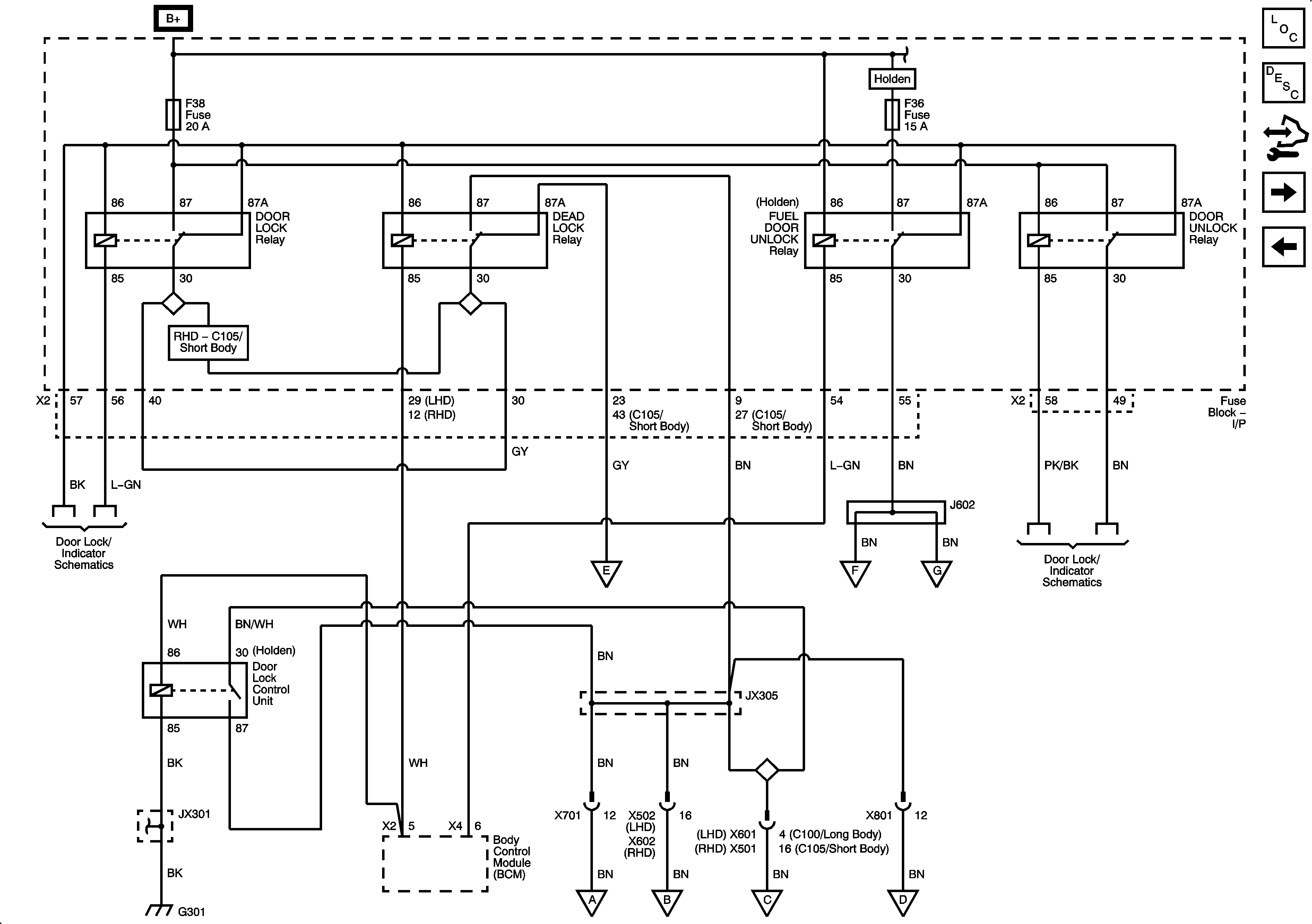
Central/Dead Locking
Remote Control Door Lock Receiver, Theft Deterent Control Module, Intrusion Sensor
F38 Fuse, Door Lock and Unlock Relays
G301 (1 of 3)
Figure
4:
Central/Dead Locking
Master Electrical Component List
Keyless Entry System Description and Operation
Control Module References
Door Actuators
F38 Fuse, Door Lock and Unlock Relays
Door Actuators
Door Actuators
G301 (1 of 3)