GM Service Manual Online
For 1990-2009 cars only

Removal Procedure

    Warning: Refer to Battery Disconnect Warning in the Preface section.


    Object Number: 1795568  Size: SH
  1. Disconnect the negative battery cable. Refer to Battery Negative Cable Disconnection and Connection.
  2. Remove the exhaust front pipe. Refer to Front Pipe Replacement.
  3. Remove the rear pup converter. Refer to Auxiliary Catalytic Converter Replacement.
  4. Remove the rear exhaust manifold. Refer to Exhaust Manifold Replacement.

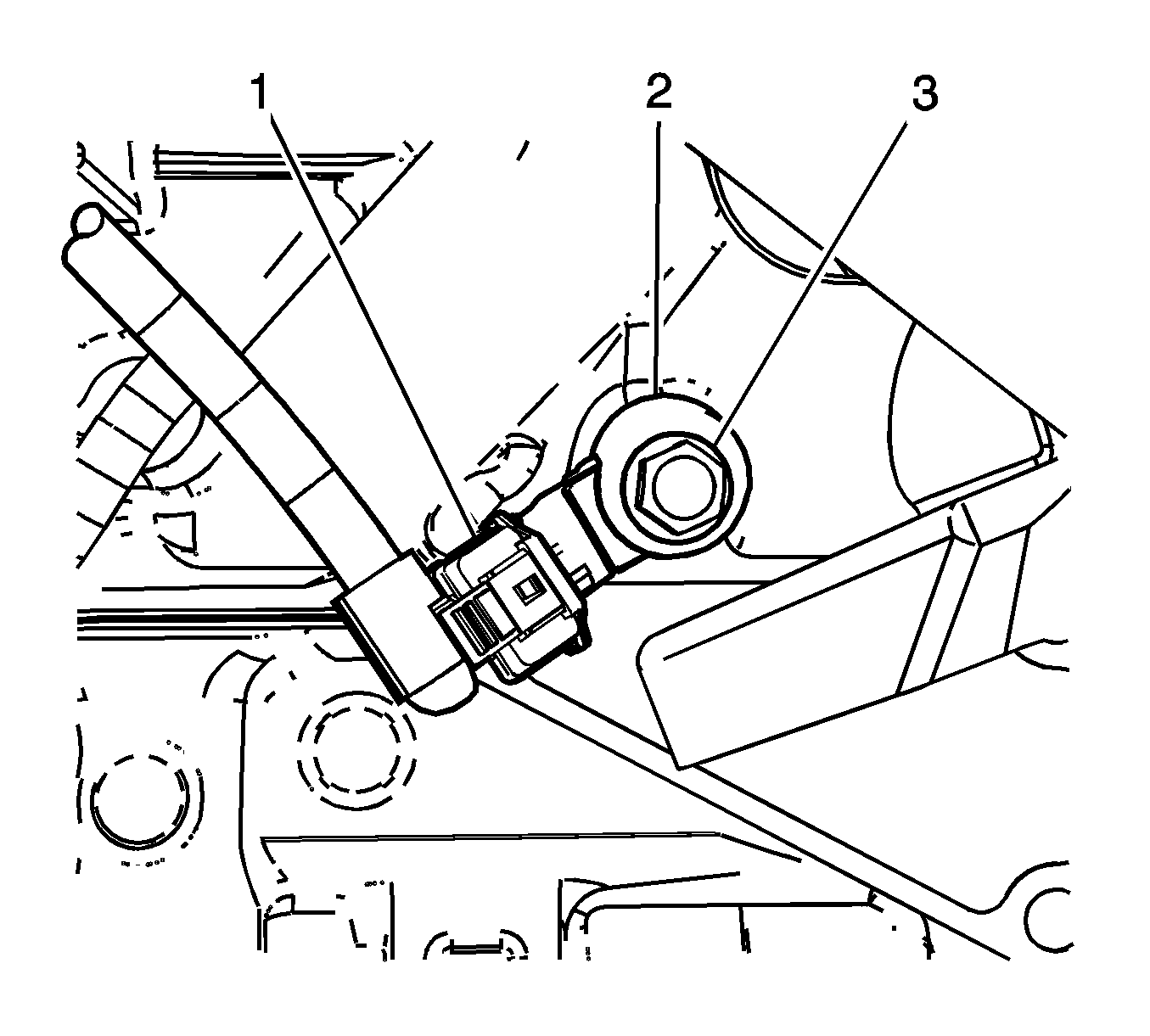
  5. Object Number: 1804702  Size: SH
  6. Disconnect the wiring harness connector (1) from the knock sensor (2).
  7. Remove the bolt (3) attaching the knock sensor (2) to the engine block, and remove the knock sensor.

Installation Procedure


    Object Number: 1804702  Size: SH
  1. Ensure the knock sensor mounting surface is flat and free of any dirt, oxidations, etc.
  2. Caution: Refer to Fastener Caution in the Preface section.

  3. Install the knock sensor (2) and bolt (3) and tighten to 23 N·m (17 lb ft).
  4. Connect the knock sensor connector (1).
  5. Install the rear exhaust manifold. Refer to Exhaust Manifold Replacement.
  6. Install the rear pup converter. Refer to Auxiliary Catalytic Converter Replacement.
  7. Install the front exhaust pipe. Refer to Front Pipe Replacement.
  8. Connect the negative battery cable. Refer to Battery Negative Cable Disconnection and Connection.