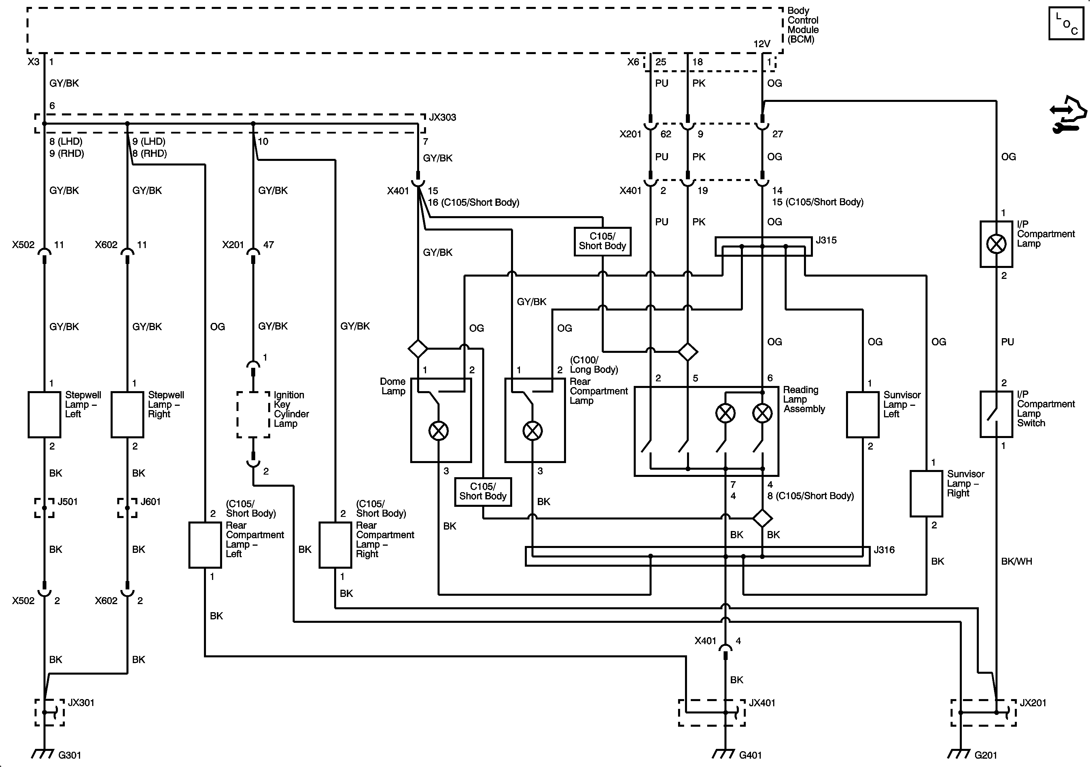
GM Service Manual Online
For 1990-2009 cars only
Makes
🢒
Chevrolet
🢒
2009
🢒
Captiva
🢒 Interior Lights Schematics
Interior Lights Schematics
Master Electrical Component List
Control Module References
G301 (1 of 3)
G401 (2 of 2)
G201 (1 of 2)