GM Service Manual Online
For 1990-2009 cars only
Makes
🢒
Chevrolet
🢒
2009
🢒
Captiva
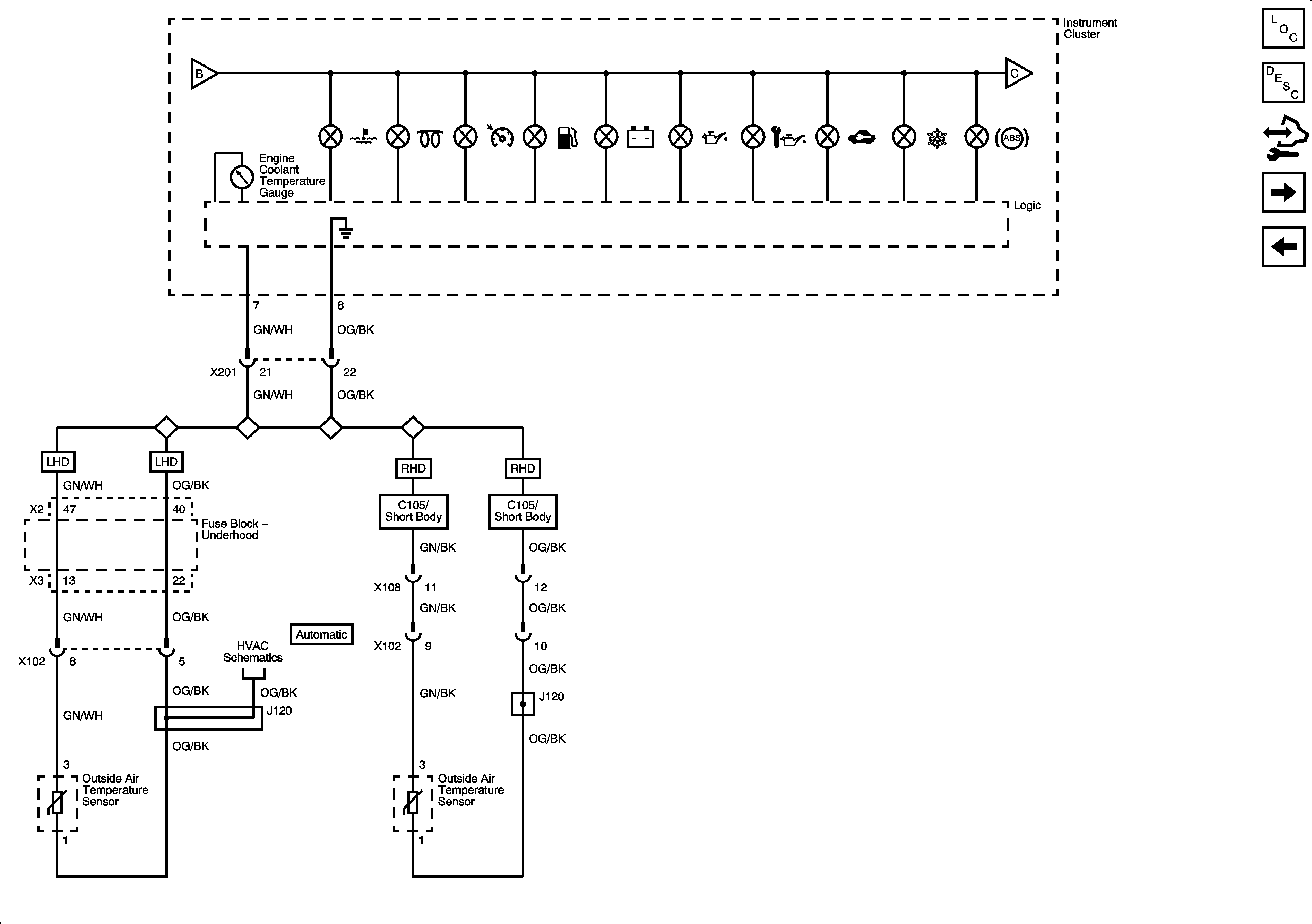
🢒 Indicators, OAT/AQS Sensor
Indicators, OAT/AQS Sensor
Indicators, OAT/AQS Sensor
Master Electrical Component List
Instrument Cluster Description and Operation
Control Module References
Indicators
Power, Ground, Gages