GM Service Manual Online
For 1990-2009 cars only

HIGH OIL CONSUMPTION CONCERN CORRECTIVE SERVICE PROCEDURE

Subject: CONCERN OF HIGH OIL CONSUMPTION

Model and Year: 1987-89 J, L CAR WITH 2.OL (VIN CODE 1) ENGINE 1990 J, L CAR WITH 2.2L (VIN CODE G) ENGINE

TO: ALL CHEVROLET DEALERS

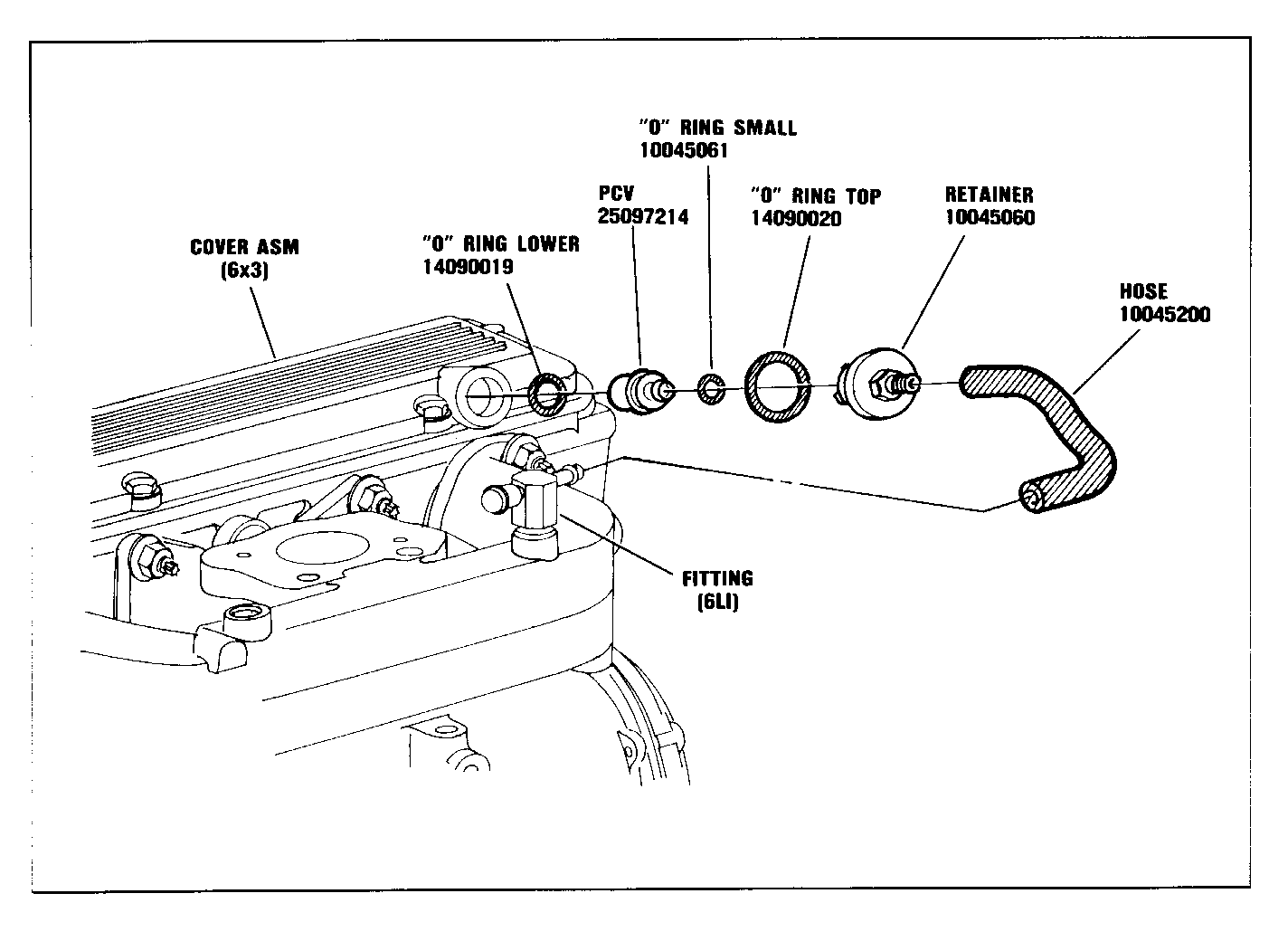
Some owners of 1987-90 J and L cars with 2.OL or 2.2L engines have commented on less- than-acceptable engine oil consumption. Many oil consumption concerns have been traced to irregularities in the positive crankcase ventilation system (P.C.V.).

Possible high oil consumption contributors include:

1. Missing "O" rings.

2. Cut, misinstalled "O" rings.

3. Incorrect P.C.V. valve.

Refer to the aftached chart for the correct service part numbers. When installing a P.C.V. valve, lightly oil the "O" rings. Seat the P.C.V. valve into the cover by hand. Inspect to see that the bottom "O" ring is not showing; then install the retainer cap.

Some after-market P.C.V. valves are available that will fit into the valve rocker covers but will allow too much airflow and cause high oil consumption. If a P.C.V. valve replacement is required, always use Part Number 25097214, which is identified "AC Spark Plug, CV-900C".

Parts are currently available from GMSPO.

Labor Operation Number: J6000

Labor Time: .2 Hours


Object Number: 75509  Size: FS

General Motors bulletins are intended for use by professional technicians, not a "do-it-yourselfer". They are written to inform those technicians of conditions that may occur on some vehicles, or to provide information that could assist in the proper service of a vehicle. Properly trained technicians have the equipment, tools, safety instructions and know-how to do a job properly and safely. If a condition is described, do not assume that the bulletin applies to your vehicle, or that your vehicle will have that condition. See a General Motors dealer servicing your brand of General Motors vehicle for information on whether your vehicle may benefit from the information.