GM Service Manual Online
For 1990-2009 cars only
Makes
🢒
Chevrolet
🢒
1999
🢒
Cavalier
🢒
Body and Accessories
🢒
Instrument Panel, Gauges, and Console
🢒 Antilock Brake System Schematics
Figure
1:
Antilock Brake Systems Cell 44 (Motor Pack and Speed Sensors
ABS Components
ABS Description
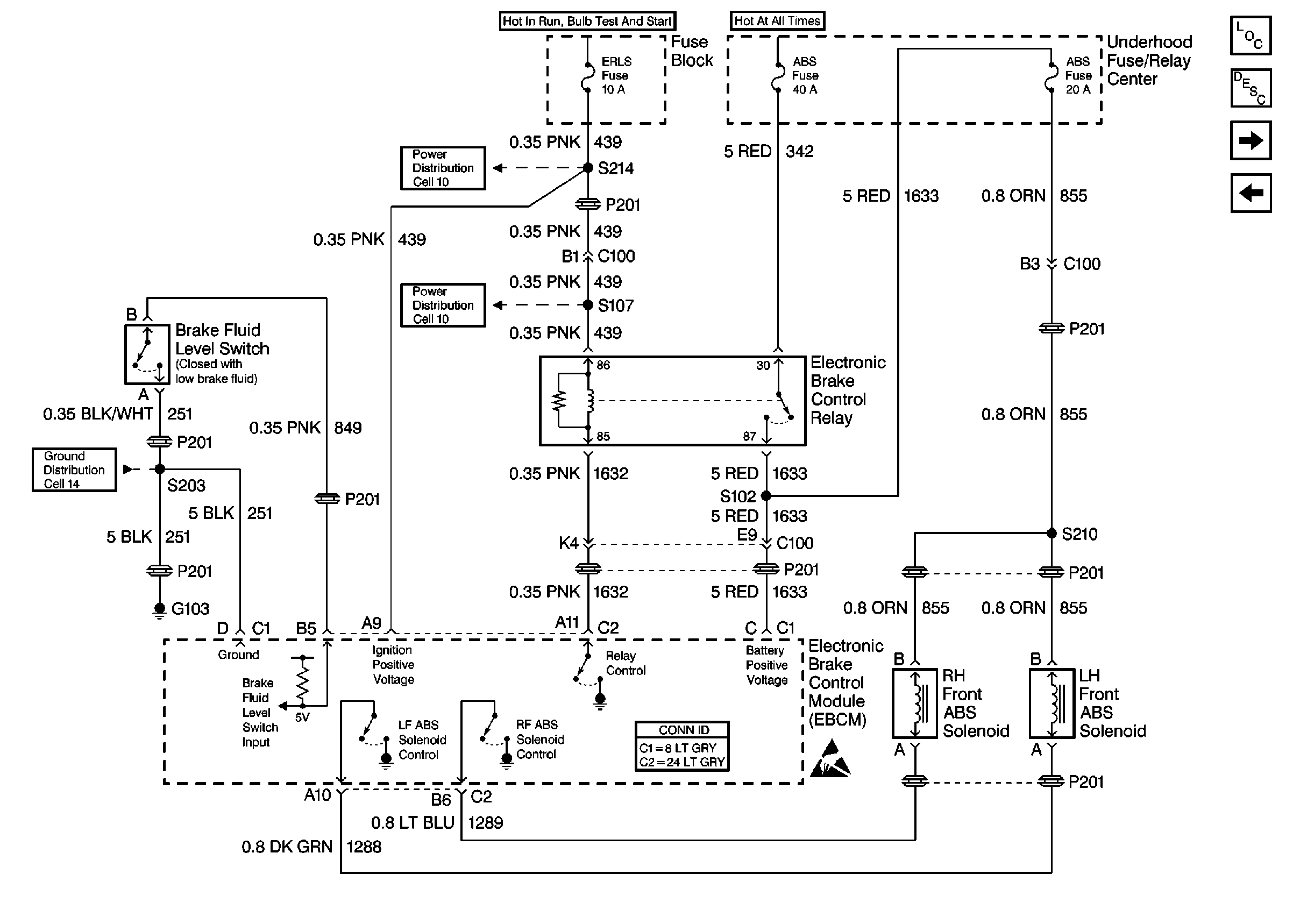
Antilock Brakes System Cell 44: Relay and Solenoids
Handling ESD Sensitive Parts Notice
Figure
2:
Antilock Brakes System Cell 44: Relay and Solenoids
ABS Components
ABS Description
Antilock Brake Systems Cell 44: IPC, EBCM and Brake Switch
Antilock Brake Systems Cell 44 (Motor Pack and Speed Sensors
Handling ESD Sensitive Parts Notice
Power Distribution Schematics
Power Distribution Schematics
Ground Distribution Schematics
Figure
3:
Antilock Brake Systems Cell 44: IPC, EBCM and Brake Switch
ABS Components
ABS Description
Antilock Brakes System Cell 44: Relay and Solenoids
Handling ESD Sensitive Parts Notice
Handling ESD Sensitive Parts Notice
Power Distribution Schematics
Exterior Lights Schematics
Data Link Connector Schematics