GM Service Manual Online
For 1990-2009 cars only

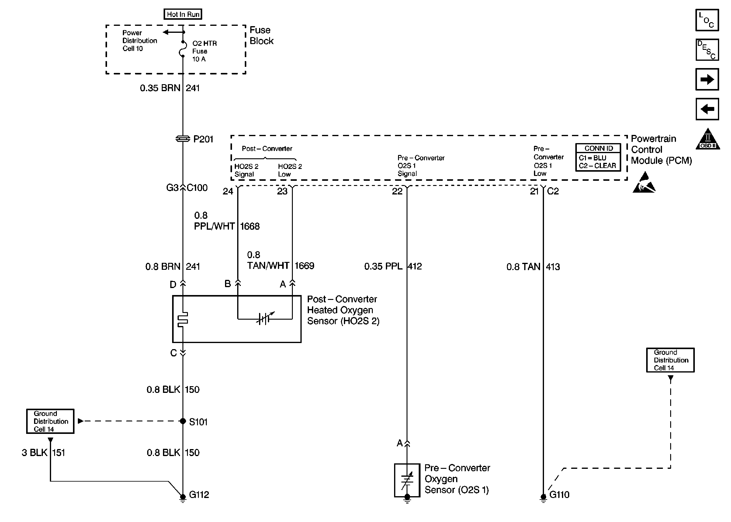
Oxygen Sensors

Oxygen Sensors


Object Number: 184515  Size: FS
Engine Controls Components
Information Sensors/Switches Description
IAC Valve, Generator, TR and Coolant Switches
EVAP and EGR Controls
OBDII Symbol Description Notice
Handling Electrostatic Discharge Sensitive Parts Notice