GM Service Manual Online
For 1990-2009 cars only
Makes
🢒
Chevrolet
🢒
2000
🢒
Cavalier
🢒 VSS and Cruise Control
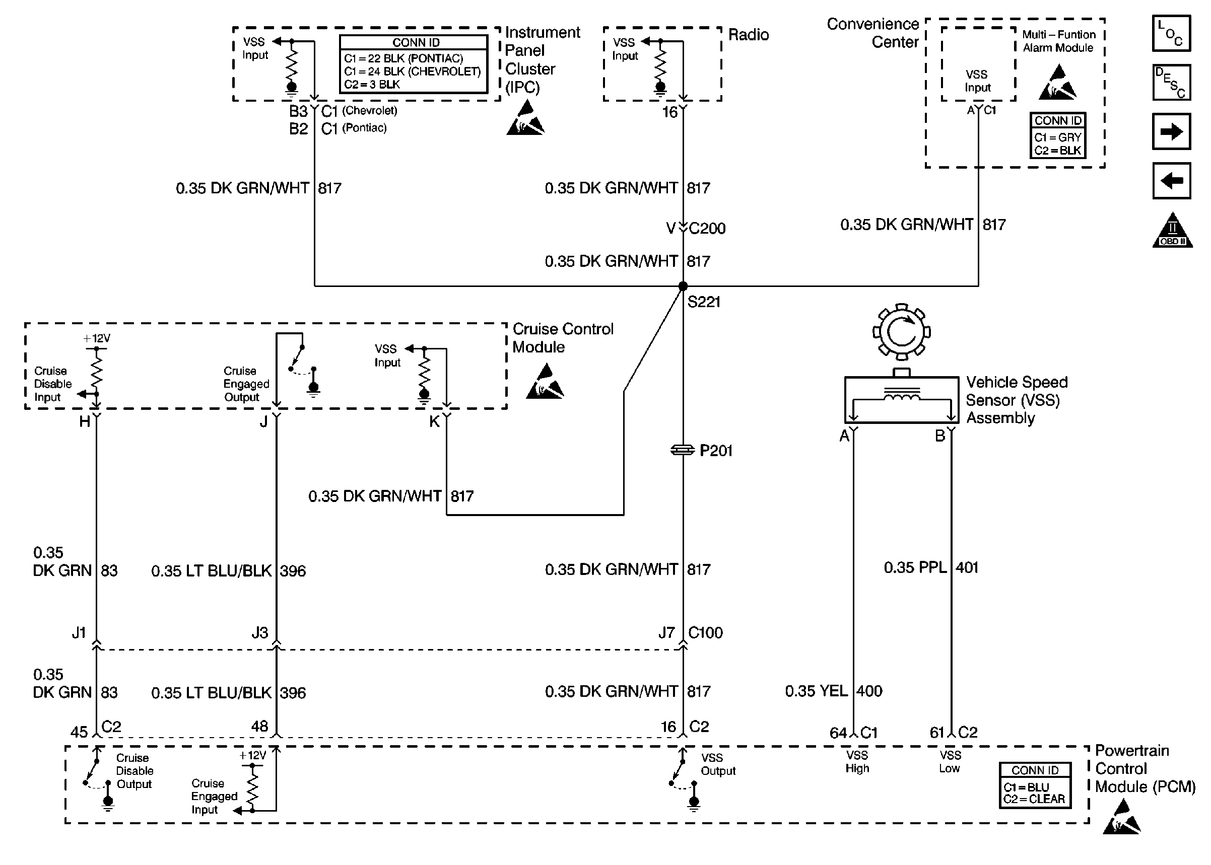
VSS and Cruise Control
VSS and Cruise Control
Engine Controls Components
Information Sensors/Switches Description
Transaxle Controls (Solenoids)
IAC Valve, Generator, TR and Coolant Switches
OBDII Symbol Description Notice
Handling Electrostatic Discharge Sensitive Parts Notice
Handling Electrostatic Discharge Sensitive Parts Notice
Handling Electrostatic Discharge Sensitive Parts Notice
Handling Electrostatic Discharge Sensitive Parts Notice