GM Service Manual Online
For 1990-2009 cars only
Makes
🢒
Chevrolet
🢒
2000
🢒
Cavalier
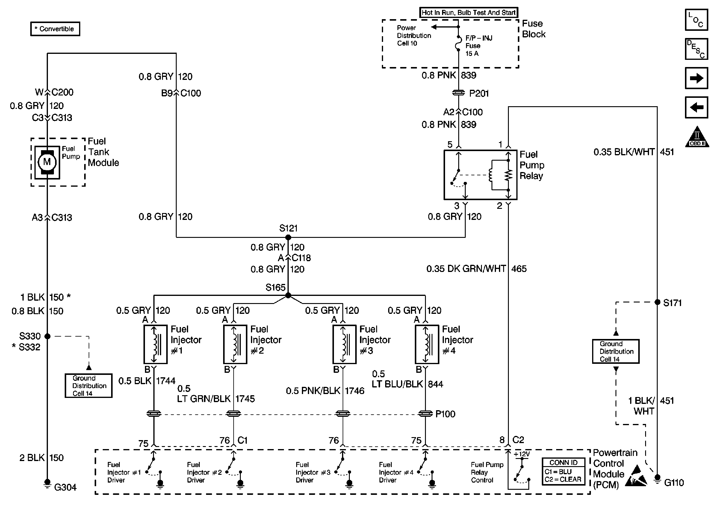
🢒 Fuel Controls
Fuel Controls
Fuel Controls
Engine Controls Components
Information Sensors/Switches Description
Engine Data Sensors
Ignition Controls
OBD II Symbol Description Notice
Power Distribution Schematics
Ground Distribution Schematics
Ground Distribution Schematics
Powertrain Control Module Connector End Views
Handling ESD Sensitive Parts Notice