GM Service Manual Online
For 1990-2009 cars only
Makes
🢒
Chevrolet
🢒
2000
🢒
Cavalier
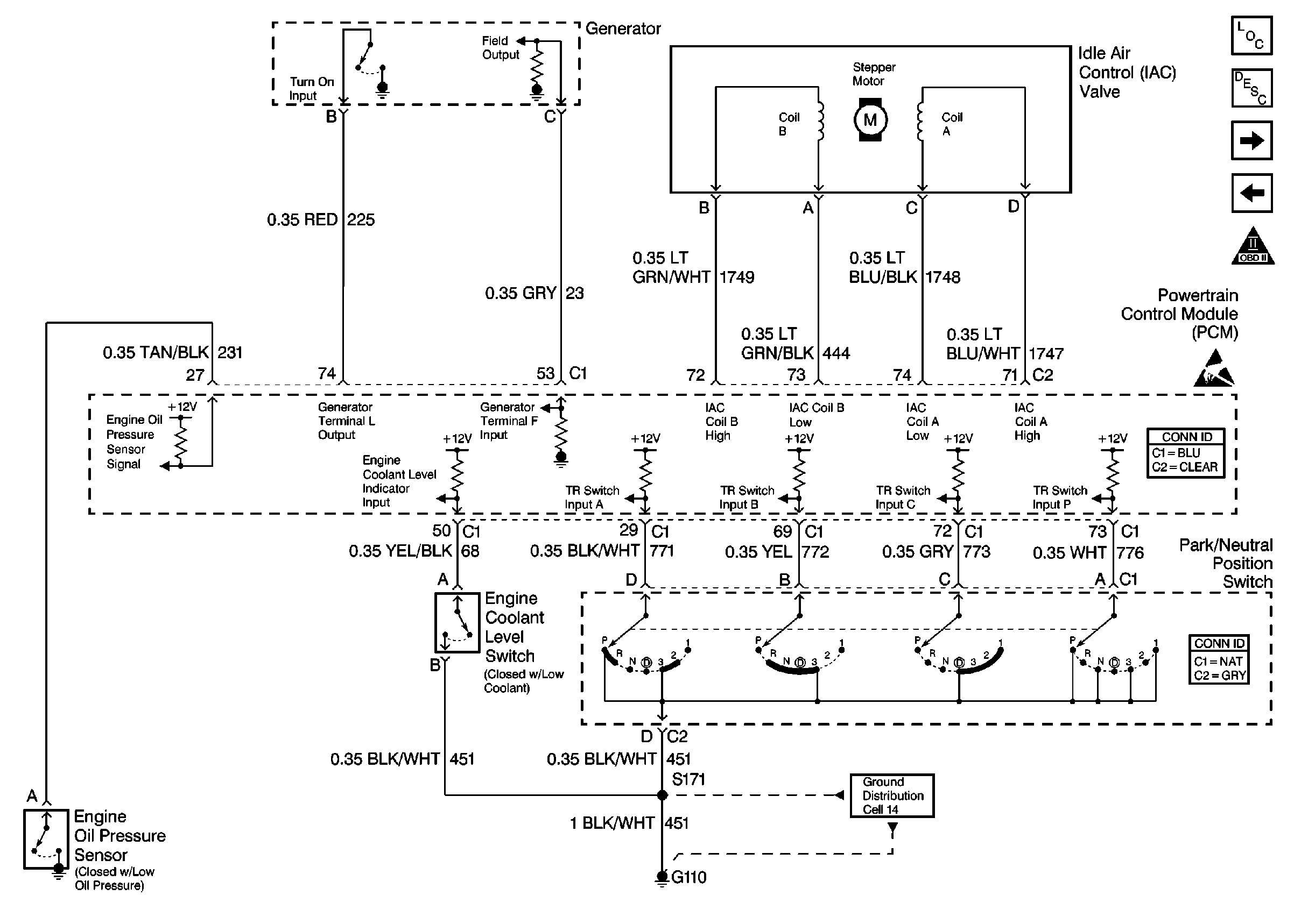
🢒 IAC Valve, Generator, TR and Coolant Switches
IAC Valve, Generator, TR and Coolant Switches
IAC Valve, Generator, TR and Coolant Switches
Engine Controls Components
Information Sensors/Switches Description
VSS and Cruise Control
Oxygen Sensors
OBD II Symbol Description Notice
Handling ESD Sensitive Parts Notice
Ground Distribution Schematics
Powertrain Control Module Connector End Views
Instrument Panel, Gages, and Console Connector End Views