GM Service Manual Online
For 1990-2009 cars only
Makes
🢒
Chevrolet
🢒
2000
🢒
Cavalier
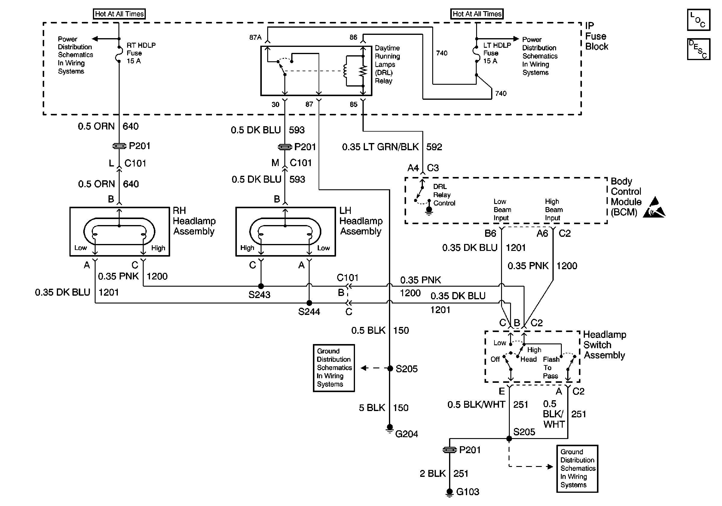
🢒 Headlamps, Headlamp Switch and Body Control Module
Headlamps, Headlamp Switch and Body Control Module
Headlamps, Headlamp Switch and Body Control Module
Power Distribution Schematics
Power Distribution Schematics
Ground Distribution Schematics
Ground Distribution Schematics
Exterior Lights Circuit Description
Lighting Systems Components